GM Service Manual Online
For 1990-2009 cars only
Makes
🢒
Cadillac
🢒
2007
🢒
CTS
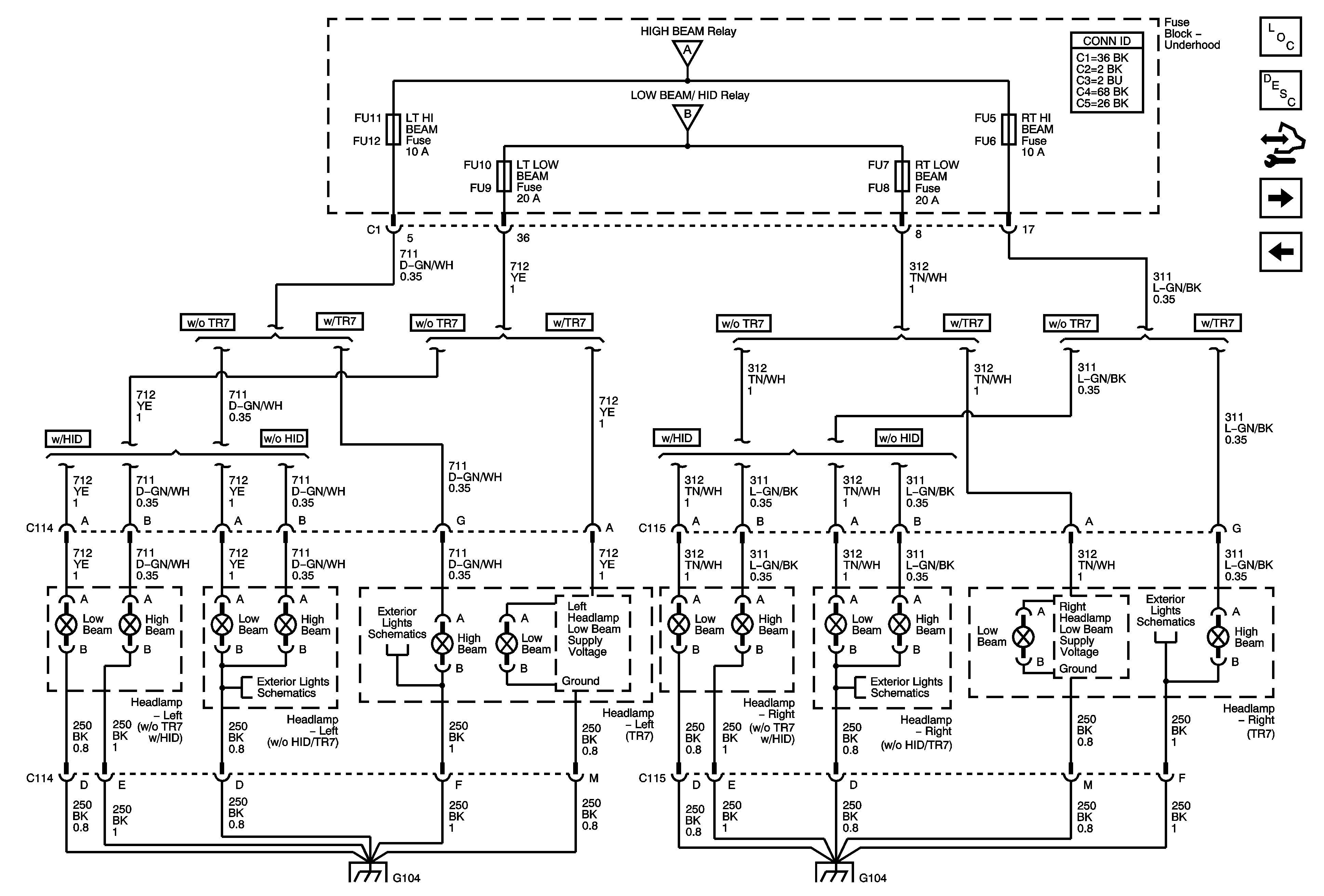
🢒 Lighting Headlights/DRL (Headlamps)
Lighting Headlights/DRL (Headlamps)
Headlamps
Master Electrical Component List
Exterior Lighting Systems Description and Operation
Control Module References
Daytime Running Lamps (DRL) - (Export w/T65)
Headlamp Controls
Headlamp Controls
Headlamp Controls
Position, Park, and Tail Lamps (Export)
Position, Park, and Tail Lamps (Export)
Turn SIgnal Lamps (Domestic and Export) Repeator Lamps (Export w/T90)
G104 2 of 2
G104 2 of 2
Turn SIgnal Lamps (Domestic and Export) Repeator Lamps (Export w/T90)