GM Service Manual Online
For 1990-2009 cars only
Makes
🢒
Cadillac
🢒
2007
🢒
CTS
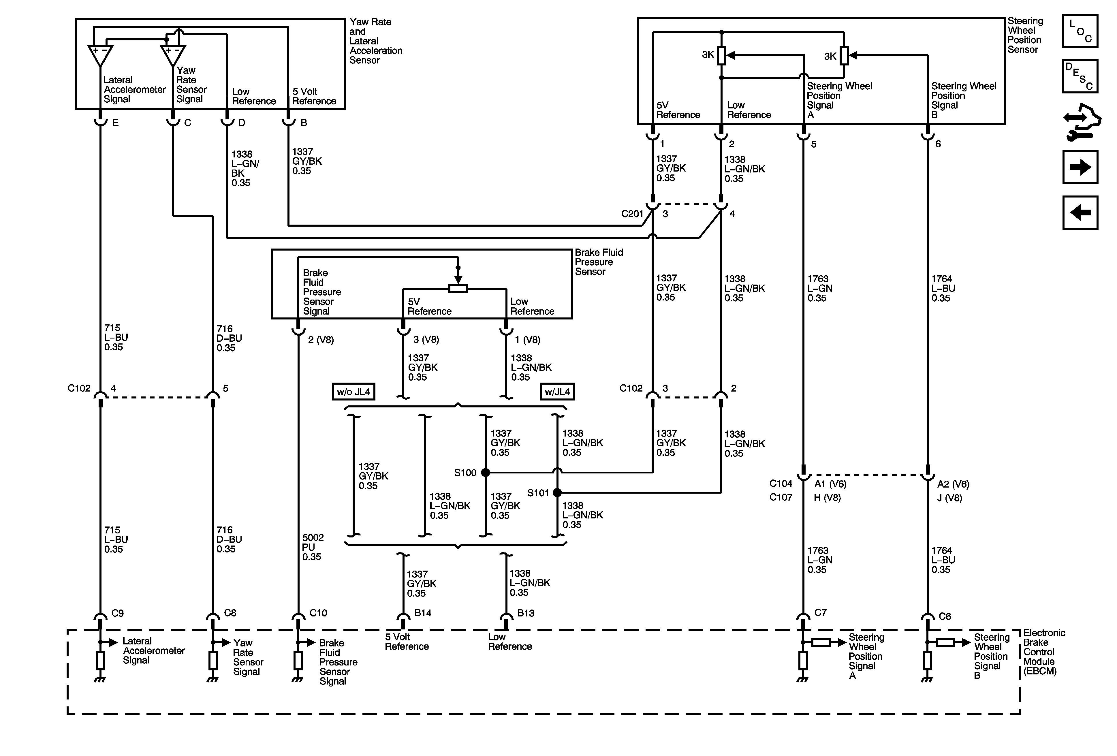
🢒 Vehicle Stability Enhancement System (JL4) (JSB for LS2)
Vehicle Stability Enhancement System (JL4) (JSB for LS2)
Vehicle Stability Enhancement System (JL4) (J56 for LS2)
Master Electrical Component List
ABS Description and Operation
Control Module References
BPP Sensor, Switches and Indicators - 2.8L/3.6L (LP1/LY7)
Power, Ground, Serial Data and DIC