GM Service Manual Online
For 1990-2009 cars only
Makes
🢒
Cadillac
🢒
2007
🢒
CTS
🢒 Power, Ground, Serial Data and DIC
Power, Ground, Serial Data and DIC
Power, Ground, Serial Data, and DIC
Master Electrical Component List
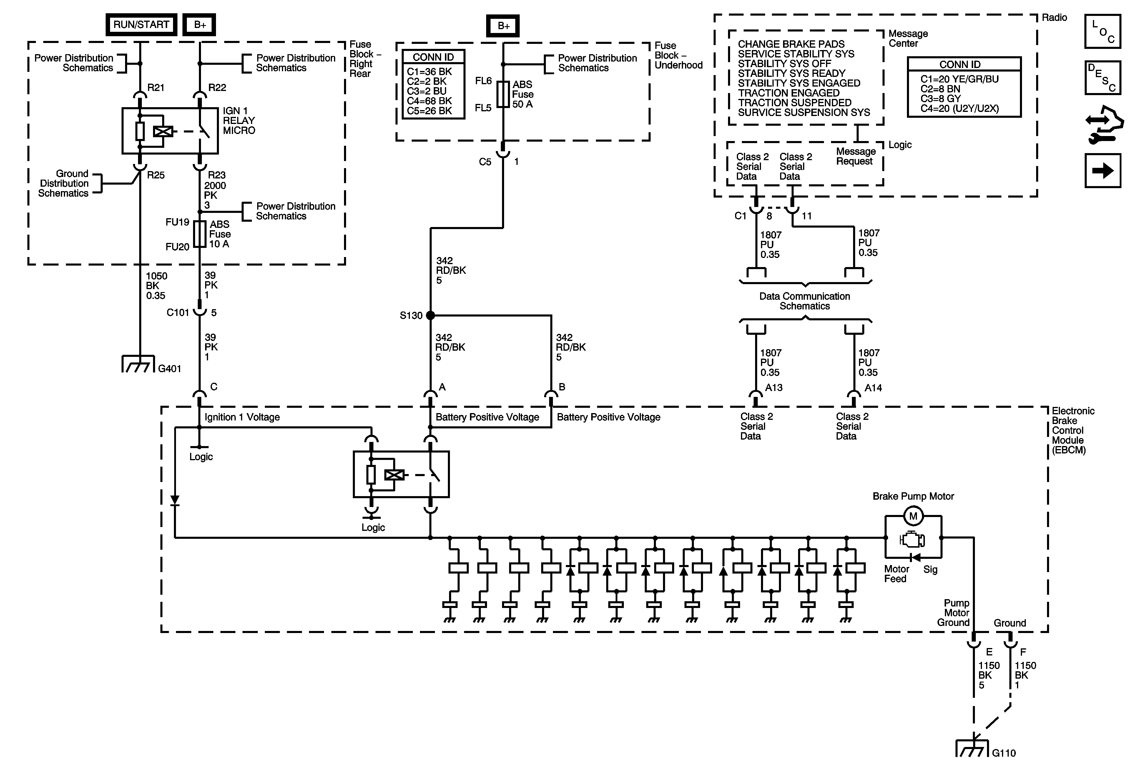
ABS Description and Operation
Control Module References
Vehicle Stability Enhancement System (JL4) (JSB for LS2)
Right Rear Fuse Block IGN 1 Relay, Airbag, RIM, ABS, PSGR DR MOD, and TV/VICS Fuses
Right Rear Fuse Block B+ Bus
Underhood Fuse Block DIM/ALDL, Volt Check, Flasher, CCP, ECM/TCM, and ABS Fuses
G401
Right Rear Fuse Block B+ Bus
G401
Class 2 Serial Data Bus - LHD (1 of 2)
G102, G105, G110, G303, G304, and G306