GM Service Manual Online
For 1990-2009 cars only
Makes
🢒
Cadillac
🢒
2007
🢒
CTS
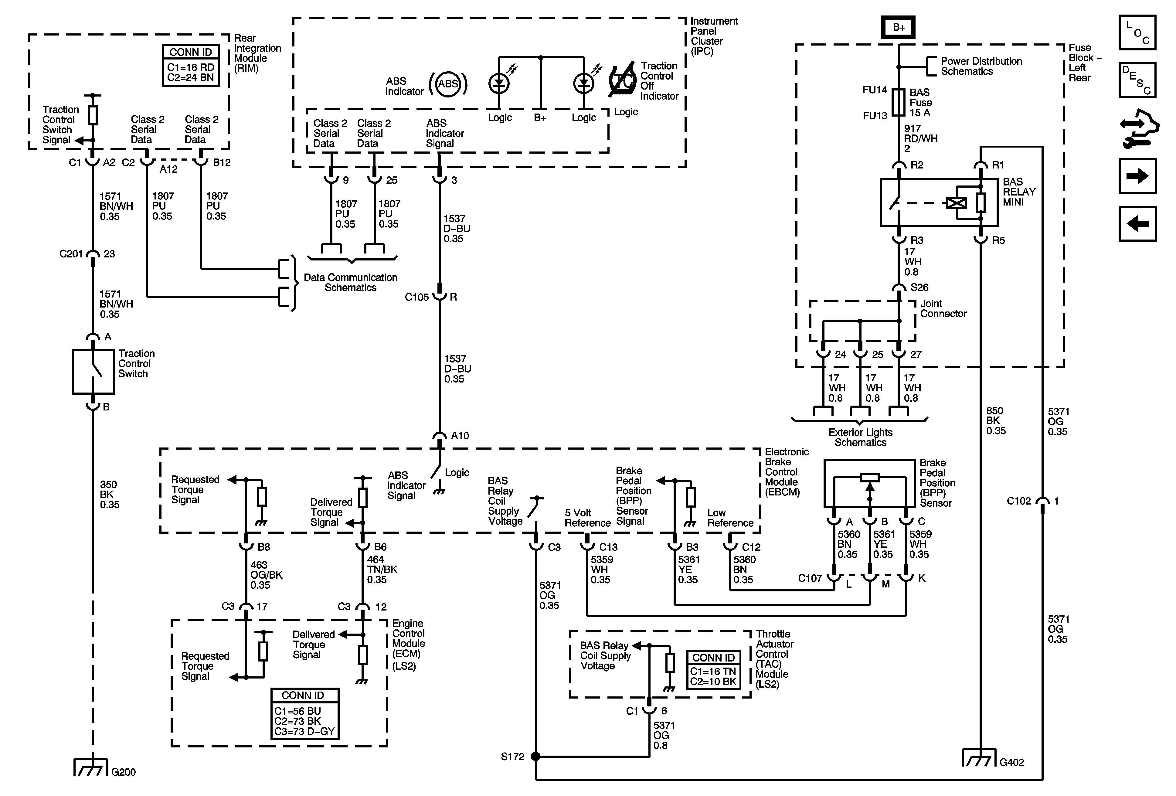
🢒 BPP Sensor Switches and Indicators - 6.0L (LS2)
BPP Sensor Switches and Indicators - 6.0L (LS2)
BPP Sensor, Switches, and Indicators - 6.0L (LS2)
Master Electrical Component List
ABS Description and Operation
Control Module References
Wheel Speed Sensors and Variable Effort Steering Actuator
BPP Sensor, Switches and Indicators - 2.8L/3.6L (LP1/LY7)
Left Rear Fuse Block B+ Bus
Class 2 Serial Data Bus - LHD (1 of 2)
Stop Lamps, BPP Sensor and BAS Fuse/Relay (Domestic and Export)
G200
G402 (2 of 2)