GM Service Manual Online
For 1990-2009 cars only
Makes
🢒
Cadillac
🢒
2007
🢒
CTS
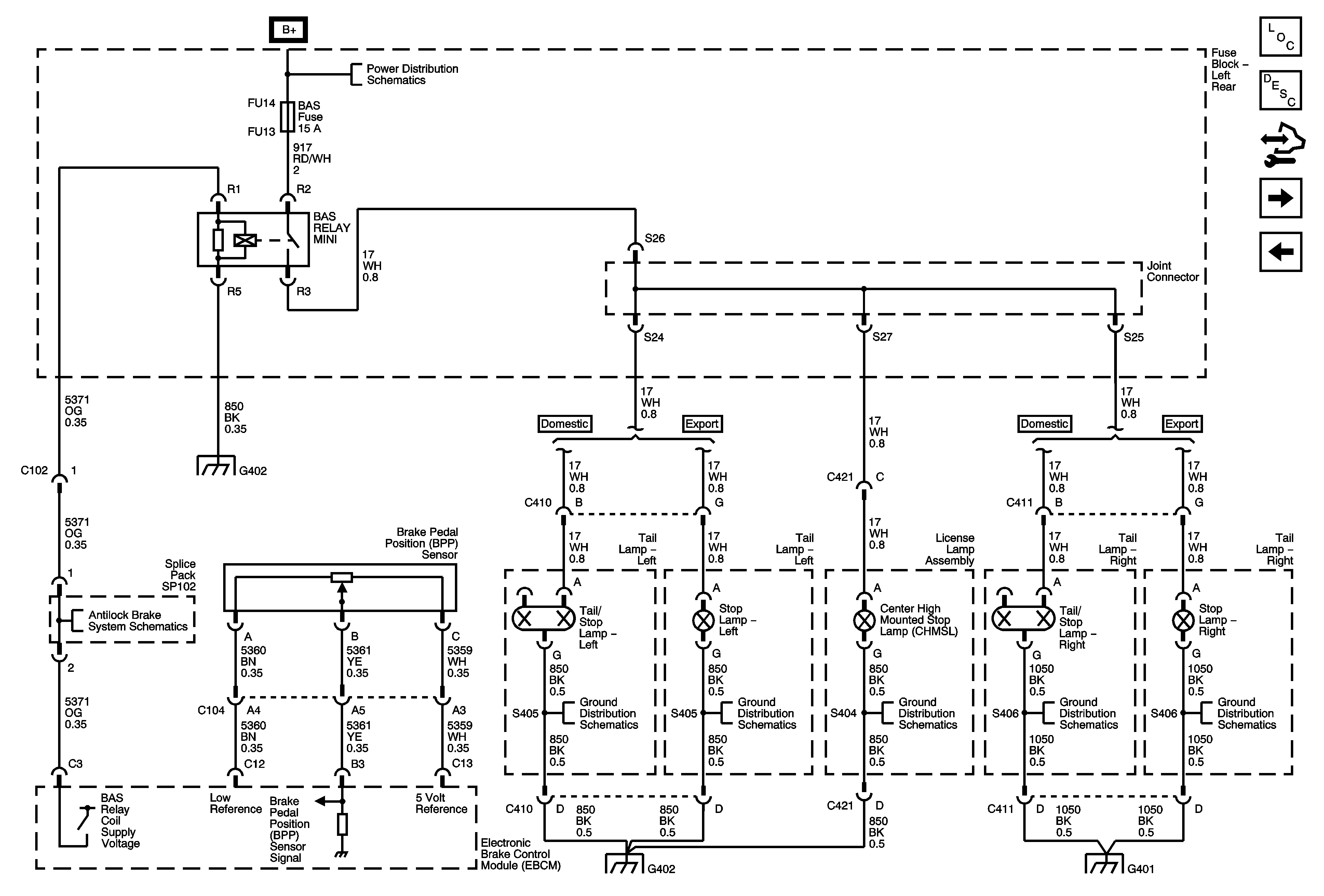
🢒 Stop Lamps, BPP Sensor and BAS Fuse/Relay (Domestic and Export)
Stop Lamps, BPP Sensor and BAS Fuse/Relay (Domestic and Export)
Stop Lamps, BPP Sensor, and BAS Fuse/Relay - Domestic and Export
Master Electrical Component List
Exterior Lighting Systems Description and Operation
Control Module References
Backup Lamps
Position, Park, and Tail Lamps (Export)
Underhood Fuse Block B+ BUS 2 of 2
BPP Sensor, Switches and Indicators - 2.8L/3.6L (LP1/LY7)
G402 (2 of 2)
G402 (2 of 2)
G402 (2 of 2)
G402 (2 of 2)
G401
G401
G402 (2 of 2)
G401