GM Service Manual Online
For 1990-2009 cars only
Makes
🢒
Cadillac
🢒
2007
🢒
CTS
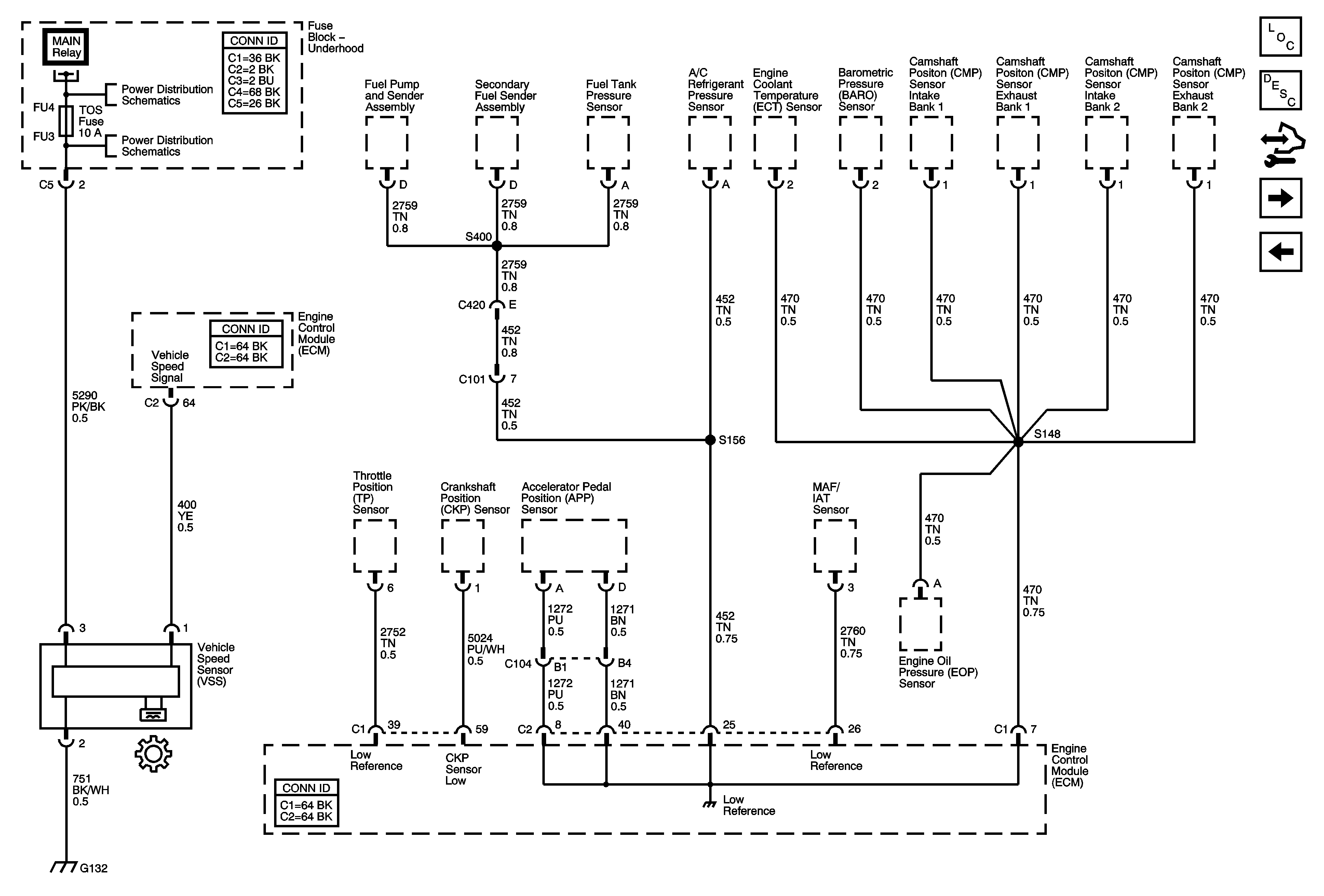
🢒 Engine Data Sensors - Low Reference Bus
Engine Data Sensors - Low Reference Bus
Engine Data Sensors - Low Reference Bus
Master Electrical Component List
Engine Control Module Description
Control Module References
Engine Data Sensors - BARO, ECT, MAF, and IAT Sensors
Engine Data Sensors - 5-Volt Reference Bus
Underhood Fuse Block B+ BUS 2 of 2
Underhood Fuse Block B+ BUS 2 of 2
G130, G131, G132 and G133 (LP1/LY7)