GM Service Manual Online
For 1990-2009 cars only
Makes
🢒
Cadillac
🢒
2007
🢒
CTS
🢒 Indicator, Gage and DIC
Indicator, Gage and DIC
Indicator, Gage, and DIC
Master Electrical Component List
Cooling System Description and Operation
Control Module References
Cooling Fans - 2.8L/3.6L (LP1/LY7)
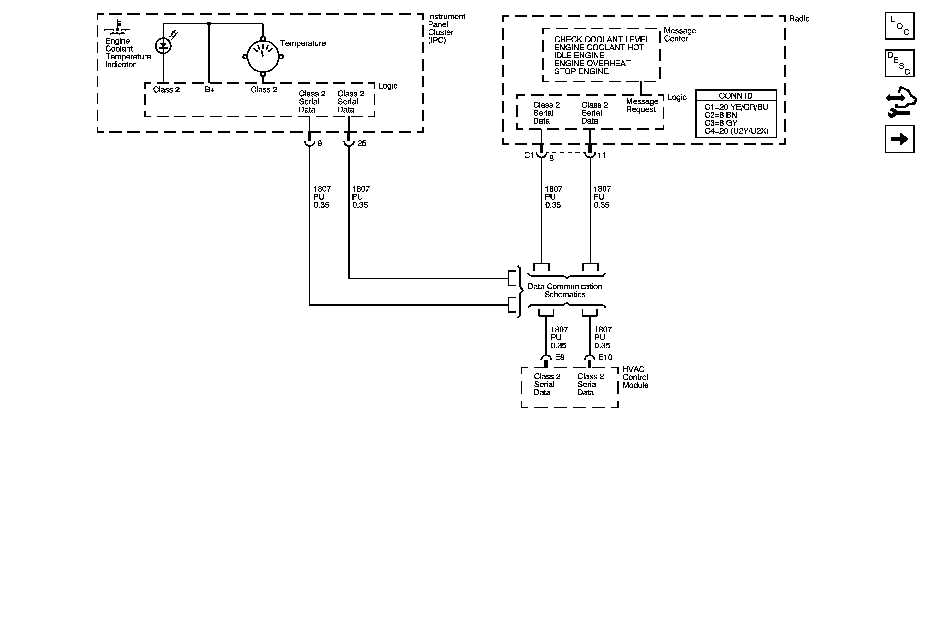
Class 2 Serial Data Bus - LHD (2 of 2)