GM Service Manual Online
For 1990-2009 cars only
Makes
🢒
Cadillac
🢒
2007
🢒
CTS
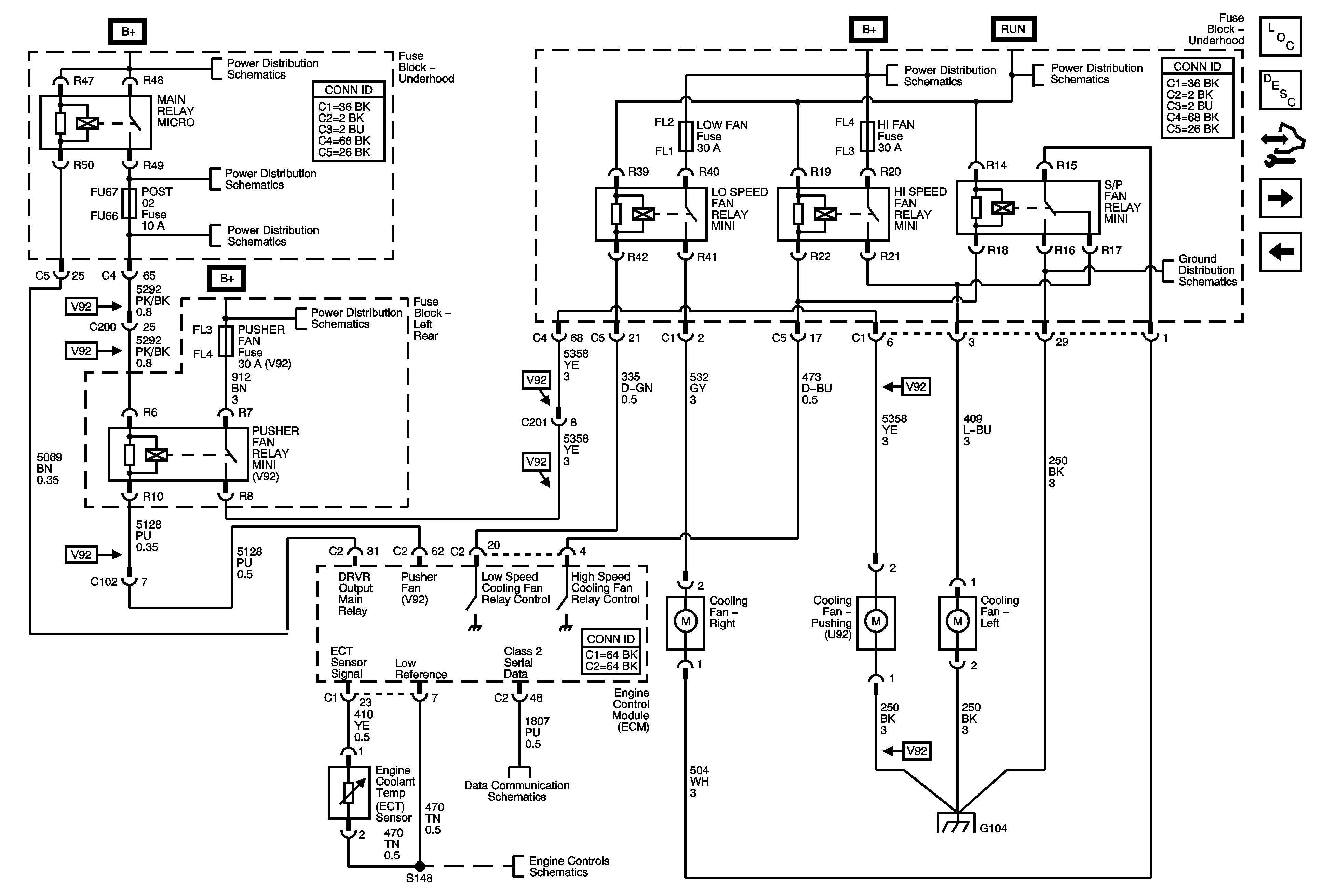
🢒 Cooling Fans - 2.8L/3.6L (LP1/LY7)
Cooling Fans - 2.8L/3.6L (LP1/LY7)
Cooling Fans - 2.8L/3.6L (LP1/LY7)
Master Electrical Component List
Cooling System Description and Operation
Control Module References
Cooling Fans - 6.0L (LS2)
Indicator, Gage and DIC
Underhood Fuse Block B+ BUS 2 of 2
Underhood Fuse Block B+ 1 of 2
Underhood Fuse Block B+ 1 of 2
Wiring Systems and Power Management Power Distribution Underhood Fuse Block Post O2 Fuse
Wiring Systems and Power Management Power Distribution Underhood Fuse Block Post O2 Fuse
Underhood Fuse Block B+ BUS 2 of 2
G104 1 of 2
Class 2 Serial Data Bus - LHD (1 of 2)
Engine Data Sensors - Low Reference Bus
G104 1 of 2