GM Service Manual Online
For 1990-2009 cars only
Makes
🢒
Cadillac
🢒
2007
🢒
CTS
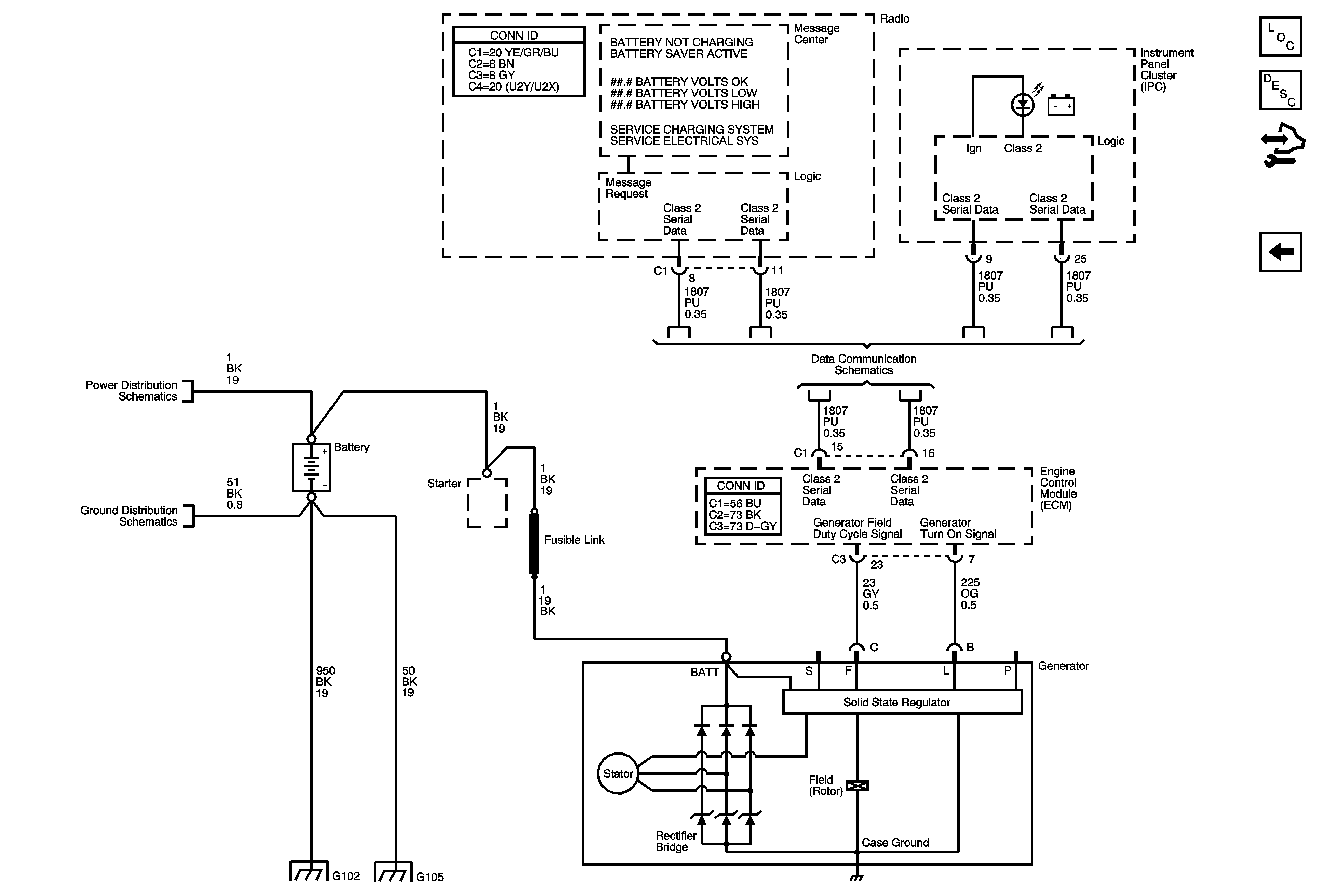
🢒 Charging System - 6.0L (LS2)
Charging System - 6.0L (LS2)
Charging System - 6.0L (LS2)
Master Electrical Component List
Starting System Description and Operation
Control Module References
Charging System - 2.8L/3.6L (LP1/LY7)
Underhood Fuse Block B+ 1 of 2
Class 2 Serial Data Bus - LHD (1 of 2)
G102, G105, G110, G303, G304, and G306
G102, G105, G110, G303, G304, and G306
G102, G105, G110, G303, G304, and G306