GM Service Manual Online
For 1990-2009 cars only
Makes
🢒
Cadillac
🢒
2007
🢒
CTS
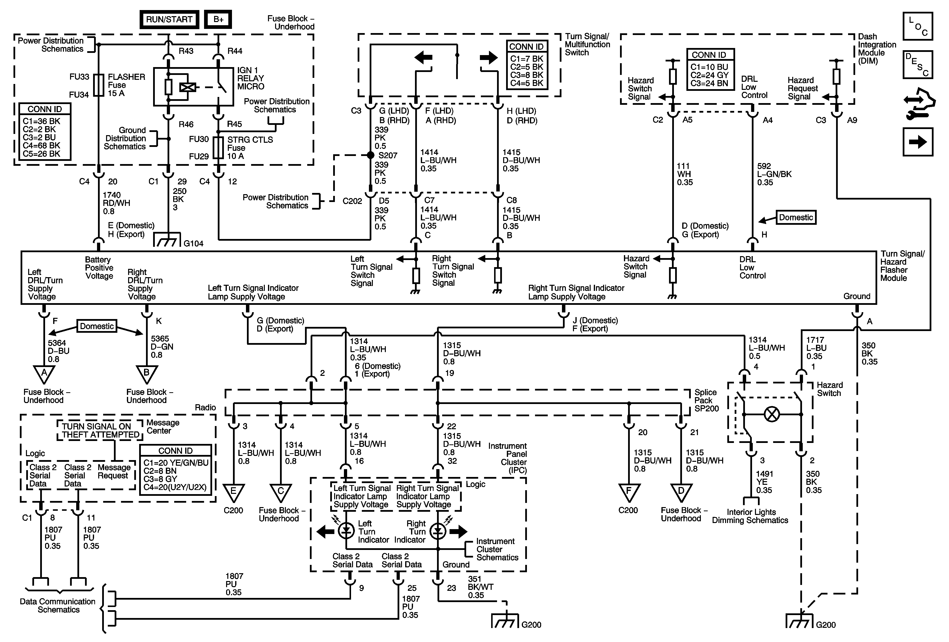
🢒 Turn Signal/Hazard Flasher Module
Turn Signal/Hazard Flasher Module
Turn Signal/Hazard Flasher Module
Master Electrical Component List
Exterior Lighting Systems Description and Operation
Control Module References
Turn SIgnal Lamps (Domestic and Export) Repeator Lamps (Export w/T90)
Underhood Fuse Block B+ BUS 2 of 2
G104 1 of 2
G104 1 of 2
Underhood Fuse Block Wash noz, Strg (TL) and IGN MOD/MAF Fuses
Turn SIgnal Lamps (Domestic and Export) Repeator Lamps (Export w/T90)
Turn SIgnal Lamps (Domestic and Export) Repeator Lamps (Export w/T90)
Class 2 Serial Data Bus - LHD (2 of 2)
Turn SIgnal Lamps (Domestic and Export) Repeator Lamps (Export w/T90)
Turn SIgnal Lamps (Domestic and Export) Repeator Lamps (Export w/T90)
G200
Turn SIgnal Lamps (Domestic and Export) Repeator Lamps (Export w/T90)
Turn SIgnal Lamps (Domestic and Export) Repeator Lamps (Export w/T90)
Power, Ground and Serial Data 1 of 2
G200