GM Service Manual Online
For 1990-2009 cars only
Makes
🢒
Cadillac
🢒
2007
🢒
CTS
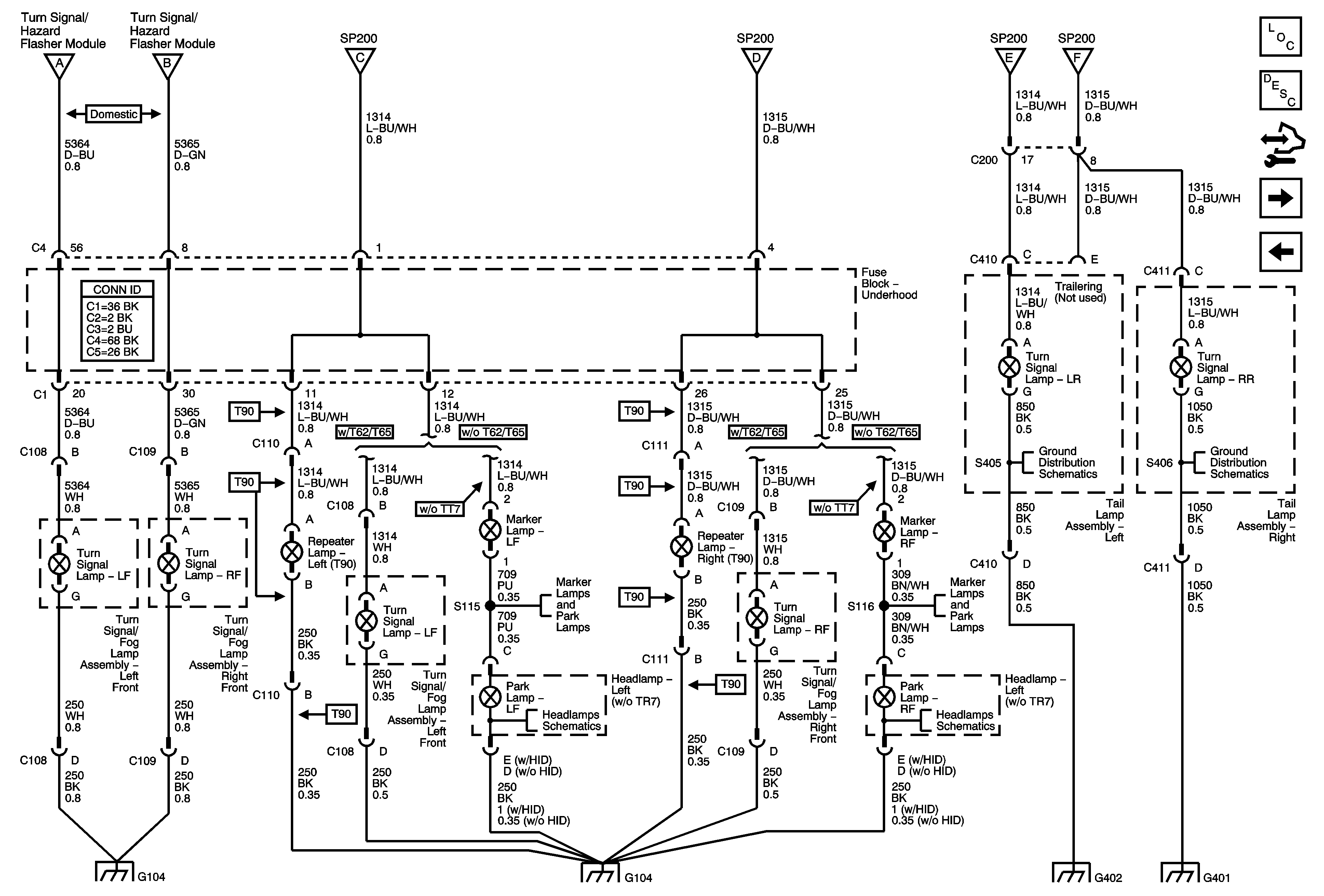
🢒 Turn SIgnal Lamps (Domestic and Export) Repeator Lamps (Export w/T90)
Turn SIgnal Lamps (Domestic and Export) Repeator Lamps (Export w/T90)
Turn Signal Lamps - Domestic and Export, Repeater Lamps - Export w/T90
Master Electrical Component List
Exterior Lighting Systems Description and Operation
Control Module References
Front Marker Lamps (w/TT7) and Front Park Lamps (w/o TT7)
Turn Signal/Hazard Flasher Module
Turn Signal/Hazard Flasher Module
Turn Signal/Hazard Flasher Module
Turn Signal/Hazard Flasher Module
Turn Signal/Hazard Flasher Module
Turn Signal/Hazard Flasher Module
Turn Signal/Hazard Flasher Module
G402 (2 of 2)
G401
Front Marker Lamps (w/TT7) and Front Park Lamps (w/o TT7)
G402 (2 of 2)
Lighting Headlights/DRL (Headlamps)
G104 1 of 2
Lighting Headlights/DRL (Headlamps)
G104 1 of 2
G402 (2 of 2)
G401