GM Service Manual Online
For 1990-2009 cars only
Makes
🢒
Cadillac
🢒
2007
🢒
CTS
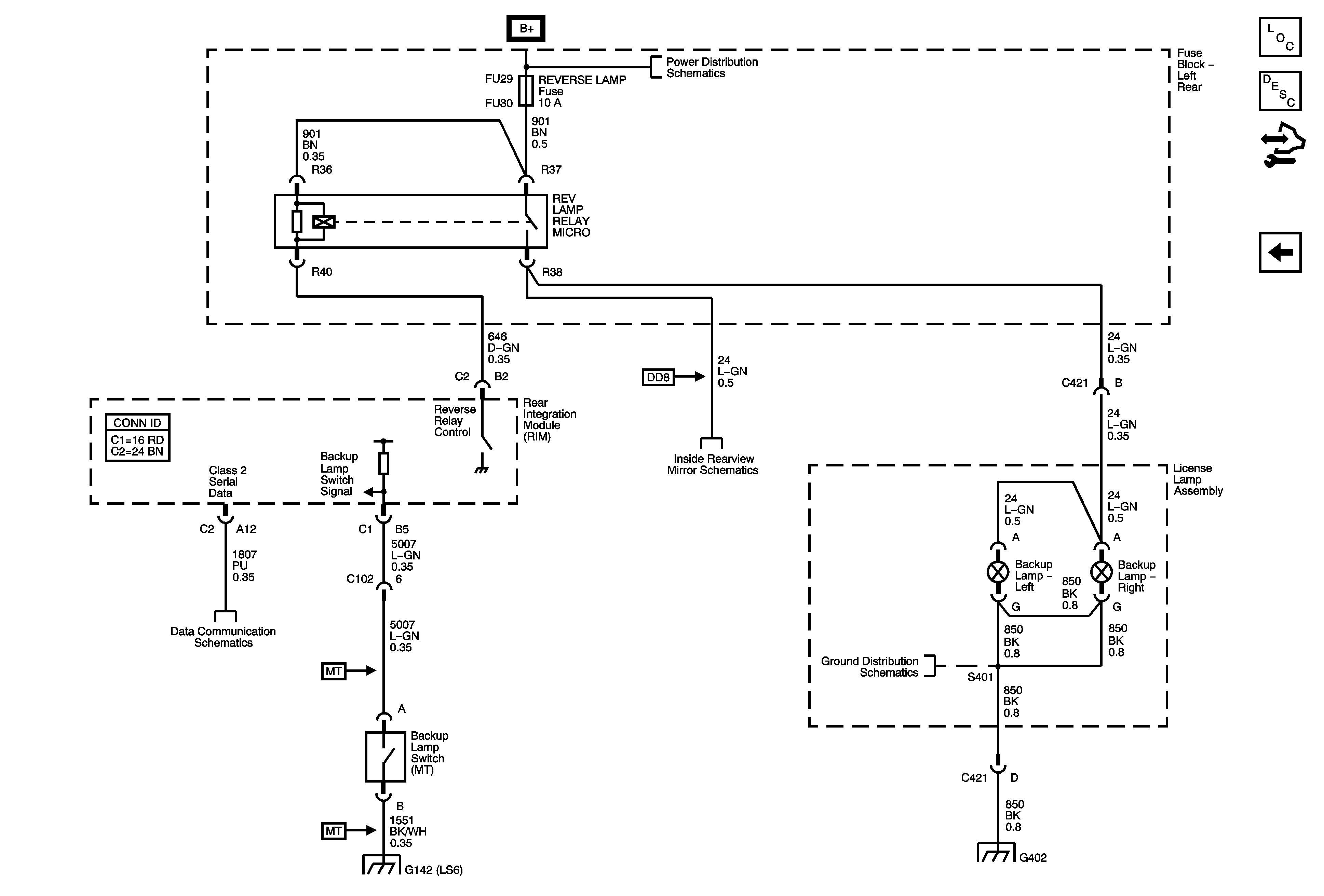
🢒 Backup Lamps
Backup Lamps
Backup Lamps
Master Electrical Component List
Exterior Lighting Systems Description and Operation
Control Module References
Stop Lamps, BPP Sensor and BAS Fuse/Relay (Domestic and Export)
Underhood Fuse Block B+ BUS 2 of 2
Class 2 Serial Data Bus - LHD (2 of 2)
G140, G141, and G142 (LS2)
Mirror Inside Rearview Mirror (UE1) Schematics
G402 (2 of 2)
G402 (2 of 2)