GM Service Manual Online
For 1990-2009 cars only
Makes
🢒
Cadillac
🢒
2007
🢒
CTS
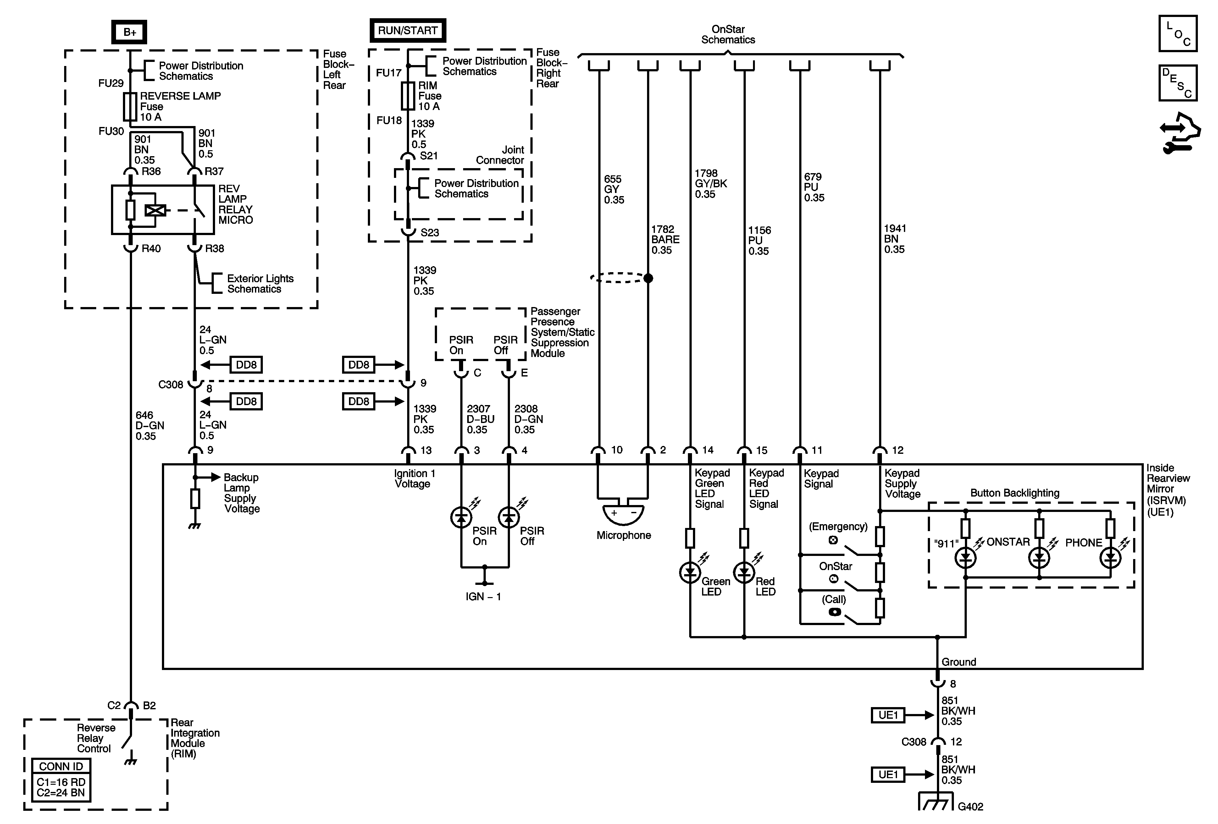
🢒 Mirror Inside Rearview Mirror (UE1) Schematics
Mirror Inside Rearview Mirror (UE1) Schematics
UE1
Master Electrical Component List
Automatic Day-Night Mirror Description and Operation
Control Module References
Underhood Fuse Block B+ BUS 2 of 2
Right Rear Fuse Block B+ Bus
Backup Lamps
Right Rear Fuse Block IGN 1 Relay, Airbag, RIM, ABS, PSGR DR MOD, and TV/VICS Fuses
G402 (1 of 2)