GM Service Manual Online
For 1990-2009 cars only
Makes
🢒
Cadillac
🢒
2007
🢒
CTS
🢒 Driver Outside Mirror (A45)
Driver Outside Mirror (A45)
Driver Outside Mirror (A45)
Master Electrical Component List
Outside Mirror Description and Operation
Control Module References
Passenger Outside Rearview Mirror (A45)
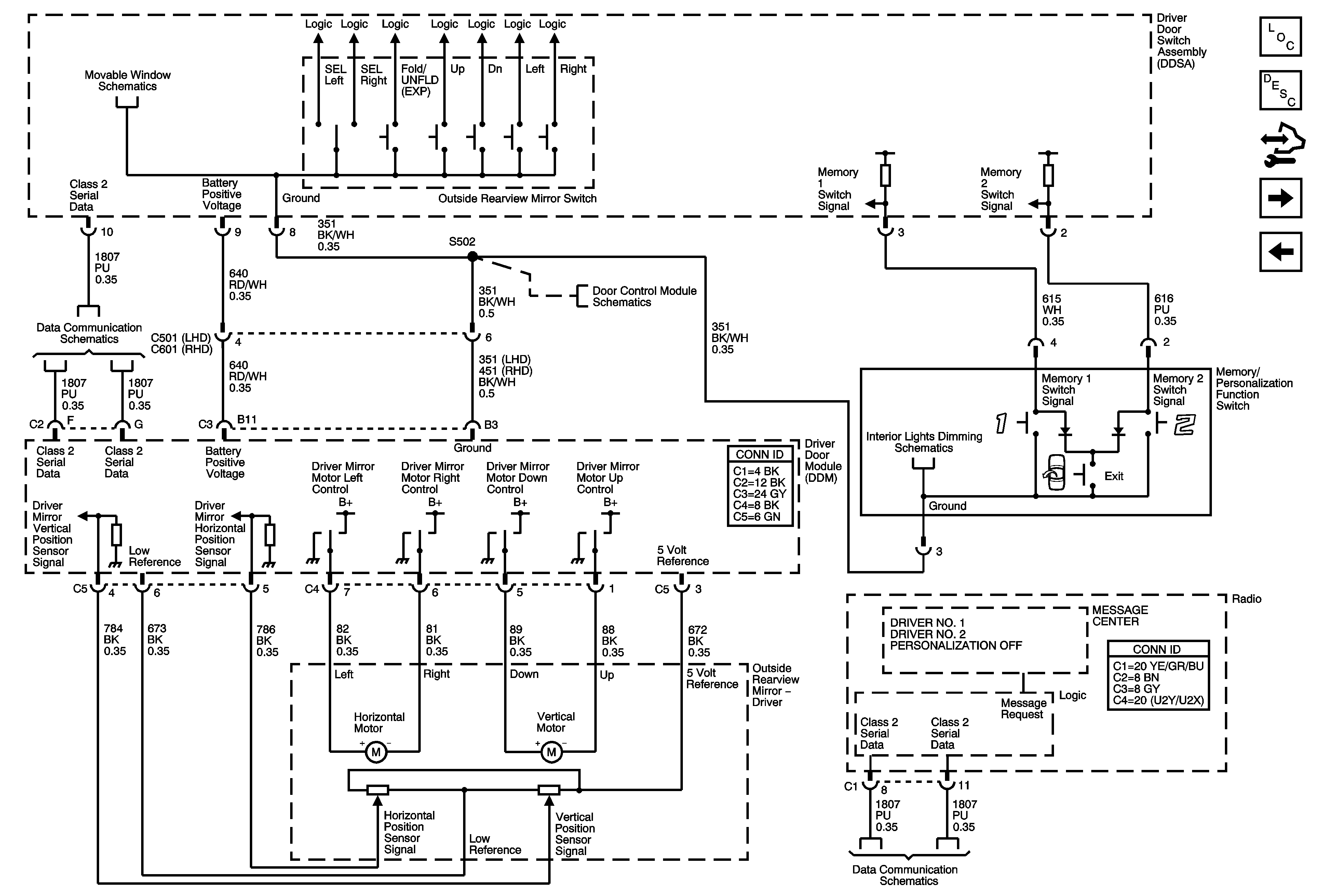
Outsice Rearview Mirrors, Driver Door Switch Assembly (DDSA) and Front Door Modules
Front Power Window Switches and Motor
Class 2 Serial Data Bus - LHD (1 of 2)
Power, Ground and Serial Data 2 of 2
Power, Ground and Serial Data 2 of 2
Class 2 Serial Data Bus - LHD (2 of 2)