GM Service Manual Online
For 1990-2009 cars only
Makes
🢒
Cadillac
🢒
2007
🢒
CTS
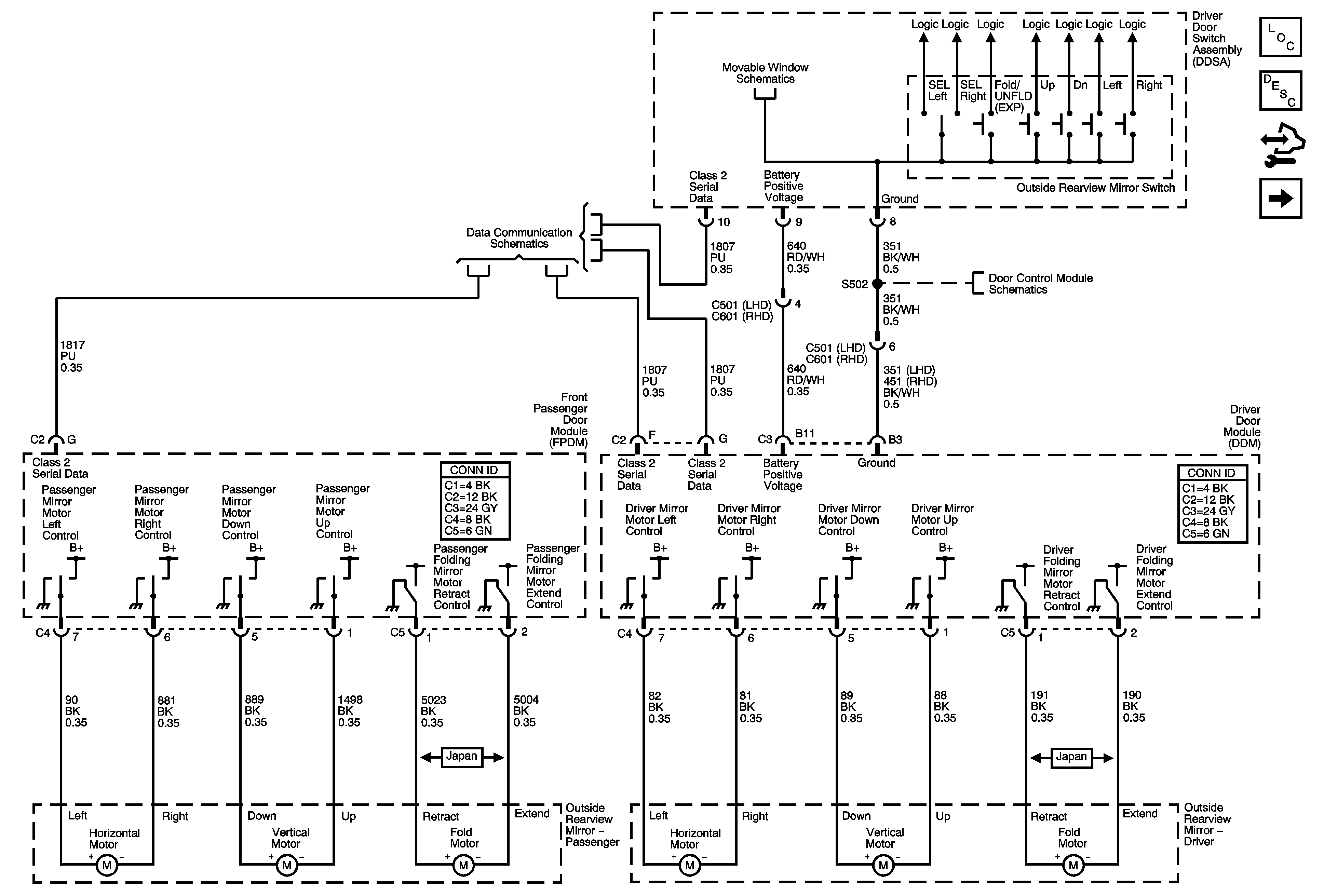
🢒 Outsice Rearview Mirrors, Driver Door Switch Assembly (DDSA) and Front Door Modules
Outsice Rearview Mirrors, Driver Door Switch Assembly (DDSA) and Front Door Modules
Outside Rearview Mirrors, Driver Door Switch Assembly (DDSA), and Front Door Modules
Master Electrical Component List
Outside Mirror Description and Operation
Control Module References
Driver Outside Mirror (A45)
Class 2 Serial Data Bus - LHD (2 of 2)
Front Power Window Switches and Motor
Driver Door Module (DDM) Power, Ground and Serial Data