GM Service Manual Online
For 1990-2009 cars only
Makes
🢒
Cadillac
🢒
2007
🢒
CTS
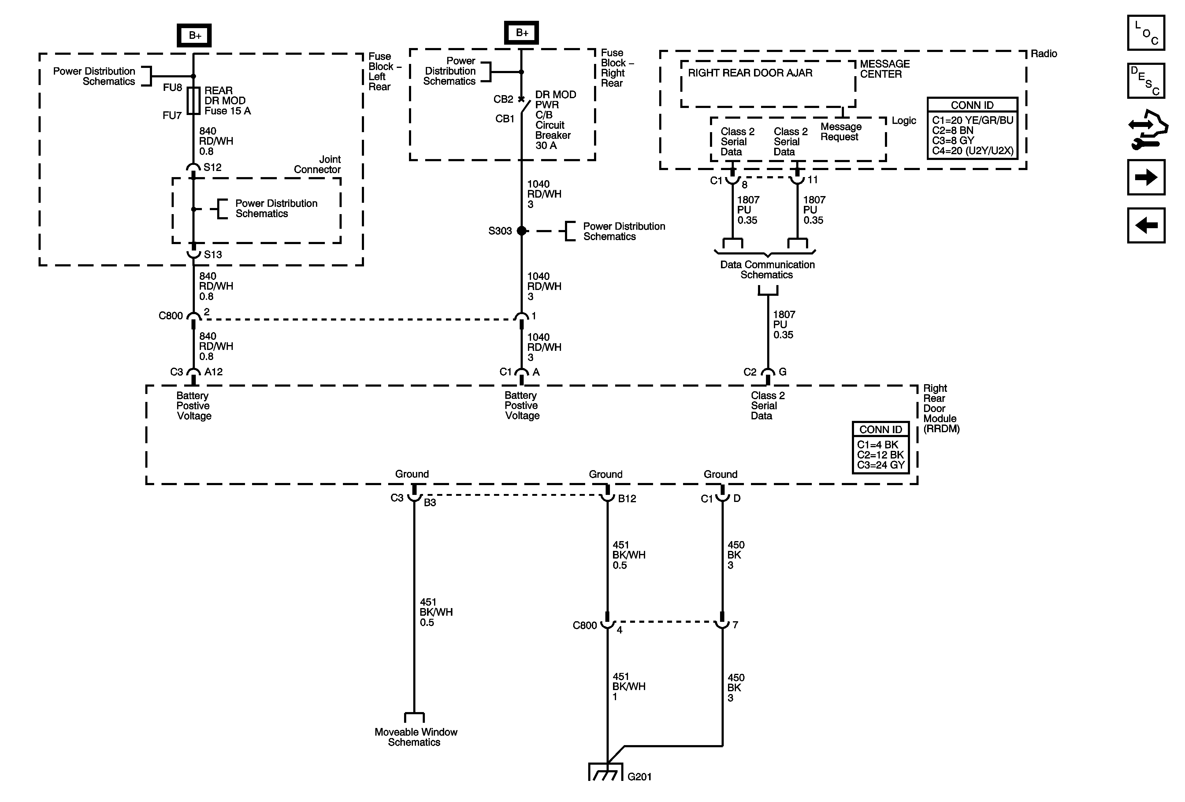
🢒 Right Rear Door Module (RRDM) Power, Ground and Serial Data
Right Rear Door Module (RRDM) Power, Ground and Serial Data
Right Rear Door Module (RRDM) Power, Ground, and Serial Data
Master Electrical Component List
Power Door Locks Description and Operation
Control Module References
RRDM Controlled/Monitored Subsystem References
LRDM Controlled/Monitored Subsystem References
Underhood Fuse Block B+ BUS 2 of 2
Left Rear Fuse Block Seat Circuit Breaker, Trunk Relay/Fuse, Amp, Audio, Driver Dr MOD, and Rear DR MOD Fuse
Rear Power Window Switches and Motors
Right Rear Fuse Block B+ Bus
Right Rear Fuse Block, DR MOD PWR Circuit Breaker Canister Vent, RIM/IGN SW., FRT HTD Seat MOD, and PWR Sander Fuses
G201
Class 2 Serial Data Bus - LHD (2 of 2)