GM Service Manual Online
For 1990-2009 cars only
Makes
🢒
Cadillac
🢒
2007
🢒
CTS
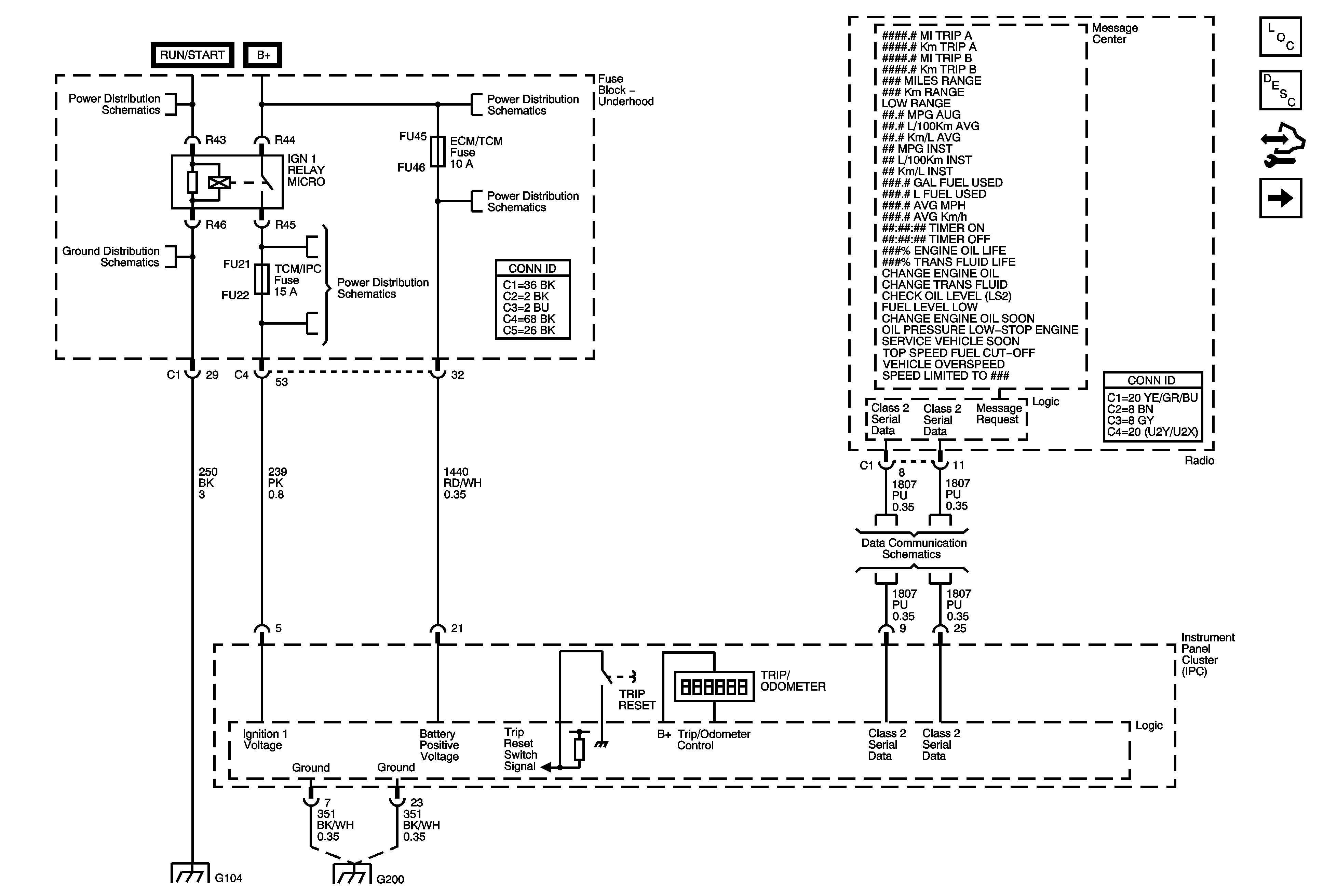
🢒 Power, Ground, Serial Data, Odometer and DIC
Power, Ground, Serial Data, Odometer and DIC
Power, Ground, Serial Data, Odometer, and DIC
Master Electrical Component List
Instrument Cluster Description and Operation
Control Module References
Indicators
Ignition Switch 2 of 2
G104 1 of 2
Ignition Switch 2 of 2
Underhood Fuse Block B+ BUS 2 of 2
Underhood Fuse Block DIM/ALDL, Volt Check, Flasher, CCP, ECM/TCM, and ABS Fuses
Class 2 (1 of 2) Serial Data Bus - RHD
G104 1 of 2
G200