GM Service Manual Online
For 1990-2009 cars only
Makes
🢒
Cadillac
🢒
2007
🢒
CTS
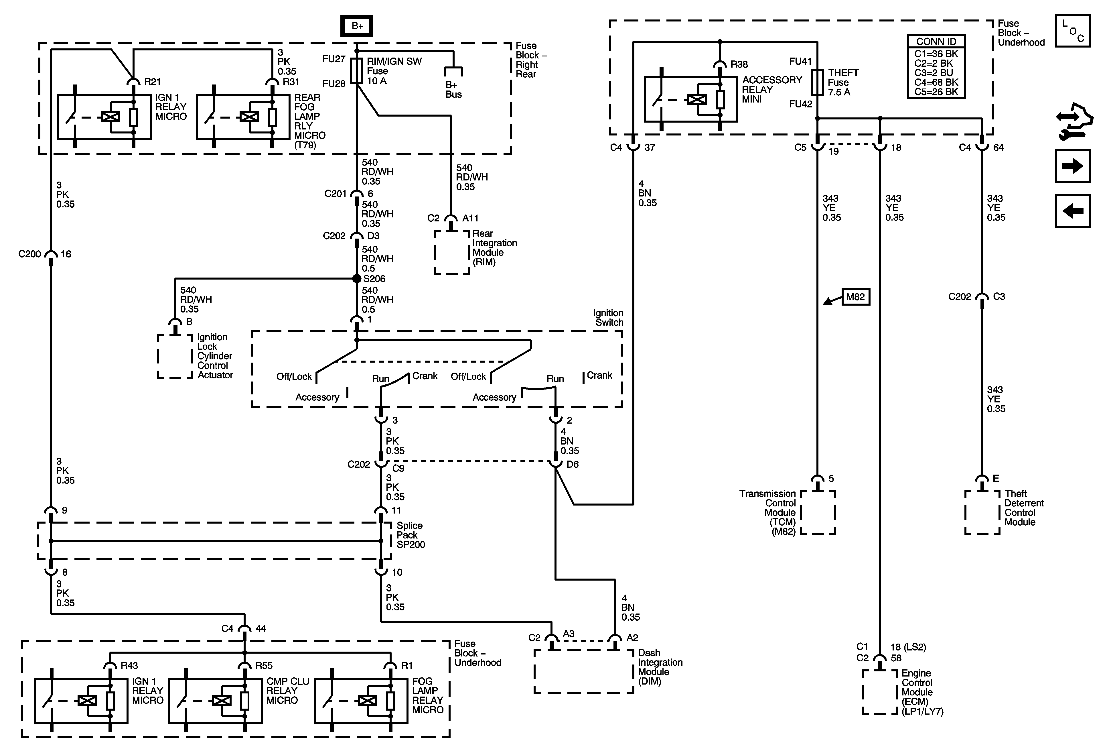
🢒 Ignition Switch 2 of 2
Ignition Switch 2 of 2
Ignition Switch 2 of 2
Master Electrical Component List
Control Module References
Underhood Fuse Block Park Lamp Relay/Fuses and Dimming Fuses
Ignition Switch 1 of 2
Right Rear Fuse Block - DR MOD PWR Circuit Breaker, CANISTER VENT, RIM/IGN SW, R FRT HTD SEAT MOD, and POWER SOUNDER Fuses