GM Service Manual Online
For 1990-2009 cars only
Makes
🢒
Cadillac
🢒
2007
🢒
CTS
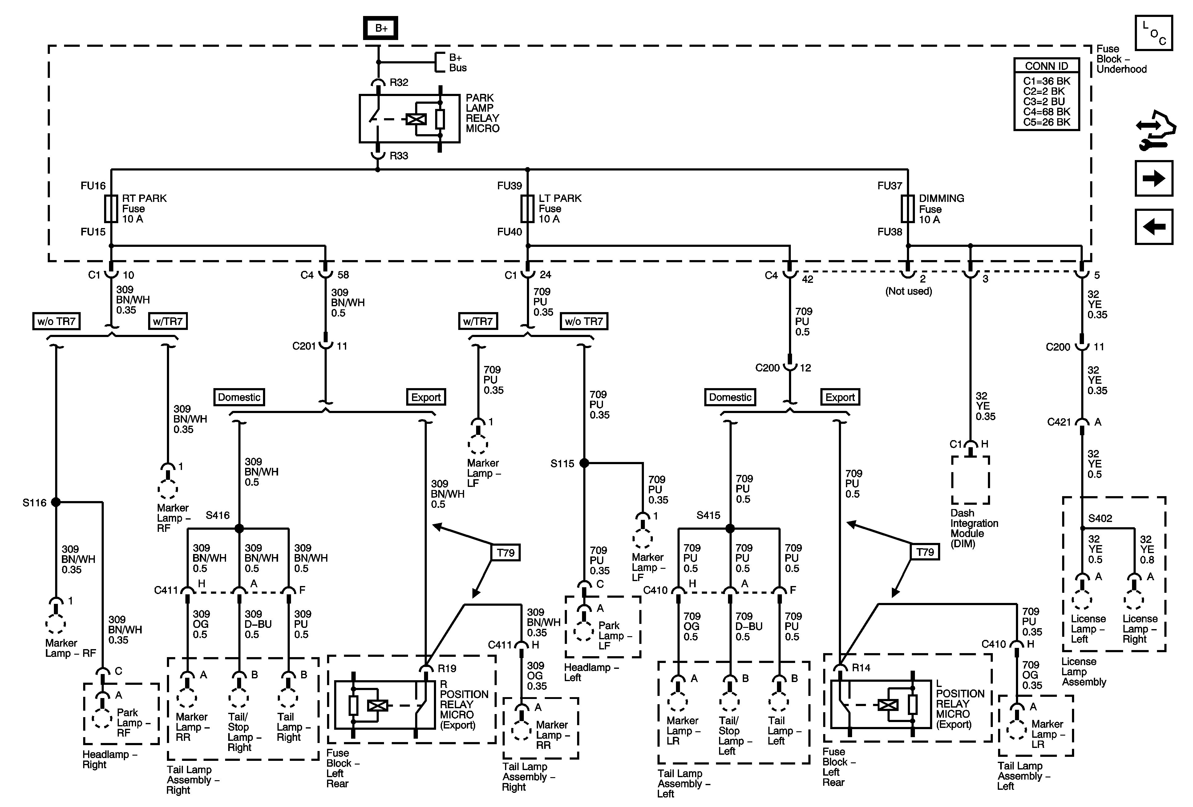
🢒 Underhood Fuse Block Park Lamp Relay/Fuses and Dimming Fuses
Underhood Fuse Block Park Lamp Relay/Fuses and Dimming Fuses
Underhood Fuse Block - PARK LAMP Relay/Fuses and DIMMING Fuse
Master Electrical Component List
Control Module References
Underhood Fuse Block Cooling Fan Fuses/Relays, Main Relay, ECM, and TOS
Ignition Switch 2 of 2
Underhood Fuse Block B+ BUS 2 of 2