GM Service Manual Online
For 1990-2009 cars only
Makes
🢒
Cadillac
🢒
2007
🢒
CTS
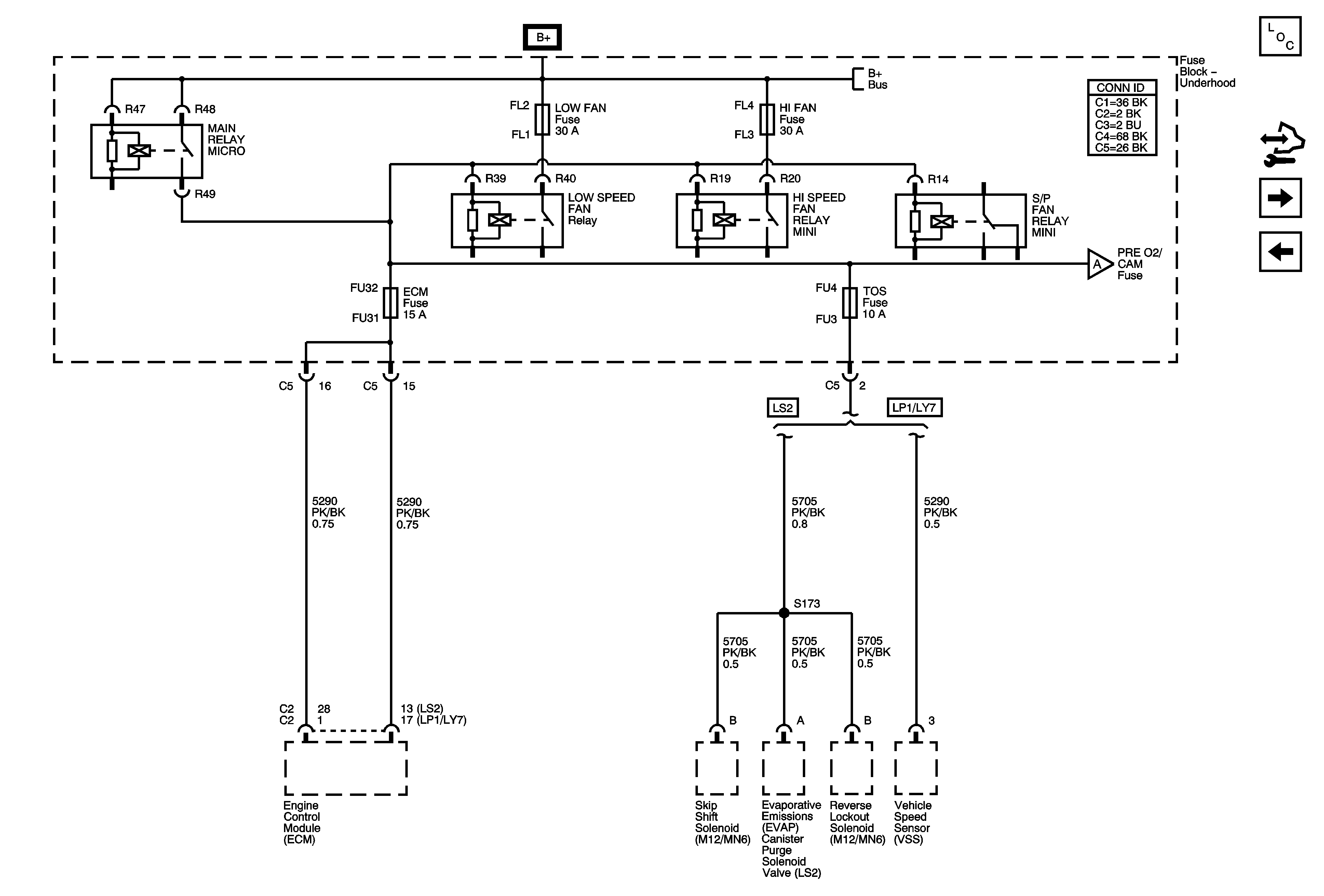
🢒 Underhood Fuse Block Cooling Fan Fuses/Relays, Main Relay, ECM, and TOS
Underhood Fuse Block Cooling Fan Fuses/Relays, Main Relay, ECM, and TOS
Underhood Fuse Block - COOLING FAN Fuses/Relays, MAIN Relay, ECM, and TOS
Master Electrical Component List
Control Module References
Underhood Fuse Block Pre O2/CAM Fuse
Underhood Fuse Block Park Lamp Relay/Fuses and Dimming Fuses
Underhood Fuse Block B+ BUS 2 of 2
Underhood Fuse Block Pre O2/CAM Fuse