GM Service Manual Online
For 1990-2009 cars only
Makes
🢒
Cadillac
🢒
2008
🢒
CTS
🢒
Power and Signal Distribution
🢒
Data Communications
🢒 Remote Function Schematics
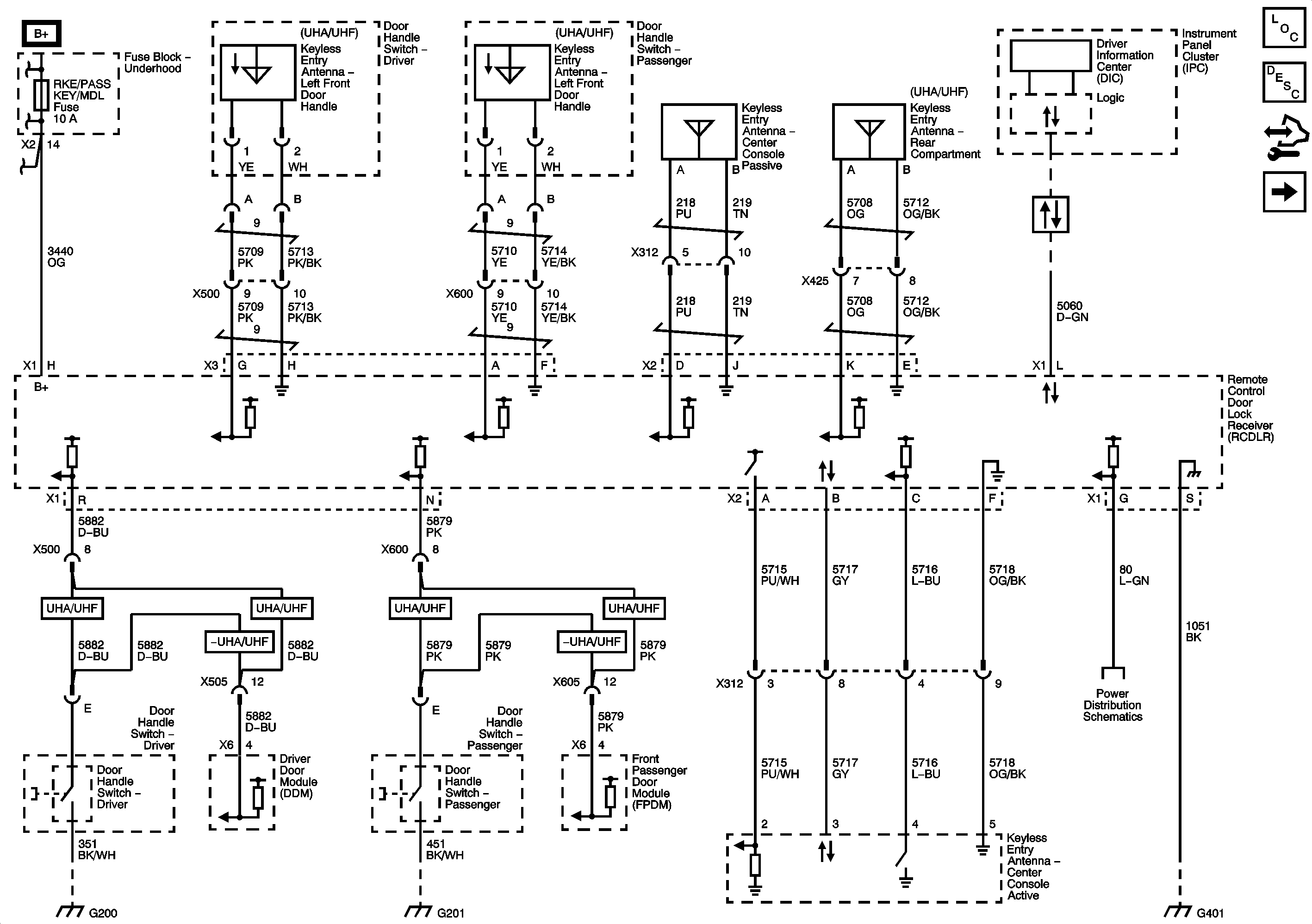
Figure
1:
Power, Grounds, Antennas, Indicator and Release Switch
Master Electrical Component List
Keyless Entry System Description and Operation with RPO Y41
Control Module References
Hood Ajar Switch
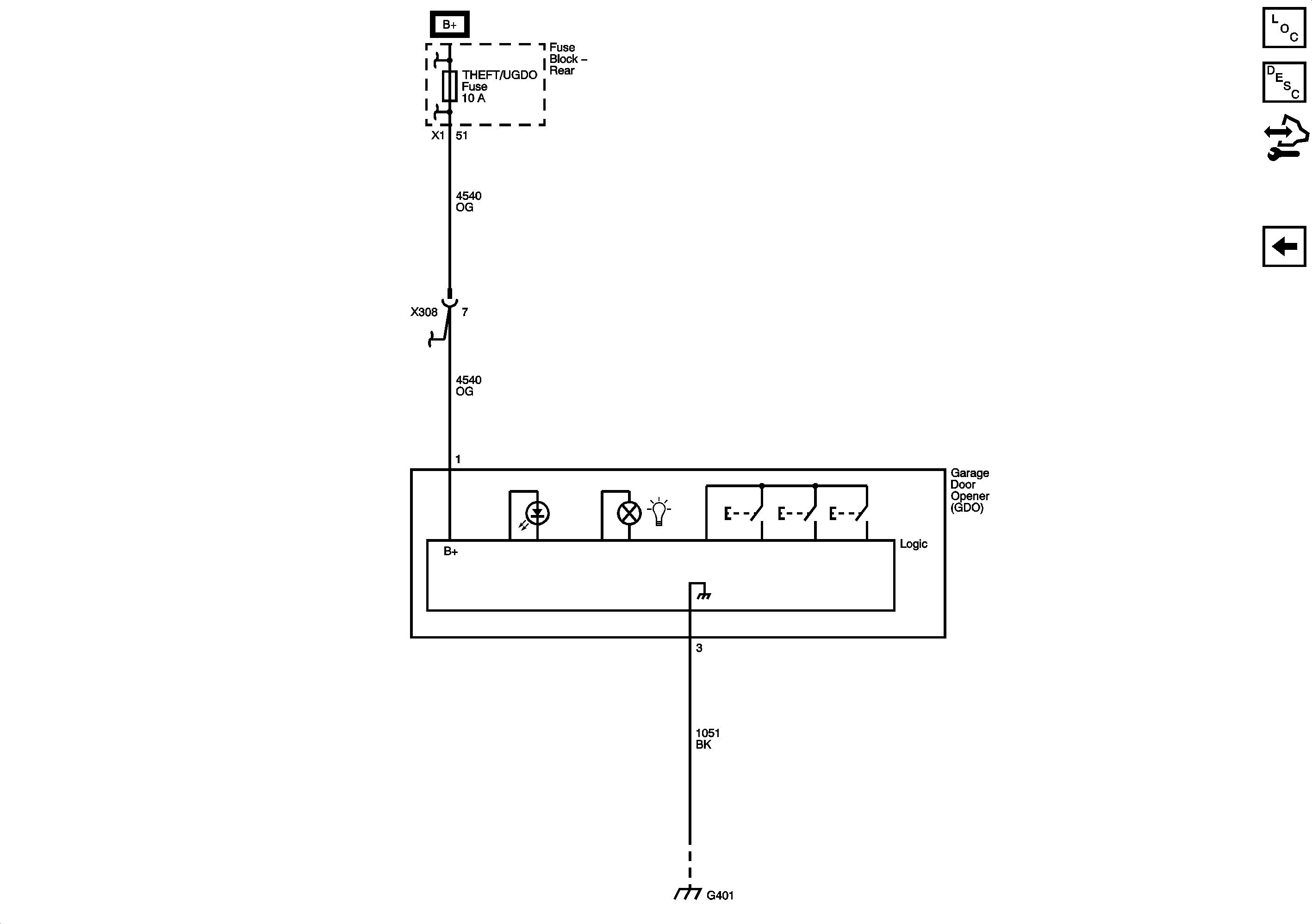
Figure
2:
Garage Door Opener - UG1
Master Electrical Component List
Garage Door Opener Description and Operation
Control Module References
Hood Ajar Switch