GM Service Manual Online
For 1990-2009 cars only
Figure 1:

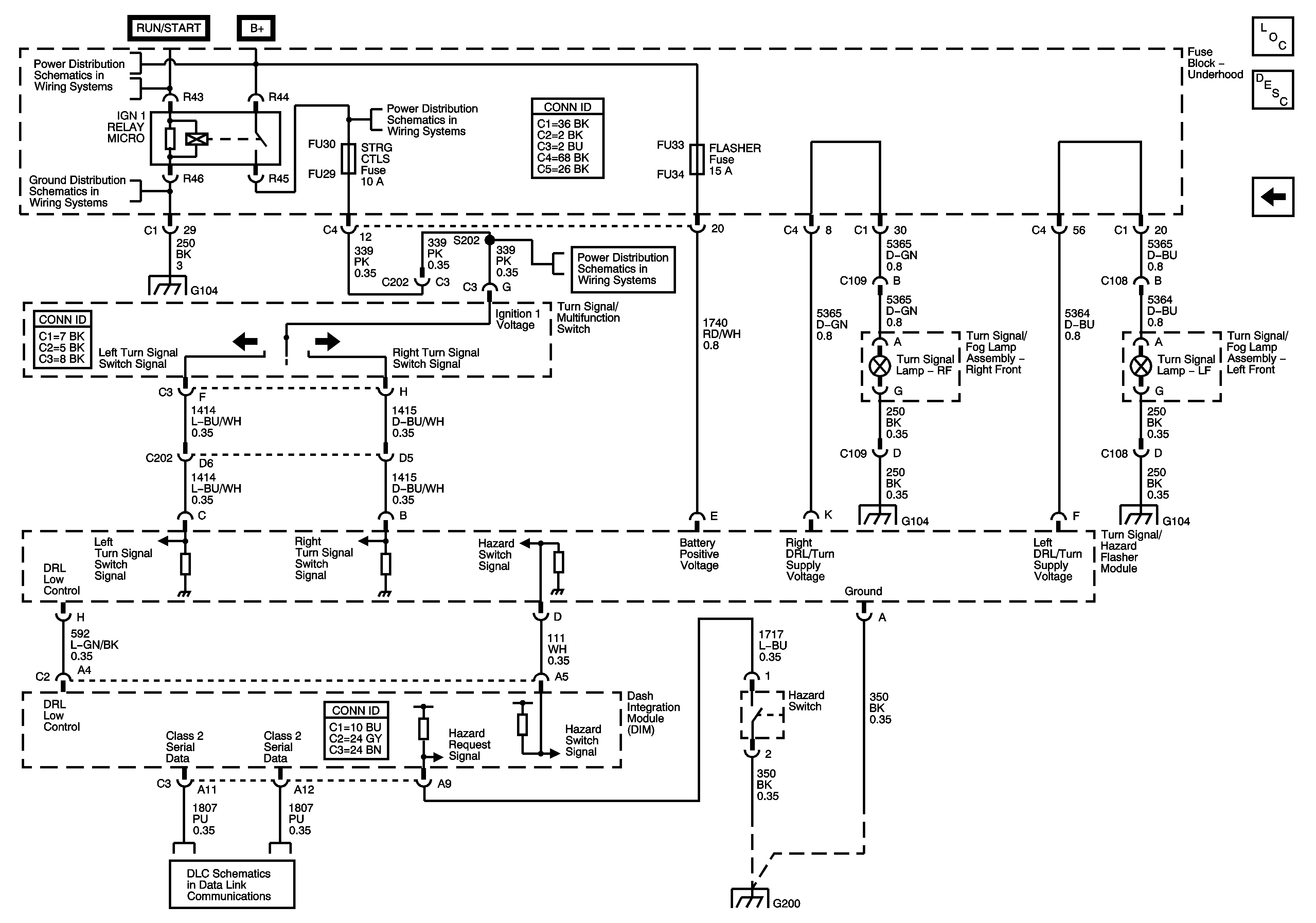
Turn Signal/Multi-Function Switch


Object Number: 638487  Size: FS
Exterior Lighting Schematics Headlamp assemblys, Power
Exterior Lighting Schematics Power, Headlamp Switch, DIM
Class 2 (LHD) 1 of 2
Class 2 (LHD) 1 of 2
Exterior Lighting Schematics Headlamp assemblys, Power
Exterior Lighting Schematics Headlamp assemblys, Power
Figure 2:

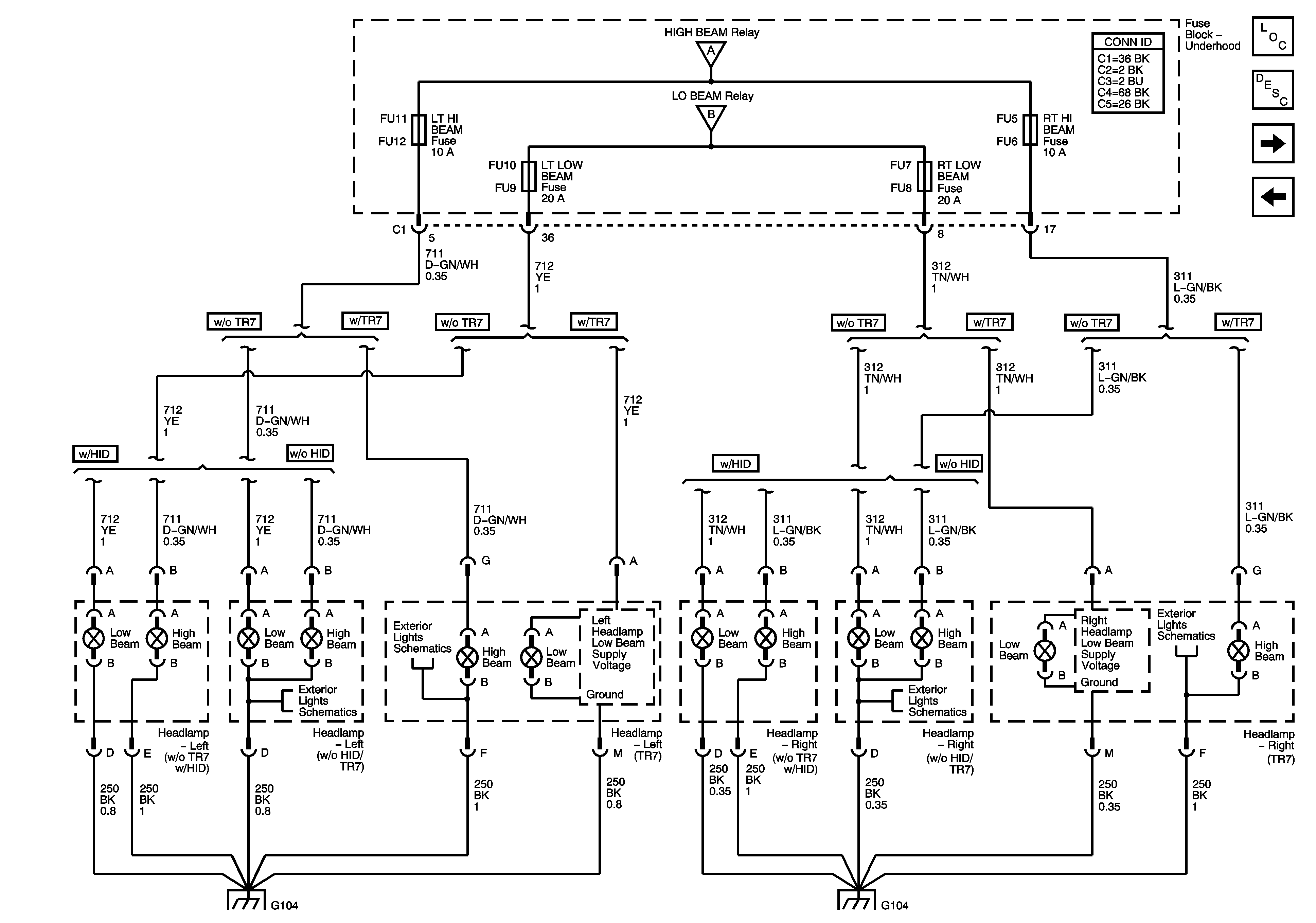
Headlamps


Object Number: 638488  Size: FS
Headlamp Schematics ( Export Daytime Running Lights (DRL) )
Exterior Lighting Schematics Headlamp Switch, DIM
Exterior Lighting Schematics Power, Headlamp Switch, DIM
Exterior Lighting Schematics Power, Headlamp Switch, DIM
Exterior Lighting Schematics Power, Headlamp Switch, DIM
Exterior Lighting Schematics Power, Headlamp Switch, DIM
Exterior Lighting Schematics Headlamp Switch, DIM
Exterior Lighting Schematics Headlamp Switch, DIM
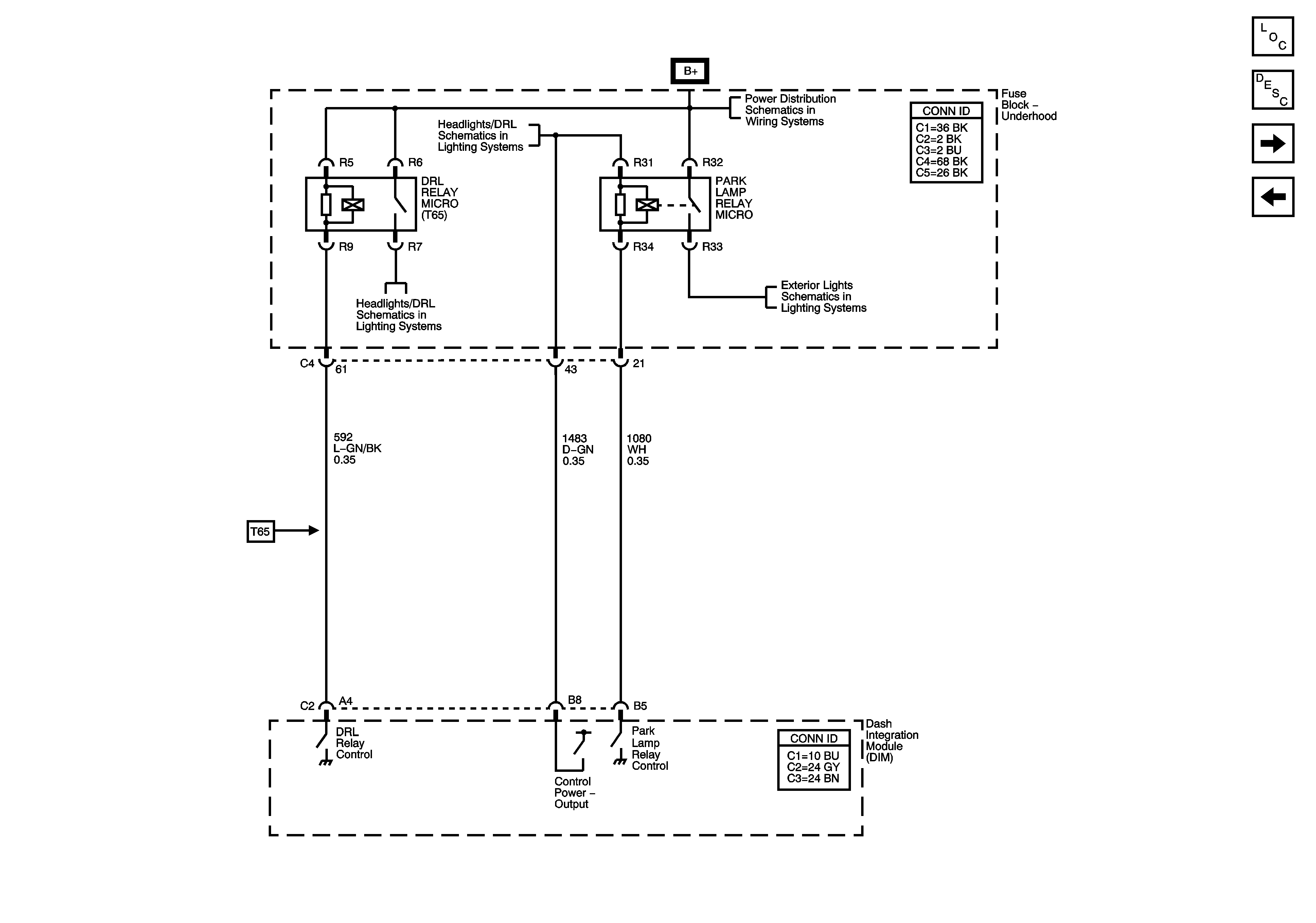
Figure 3:

Export Daytime Running Lamps (DRL)


Object Number: 821153  Size: FS
Headlamp Schematics ( Domestic Daytime Running Lights (DRL) )
Exterior Lighting Schematics Headlamp assemblys, Power
Class 2 (LHD) 1 of 2
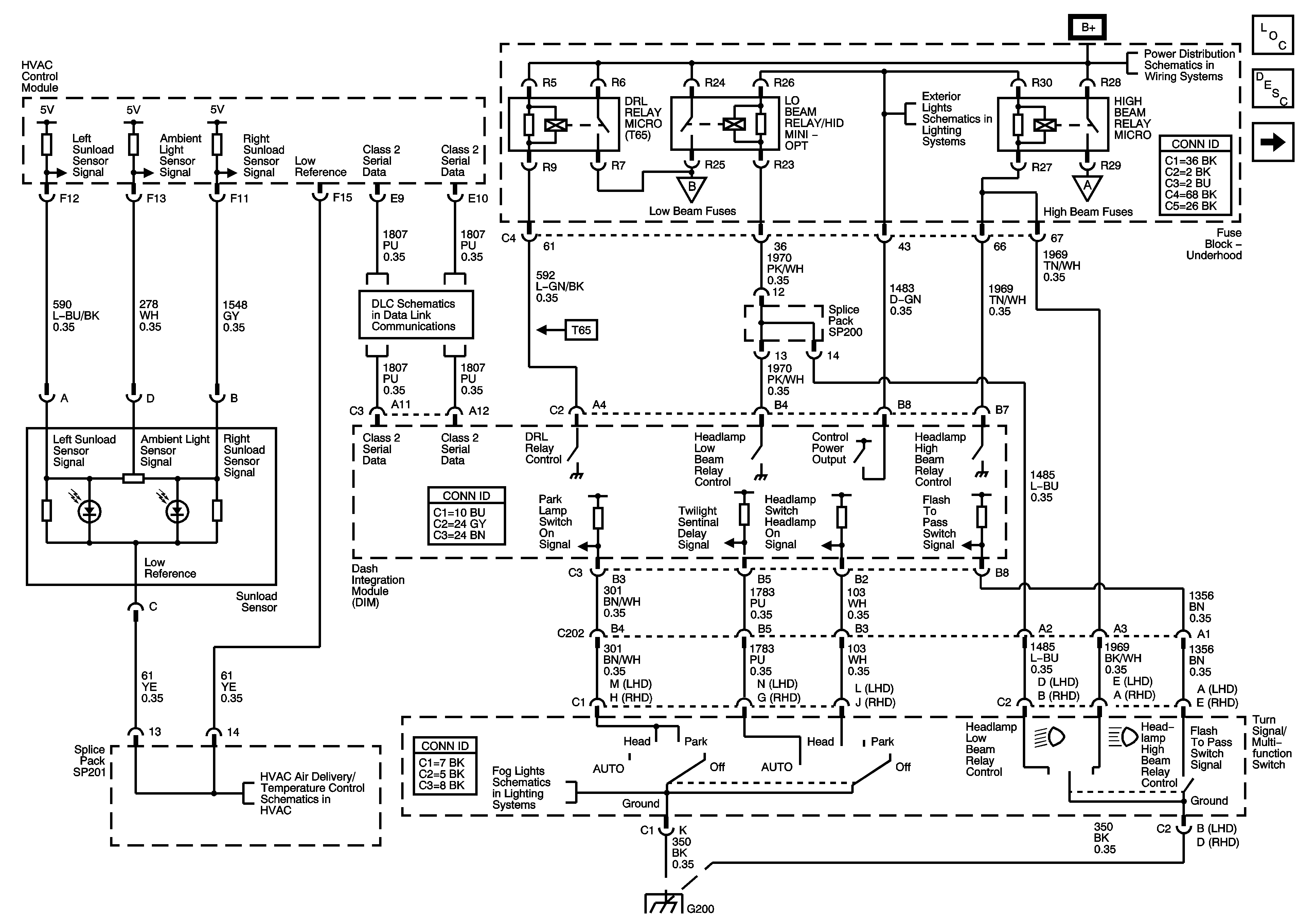
Figure 4:

Domestic Daytime Running Lamps (DRL)


Object Number: 821154  Size: FS
Headlamp Schematics ( Export Daytime Running Lights (DRL) )
Class 2 (LHD) 1 of 2