GM Service Manual Online
For 1990-2009 cars only
Makes
🢒
Cadillac
🢒
2003
🢒
CTS - RHD
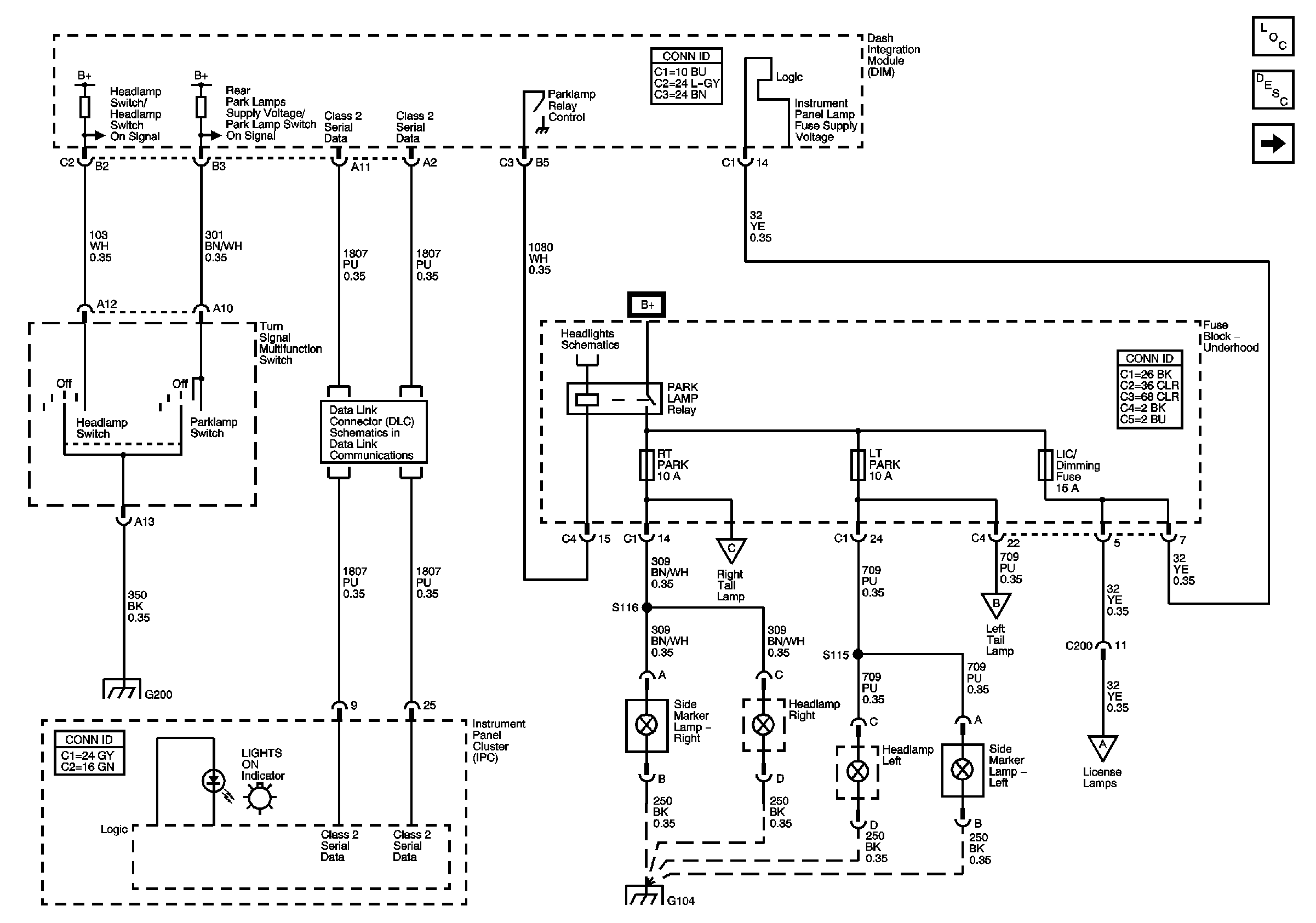
🢒 Exterior Lighting Schematics Power, Headlamp Switch, DIM
Exterior Lighting Schematics Power, Headlamp Switch, DIM
Exterior Lighting System Schematics Turn/Hazard Flasher Module, RIM
Exterior Lighting System Schematics Turn/Hazard Flasher Module, RIM
Exterior Lighting System Schematics Turn/Hazard Flasher Module, RIM
Exterior Lighting System Schematics Turn/Hazard Flasher Module, RIM
Class 2 (LHD) 1 of 2