GM Service Manual Online
For 1990-2009 cars only
Makes
🢒
Cadillac
🢒
2003
🢒
CTS - RHD
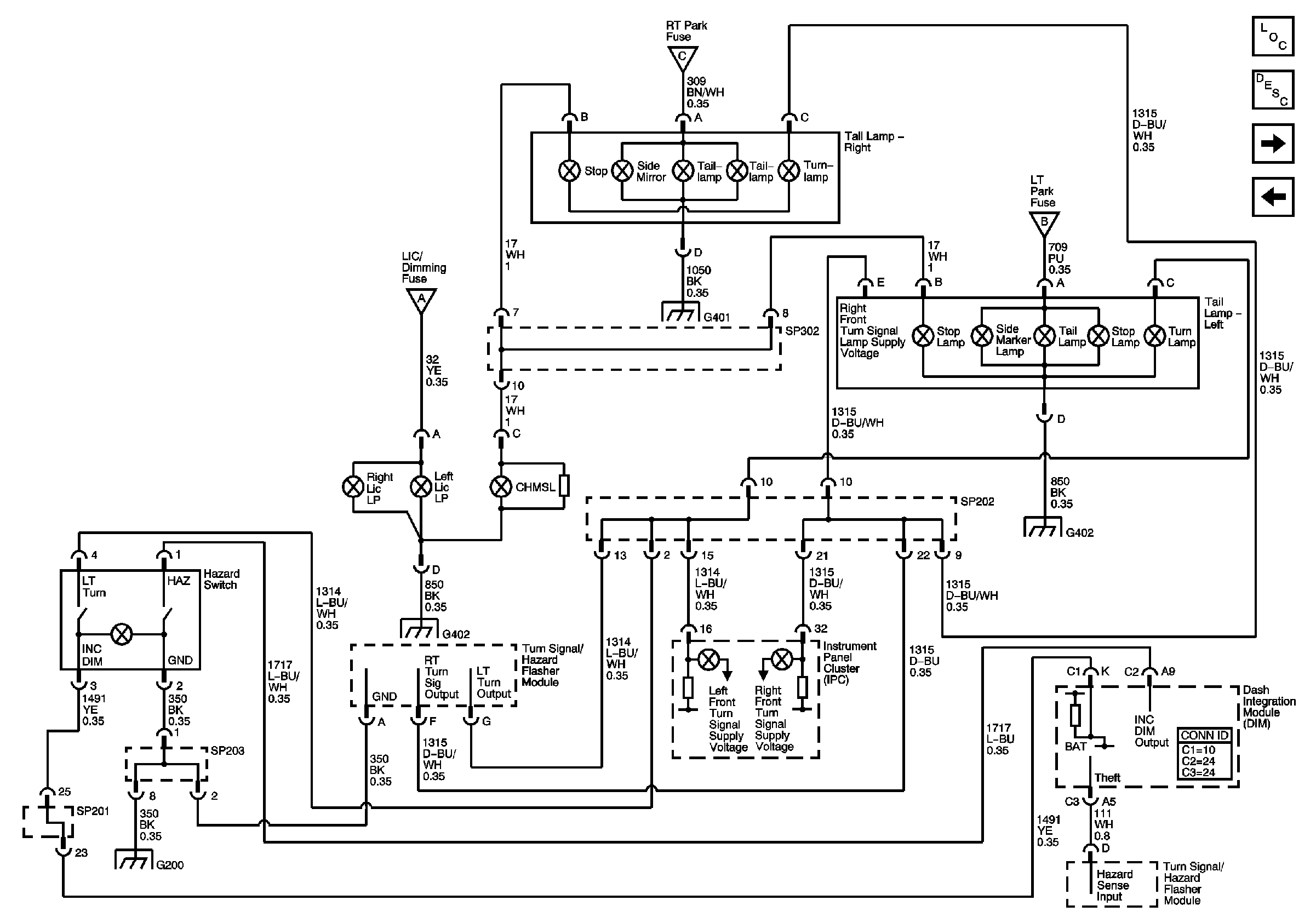
🢒 Exterior Lighting System Schematics Turn/Hazard Flasher Module, RIM
Exterior Lighting System Schematics Turn/Hazard Flasher Module, RIM
Exterior Lighting System Schematics Export License Lamp, Power, Ground
Exterior Lighting Schematics Power, Headlamp Switch, DIM
Exterior Lighting Schematics Power, Headlamp Switch, DIM
Exterior Lighting Schematics Power, Headlamp Switch, DIM
Exterior Lighting Schematics Power, Headlamp Switch, DIM