GM Service Manual Online
For 1990-2009 cars only
Makes
🢒
Cadillac
🢒
2003
🢒
CTS - RHD
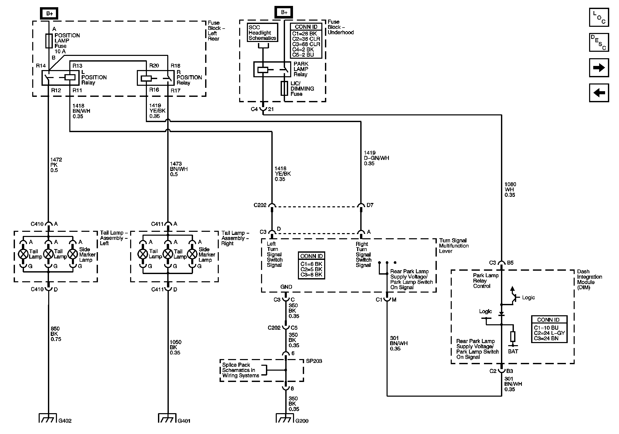
🢒 Exterior Lighting System SchematicsExport License Lamp, Power, Ground
Exterior Lighting System SchematicsExport License Lamp, Power, Ground
Exterior Lighting System Schematics Turn/Hazard Flasher Module, RIM