GM Service Manual Online
For 1990-2009 cars only

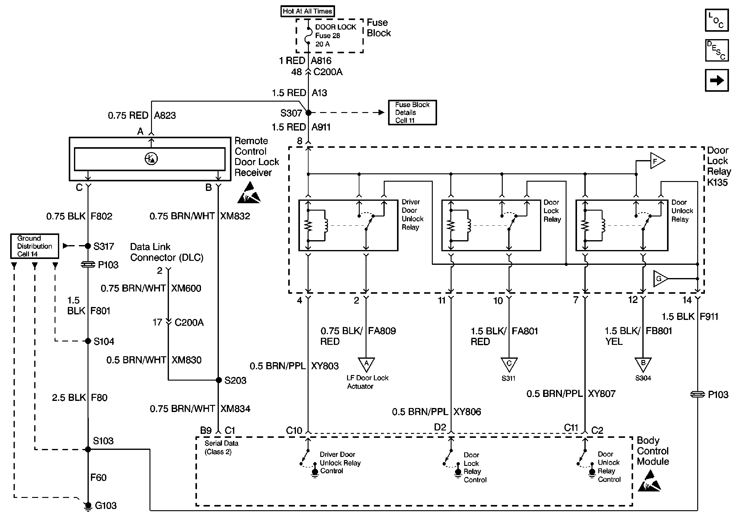
Cell 132: Power, Ground, RCDLR, Door Lock Relay and BCM


Object Number: 243476  Size: FS
Keyless Entry Components
Keyless Entry System Operation First Design/Second Design
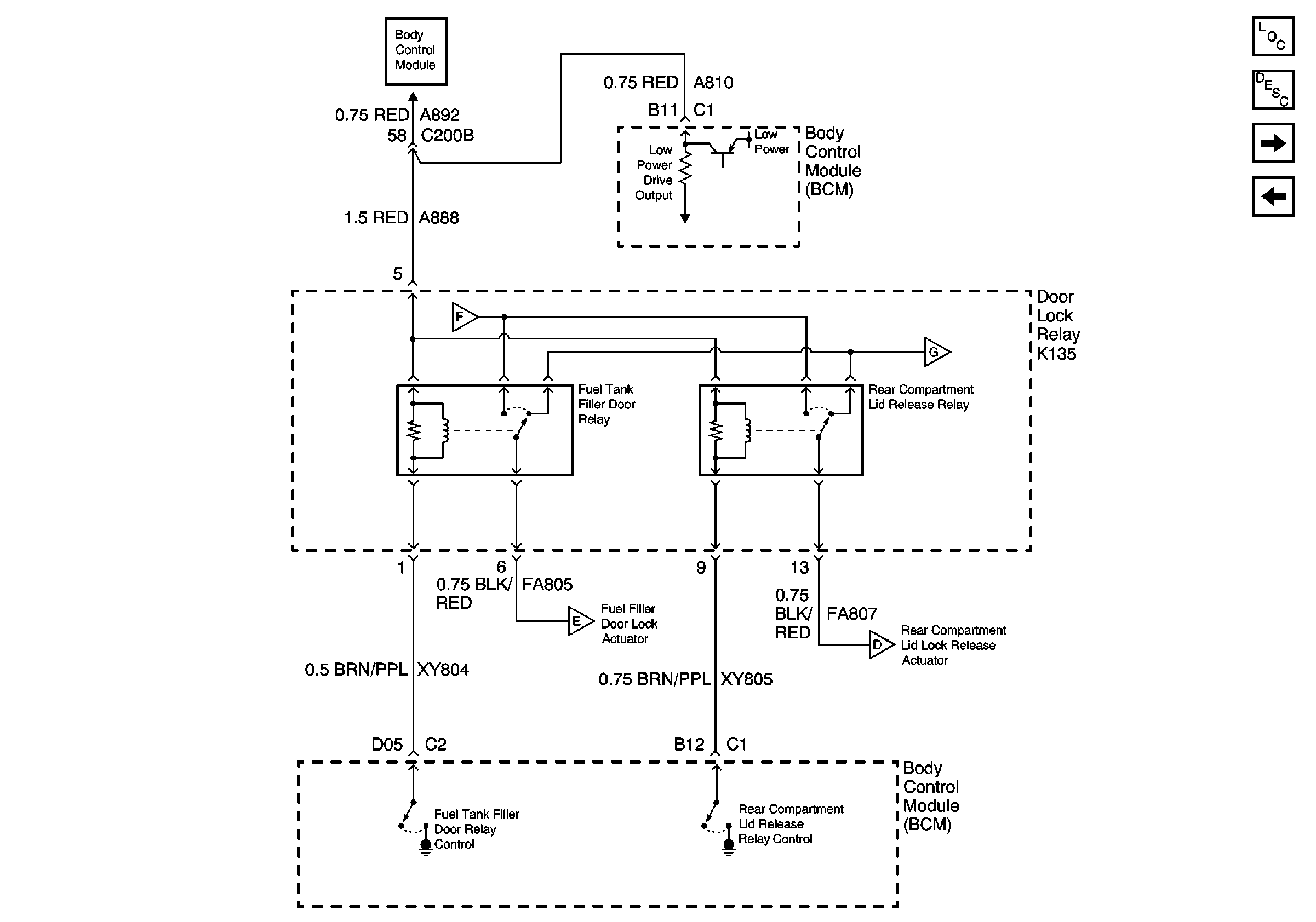
Cell 132: Fuel Door and Trunk Release Relays
Ground Distribution Schematics
Fuse Block Schematics Schematics

Cell 132-PWR, GRD, RCDLR, Door Lock Relay and BCM

Cell 132: Fuel Door and Trunk Release Relays


Object Number: 243477  Size: FS
Keyless Entry Components
Keyless Entry System Operation First Design/Second Design
Cell 132: Door Lock, Trunk Lock and Fuel Door Release Actuators
Cell 132: Power, Ground, RCDLR, Door Lock Relay and BCM
Body Control System Schematics
Release Systems Schematics
Release Systems Schematics

Cell 132-Fuel Tank Filler Door and Rear Compartment Lid Release Relays

Cell 132: Door Lock, Trunk Lock and Fuel Door Release Actuators


Object Number: 243478  Size: FS
Keyless Entry Components
Keyless Entry System Operation First Design/Second Design
Cell 132: Fuel Door and Trunk Release Relays

Cell 132-Door Lock, Rear Comp. Lid Lock and Fuel Filler Door Lock Actuators