GM Service Manual Online
For 1990-2009 cars only
Makes
🢒
Cadillac
🢒
1997
🢒
Catera
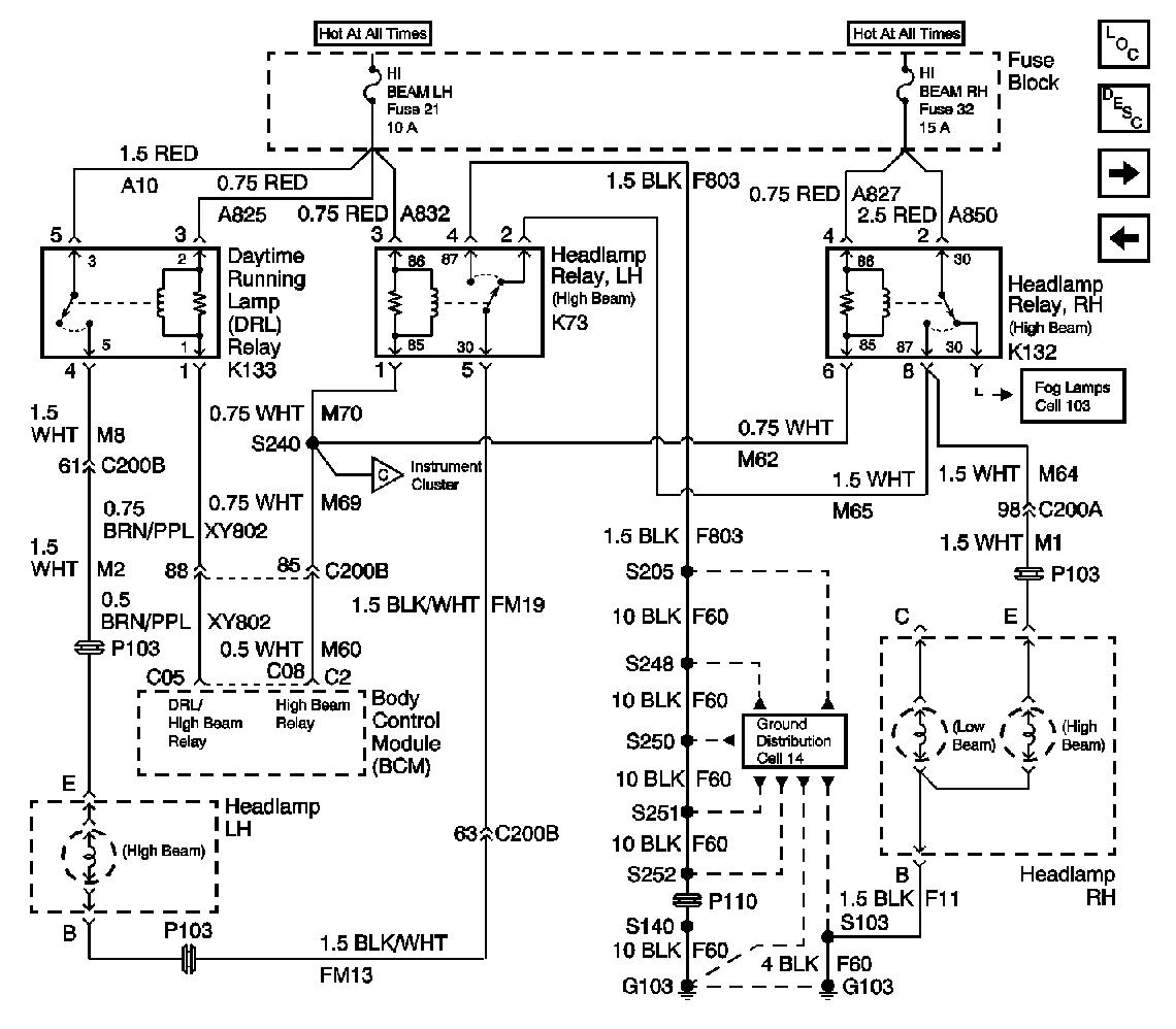
🢒 Cell 102 DRL Relay K133, LH and RH Hi Beam Headlamp Relays, and BCM
Cell 102 DRL Relay K133, LH and RH Hi Beam Headlamp Relays, and BCM
Cell 102 DRL Relay K133, LH and RH Hi Beam Headlamp Relays, and BCM
Lighting Systems Components
Headlights/Daytime Running Lights (DRL) Circuit Description
Cell 102 Turn Signal Switch, BCM, and Instrument Cluster
Cell 102 BCM, Headlamp Switch, Park Lamp Relay K130, and Low Beam RelayK131
Cell 102 Turn Signal Switch, BCM, and Instrument Cluster
Ground Distribution Schematics
Cell 103 Fog Lamp Switch and Multifunction Relay K134
Handling Electrostatic Discharge Sensitive Parts Notice