GM Service Manual Online
For 1990-2009 cars only
Makes
🢒
Cadillac
🢒
1997
🢒
Catera
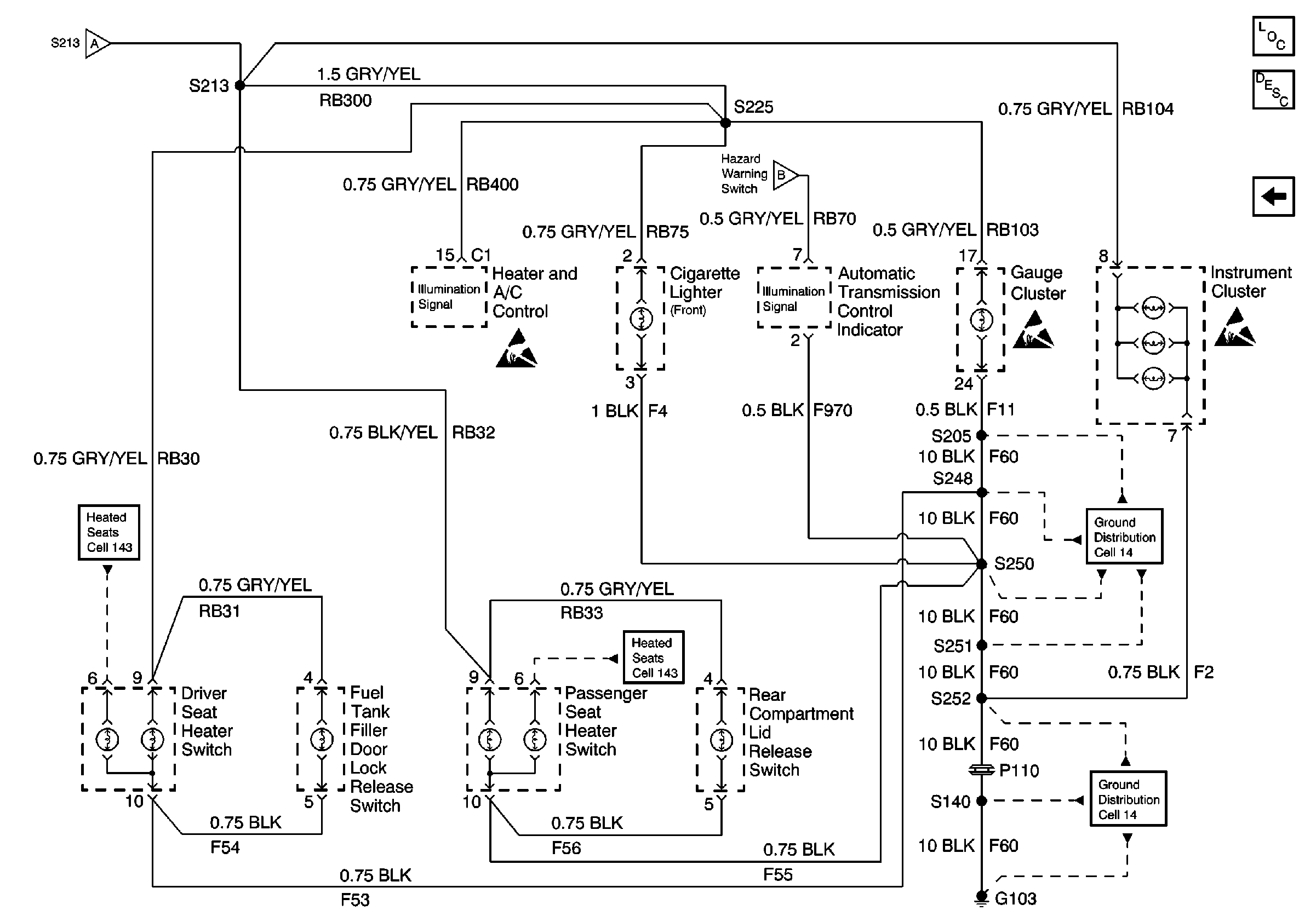
🢒 Cell 117 Instrument Cluster, Heater and A/C Control, and Cigarette Lighter
Cell 117 Instrument Cluster, Heater and A/C Control, and Cigarette Lighter
Cell 117 Instrument Cluster, Heaterand A/C Control, and Cigarette Lighter
Lighting Systems Components
Interior Lights Dimming Circuit Description
Cell 117 Headlamp Switch, Rear Seat Heater Switches, and Radio
Cell 117 Headlamp Switch, Rear Seat Heater Switches, and Radio
Handling Electrostatic Discharge Sensitive Parts Notice
Handling Electrostatic Discharge Sensitive Parts Notice
Handling Electrostatic Discharge Sensitive Parts Notice
Cell 143 Driver Seat Heater Switch and Heater Relay K55
Cell 143 Passenger Seat Heater Switch and Heater Relay K56
Ground Distribution Schematics
Ground Distribution Schematics
Cell 117 Headlamp Switch, Rear Seat Heater Switches, and Radio