GM Service Manual Online
For 1990-2009 cars only
Makes
🢒
Cadillac
🢒
1997
🢒
Catera
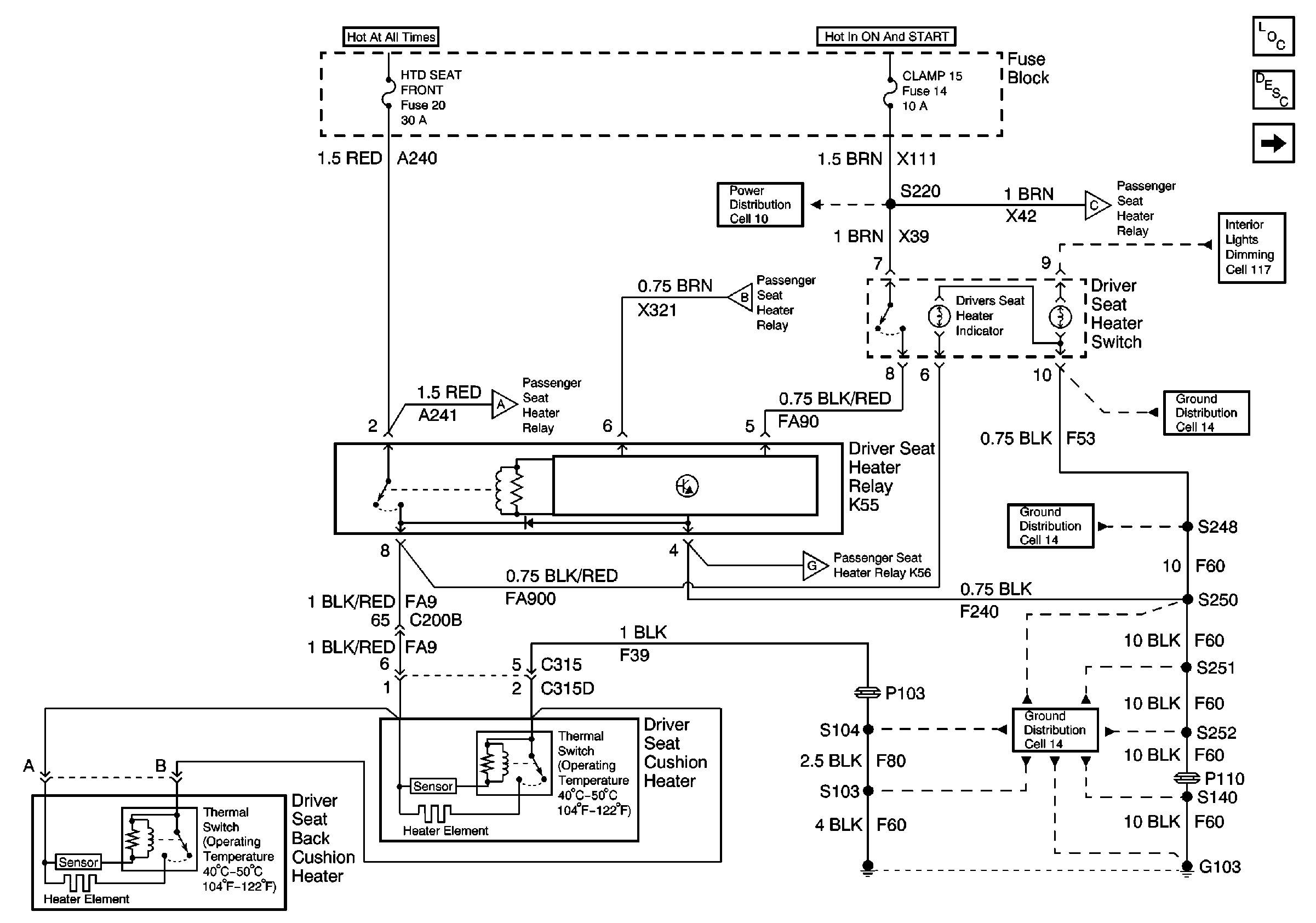
🢒 Cell 143 Driver Seat Heater Switch and Heater Relay K55
Cell 143 Driver Seat Heater Switch and Heater Relay K55
Cell 143 Driver Seat Heater Switch and Heater Relay K55
Power Seat Systems Components
Heated Seats Circuit Description
Cell 143 Passenger Seat Heater Switch and Heater Relay K56
Cell 10 Fuse Block, Heater Switches, Cell Phone, WSW Nozzles, and Heater A/C control
Cell 143 Passenger Seat Heater Switch and Heater Relay K56
Cell 143 Passenger Seat Heater Switch and Heater Relay K56
Cell 117 Instrument Cluster, Heater and A/C Control, and Cigarette Lighter
Cell 143 Passenger Seat Heater Switch and Heater Relay K56
Cell 14 Data Link Connector, and Electronic Traction Control Switch
Ground Distribution Schematics
Cell 14 Data Link Connector, and Electronic Traction Control Switch