GM Service Manual Online
For 1990-2009 cars only
Makes
🢒
Cadillac
🢒
1997
🢒
Catera
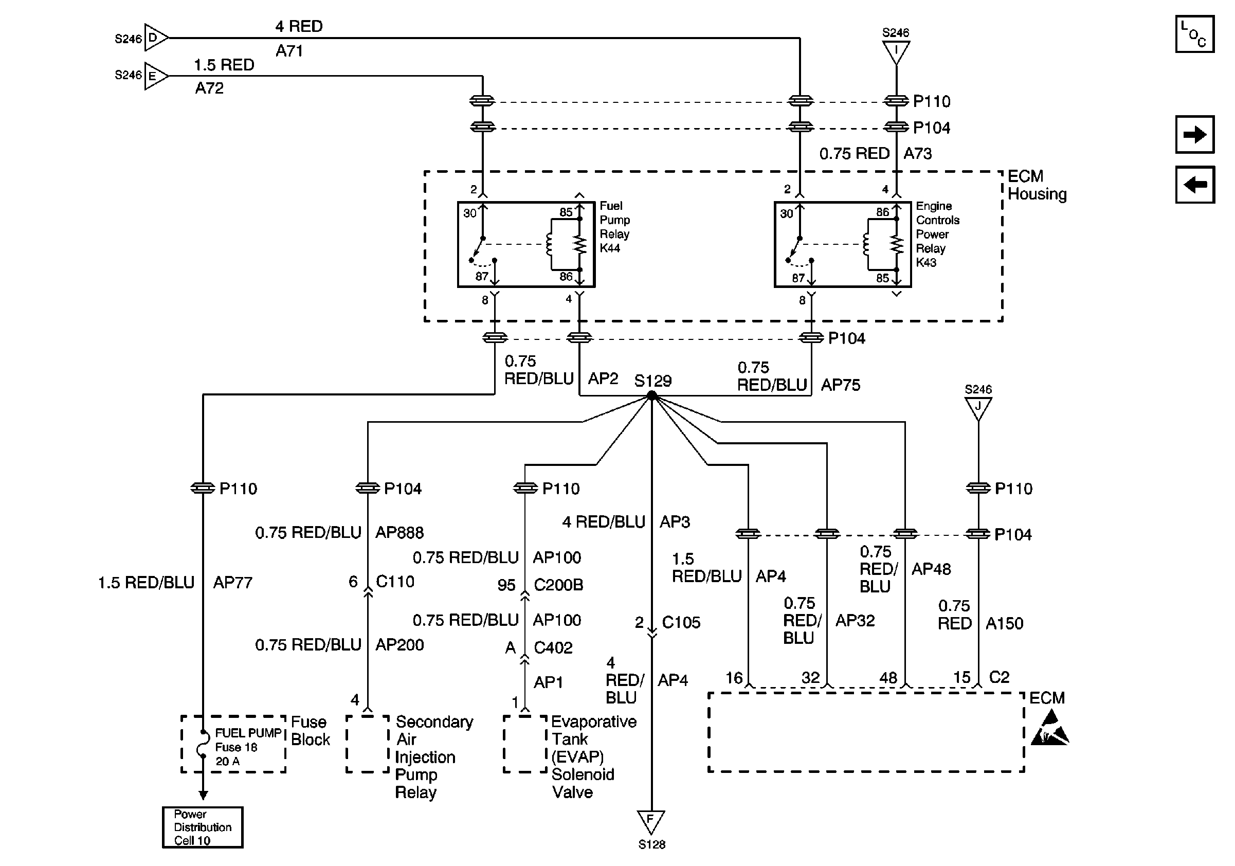
🢒 Cell 10 ECM Housing, ECM, Engine Controls Power Relay, and Fuel Pump Relay
Cell 10 ECM Housing, ECM, Engine Controls Power Relay, and Fuel Pump Relay
Cell 10 ECM Housing, ECM, Engine Controls Power Relay, and Fuel Pump Relay
Power and Grounding Components
Cell 10 Engine Controls, Fuel Injectors, and Heated oxygen Sensors
Cell 10 Fuse Block, Low Beam Relay and Park Lamp Relay
Cell 10 Fuse Block, Low Beam Relay and Park Lamp Relay
Cell 10 Fuse Block, Low Beam Relay and Park Lamp Relay
Cell 10 Fuse Block, Low Beam Relay and Park Lamp Relay
Cell 10 Fuse Block, Low Beam Relay and Park Lamp Relay
Cell 10 Engine Controls, Fuel Injectors, and Heated oxygen Sensors
Cell 10 Fuse Block, Horns, Fuel Pump, EBTCM, LH Headlamp and DRL Relays
Handling ESD Sensitive Parts Notice