GM Service Manual Online
For 1990-2009 cars only
Makes
🢒
Cadillac
🢒
1997
🢒
Catera
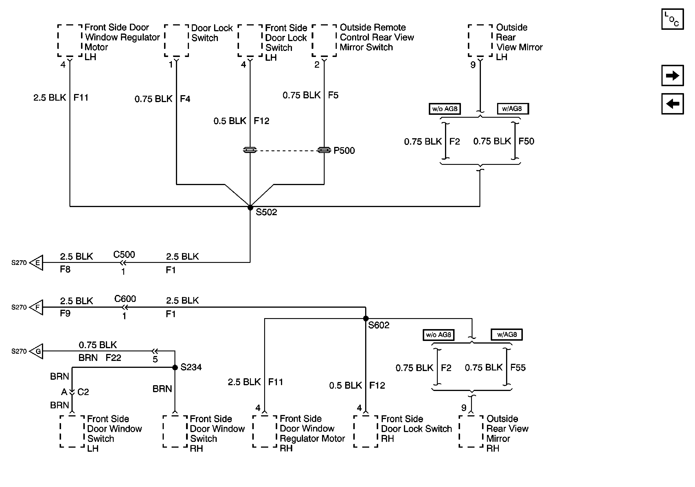
🢒 Cell 14 Front Window Regulator Motors and Front Door Lock Switches
Cell 14 Front Window Regulator Motors and Front Door Lock Switches
Cell 14 Front Window Regulator Motors and Front Door Lock Switches
Power and Grounding Components
Cell 14 Radio, Cell Phone, CD Changer, and Radio Speaker Amplifier
Cell 14 Rear Seat Cushion Heaters, Rear Heater Switches, and Rear Window Regulator Motors
Cell 14 Rear Seat Cushion Heaters, Rear Heater Switches, and Rear Window Regulator Motors
Cell 14 Rear Seat Cushion Heaters, Rear Heater Switches, and Rear Window Regulator Motors
Cell 14 Rear Seat Cushion Heaters, Rear Heater Switches, and Rear Window Regulator Motors