GM Service Manual Online
For 1990-2009 cars only
Makes
🢒
Cadillac
🢒
1997
🢒
Catera
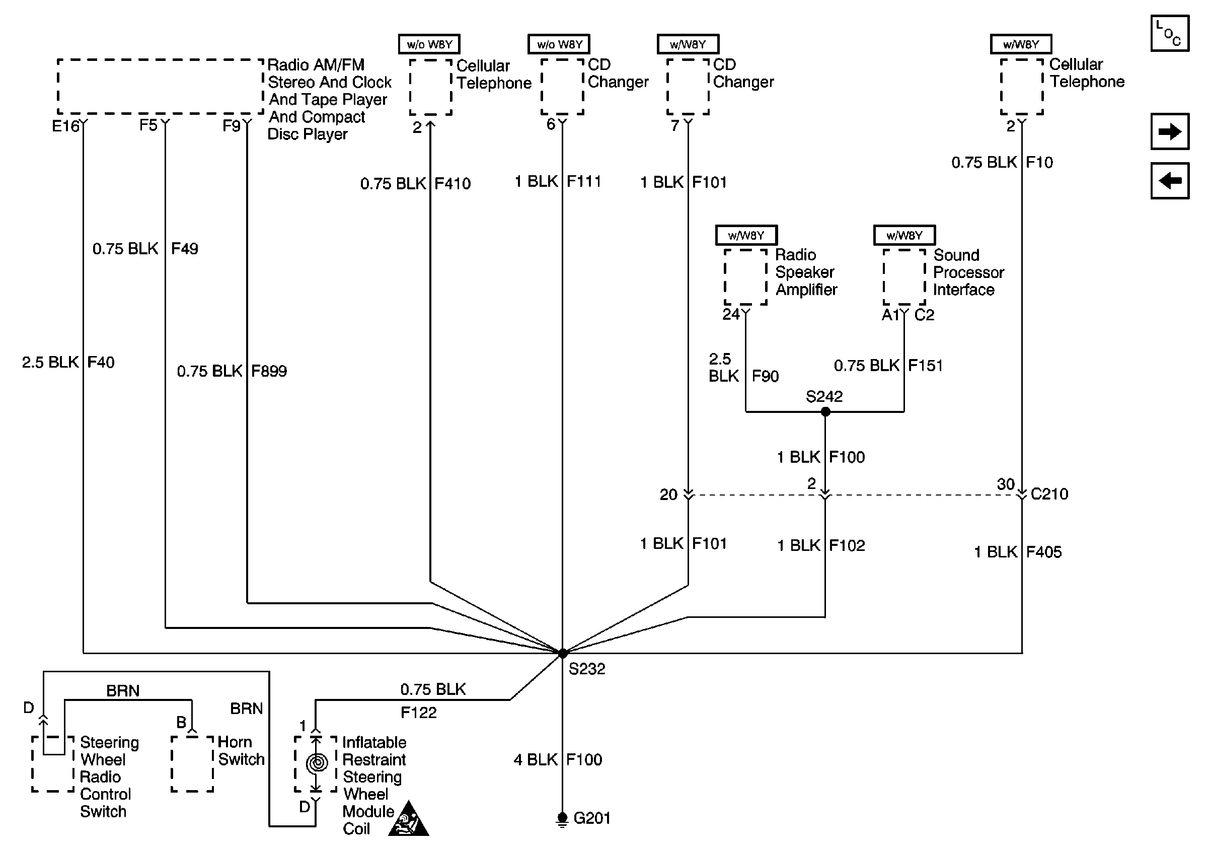
🢒 Cell 14 Radio, Cell Phone, CD Changer, and Radio Speaker Amplifier
Cell 14 Radio, Cell Phone, CD Changer, and Radio Speaker Amplifier
Cell 14 Radio, Cell Phone, CD Changer,and Radio Speaker Amplifier
Power and Grounding Components
Cell 14 Fuel Pump, Sunshade Motor, and Rear Exterior Lamps
Cell 14 Front Window Regulator Motors and Front Door Lock Switches
SIR Handling Caution