GM Service Manual Online
For 1990-2009 cars only
Makes
🢒
Cadillac
🢒
1997
🢒
Catera
🢒 Cell 76
Cell 76
Cell 76
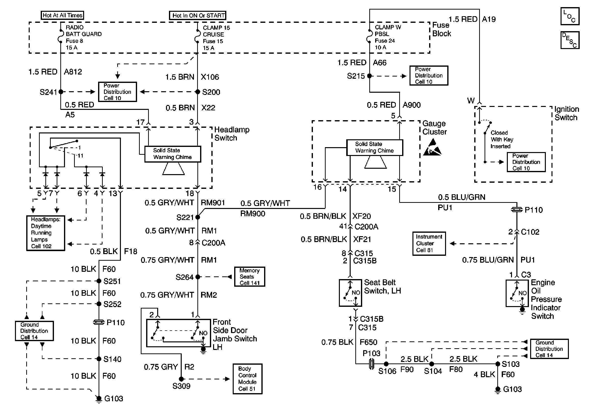
Audible Warnings Components
Audible Warnings Circuit Description
Handling Electrostatic Discharge Sensitive Parts Notice
Cell 102 Headlamp Switch, BCM, Heater and A/C Control, and Instrument Cluster
Cell 10 Ignition Switch and Fuse Block
Cell 14 Door Lock Relay K135, ALC Sensor, and EBTCM
Cell 10 Fuse Block, BCM, Lifting Magnet, Sun Roof Actuator, and Gauge CLuster
Ground Distribution Schematics
Cell 102 Headlamp Switch, BCM, Heater and A/C Control, and Instrument Cluster
Cell 141 Driver Seat Adjuster Memory Module Power and Ground
Cell 81: Gauge Cluster Oil Pressure and Generator Gauges
Cell 51: Exterior Lamp Power and All Door Jamb Switch
Cell 51: BCM Power, Ground and DLC