GM Service Manual Online
For 1990-2009 cars only
Makes
🢒
Cadillac
🢒
1997
🢒
Catera
🢒 Cell 143 LH and RH Rear Seat Heater Switches
Cell 143 LH and RH Rear Seat Heater Switches
Cell 143 LH and RH Rear Seat Heater Switches
Power Seat Systems Components
Heated Seats Circuit Description
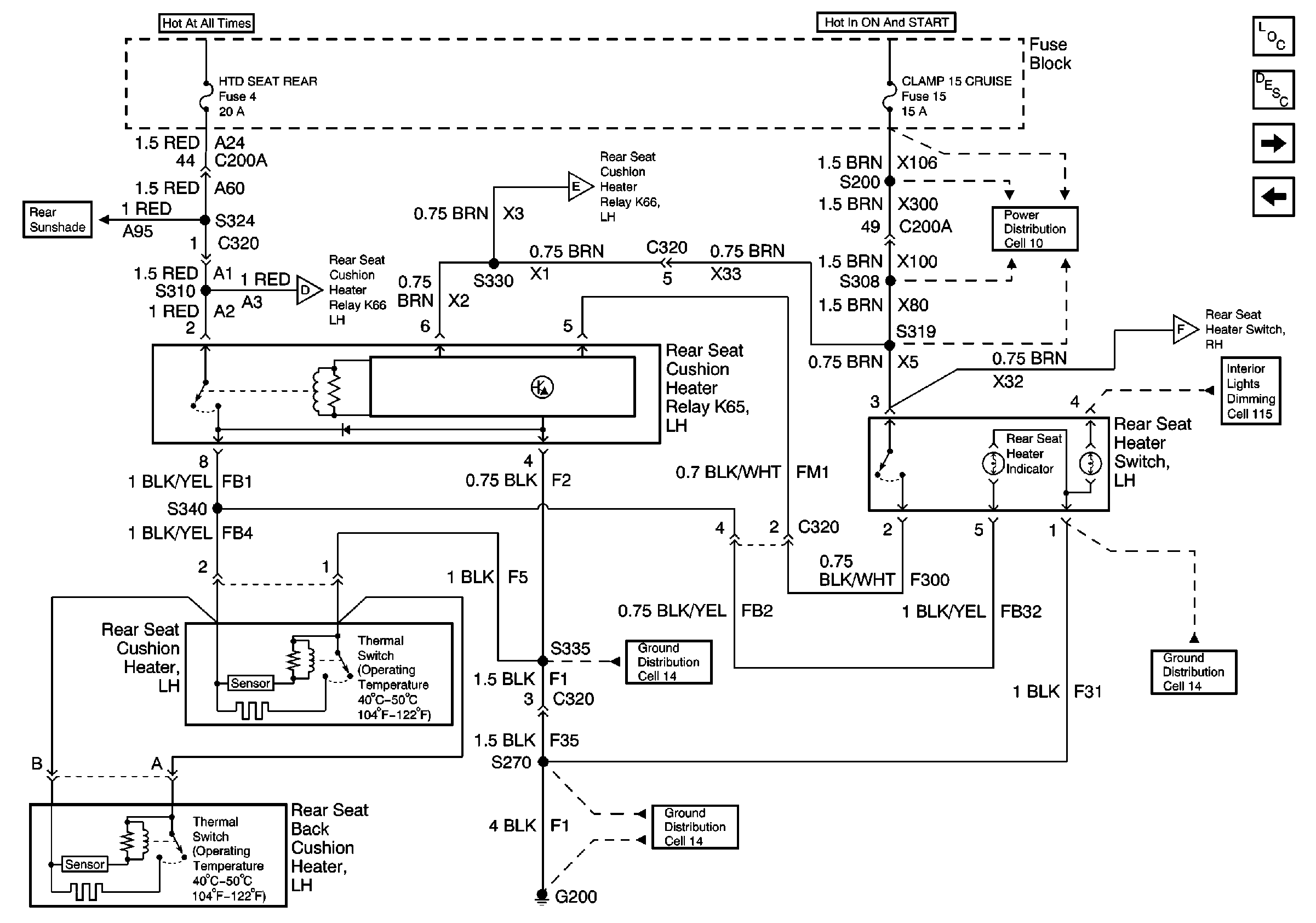
Cell 143 LH and RH Rear Seat Cushion Heater Relays
Cell 143 Passenger Seat Heater Switch and Heater Relay K56
Cell 10 Fuse Block, Heater Relays, TCM, Rear Window Regulator Motors, and Rear Sunshade
Cell 143 LH and RH Rear Seat Cushion Heater Relays
Cell 143 LH and RH Rear Seat Cushion Heater Relays
Cell 10 Fuse Block, Cruise Control, Heater Relays, Instrument Cluster, and Headlamp Switch
Cell 143 LH and RH Rear Seat Cushion Heater Relays
Cell 117 Headlamp Switch, Rear Seat Heater Switches, and Radio
Cell 14 Rear Seat Cushion Heaters, Rear Heater Switches, and Rear Window Regulator Motors
Cell 14 Rear Seat Cushion Heaters, Rear Heater Switches, and Rear Window Regulator Motors
Cell 14 Rear Seat Cushion Heaters, Rear Heater Switches, and Rear Window Regulator Motors