GM Service Manual Online
For 1990-2009 cars only

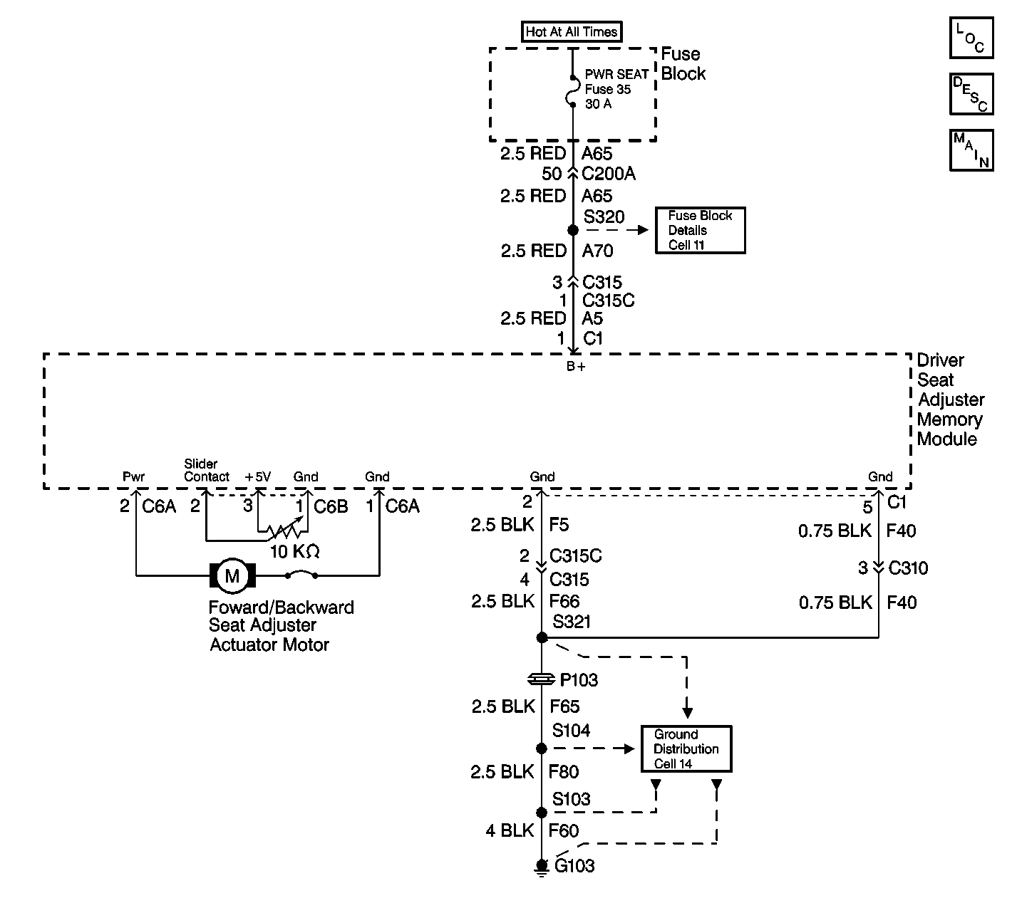
Object Number: 245986  Size: LF
Power Seat Systems Components
Power Seats Circuit Description
Memory Seats Schematics
Fuse Block Schematics Schematics
Ground Distribution Schematics

Forward/Backward Seat Adjuster Actuator Motor

Circuit Description

The driver seat adjuster memory module monitors the voltage at terminal 1, terminal 2, and terminal 3 of the forward/backward seat adjuster actuator motor connector C6B. When the voltage in these circuits is not within the specified range, the driver seat adjuster memory module will set DTC 11.

Conditions for Setting the DTC

DTC 11 will set if:

    • The forward/backward seat adjuster actuator motor or its circuits are faulty.
    • The driver seat adjuster memory module is faulty.

Action Taken When the DTC Sets

DTC 11 will set and the forward/backward seat adjuster actuator motor will become disabled.

Conditions for Clearing the DTC

DTC 11 will clear when the fault is no longer present.

Diagnostic Aids

    • Check for mechanical binding that may restrict the forward/backward seat adjuster actuator motor from operating properly.
    • Check for loose connections at the driver seat adjuster memory module.

Test Description

The following numbers refer to the step numbers on the diagnostic table:

  1. This step checks the potentiometer.

  2. This step replaces the motor.

  3. This step checks the motor.

Step

Action

Value(s)

Yes

No

1

Was the Memory Seats System Check performed?

--

Go to Step  2

Go to Memory Seats System Check

2

  1. Disconnect the forward/backward seat adjuster actuator motor connector C6B from the driver seat adjuster memory module.
  2. Use a DMM in order to measure the resistance between terminal 3 and terminal 1 of connector C6B.

Does the resistance measure at the specified value?

B+

Go to Step  4

Go to Step  3

3

Replace the forward/backward seat adjuster actuator motor. Refer to Seat Adjuster Motor Replacement - Power .

Is the replacement complete?

--

Go to Step  7

--

4

Use the DMM in order to measure the resistance between terminal 2 and terminal 3 of connector C6B.

Does the resistance measure within the specified range?

1k -10k ohms

Go to Step  5

Go to Step  3

5

  1. Apply B+ and ground to terminal 1 and terminal 2 of connector C6A to test the motor.
  2. Alternate B+ and ground between terminal 1 and terminal 2 of connector C6A.
  3. Verify that the motor operates properly in both directions.

Does the motor operate properly in both directions?

--

Go to Step  6

Go to Step  3

6

Replace the driver seat adjuster memory module. Refer to Memory Seat Control Module Replacement .

Is the repair complete?

--

Go to Step  7

--

7

  1. Reconnect all of the connectors and the components that were disconnected.
  2. Program the driver seat adjuster memory module. Refer to Memory Seat Operation .
  3. Use the scan tool to check for any DTCs.
  4. Verify that the driver seat operates properly in all directions and that there are no DTCs present.

Does the driver seat operate properly in all directions and are there no DTCs present?

--

Go to Memory Seats System Check

Go to Step  1