GM Service Manual Online
For 1990-2009 cars only

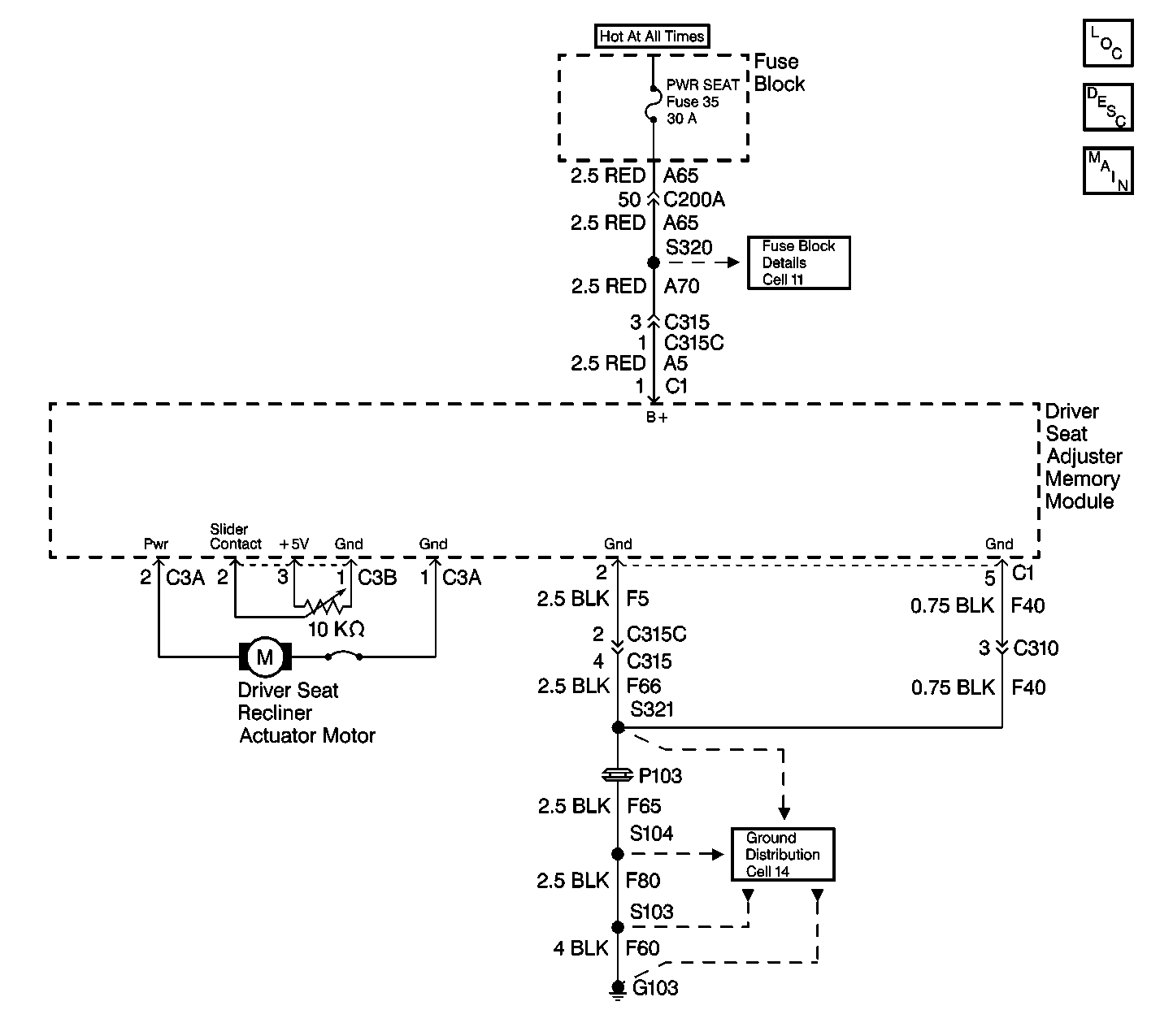
Object Number: 245994  Size: LF
Power Seat Systems Components
Power Seats Circuit Description
Memory Seats Schematics
Fuse Block Schematics Schematics
Ground Distribution Schematics

Driver Seat Recliner Actuator Motor

Circuit Description

The driver seat adjuster memory module monitors the voltage at terminals 1, 2 and 3 of the driver seat recliner actuator motor connector C3B. When the voltage value on these circuits is not within the specified value, the driver seat adjuster memory module will set DTC 12.

Conditions for Setting the DTC

DTC 12 will set if:

    • the driver seat recliner actuator motor or its circuits are faulty.
    • the driver seat adjuster memory module is faulty.

Action Taken When the DTC Sets

DTC 12 will set and the driver seat recliner actuator motor will become disabled.

Conditions for Clearing the DTC

DTC 12 will clear when the fault is no longer present.

Diagnostic Aids

    • Check for mechanical bindings that may restrict the driver seat recliner actuator motor from operating properly.
    • Check for loose connections at the driver seat adjuster memory module.

Test Description

The following numbers refer to the step numbers on the diagnostic table:

  1. This step checks the potentiometer.

  2. This step replaces the motor.

  3. This step checks the motor.

Step

Action

Value(s)

Yes

No

1

Was the Memory Seats System Check performed?

--

Go to Step 2

Go to Memory Seats System Check .

2

  1. Disconnect the driver seat recliner actuator motor connector C3B from the driver seat adjuster memory module.
  2. Use the DMM to measure the resistance between terminal 3 and terminal 1 of connector C3B.

Is the measured resistance within the specified value?

10k ohms

Go to Step 4

Go to Step 3

3

Replace the driver seat recliner actuator motor. Refer to Recliner Motor Replacement - Front Power in Seats.

Is the replacement complete?

--

Go to Step 7

--

4

Use the DMM to measure the resistance between terminal 2 and terminal 1 of connector C3B.

Is the measured resistance within the specified value?

1k - 10k ohms

Go to Step 5

Go to Step 3

5

  1. Apply B+ and ground to terminal 1 and terminal 2 of connector C3A to test the motor.
  2. Alternate B+ and ground between terminal 1 and terminal 2 of connector C3A.
  3. Ensure the motor operates properly in both directions.

Does the motor operate properly in both directions?

--

Go to Step 6

Go to Step 3

6

Replace the driver seat adjuster memory module. Refer to Memory Seat Control Module Replacement in Seats.

Is the replacement complete?

--

Go to Step 7

--

7

  1. Connect all connectors and components that were disconnected.
  2. Program the driver seat adjuster memory module. Refer to Memory Seat Operation .
  3. Use the scan tool to check for any DTC's.
  4. Verify that the driver seat operates properly in all directions and that there are no DTC's present.

Does the driver seat operate properly in all directions and are there no DTC's present?

System OK

Go to Step 1