GM Service Manual Online
For 1990-2009 cars only

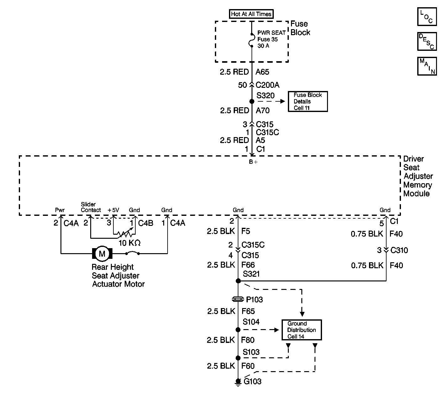
Object Number: 245998  Size: LF
Power Seat Systems Components
Power Seats Circuit Description
Memory Seats Schematics
Fuse Block Schematics Schematics
Ground Distribution Schematics

Rear Height Seat Adjuster Actuator Motor

Circuit Description

The driver seat adjuster memory module monitors the voltage at terminals 1, 2 and 3 of the rear height seat adjuster actuator motor connector C4B. When the voltage value on these circuits is not within the specified value, the driver seat adjuster memory module will set DTC 17.

Conditions for Setting the DTC

DTC 17 will set if:

    • the rear height seat adjuster actuator motor or its circuits are faulty.
    • the driver seat adjuster memory module is faulty.

Action Taken When the DTC Sets

DTC 17 will set and the rear height seat adjuster actuator motor will become disabled.

Conditions for Clearing the DTC

DTC 17 will clear when the fault is no longer present.

Diagnostic Aids

    • Check for mechanical bindings that may restrict the rear height seat adjuster actuator motor from operating properly.
    • Check for loose connections at the driver seat adjuster memory module.

Test Description

The following numbers refer to the step numbers on the diagnostic table:

  1. This step checks the potentiometer.

  2. This step replaces the motor.

  3. This step checks the motor.

Step

Action

Value(s)

Yes

No

1

Was the Memory Seats System Check performed?

--

Go to Step 2

Go to Memory Seats System Check .

2

  1. Disconnect the rear height seat adjuster actuator motor connector C4B from the driver seat adjuster memory module.
  2. Use the DMM to measure the resistance between terminal 3 and terminal 1 of connector C4B.

Is the measured resistance within the specified value?

10k ohms

Go to Step 4

Go to Step 3

3

Replace the rear height seat adjuster actuator motor. Refer to Seat Adjuster Front Vertical Actuator and Rear Vertical Actuator Replacement in Seats.

Is the replacement complete?

--

Go to Step 7

--

4

Use the DMM to measure the resistance between terminal 2 and terminal 1 of connector C4B.

Is the measured resistance within the specified value?

1k - 10k ohms

Go to Step 5

Go to Step 3

5

  1. Apply B+ and ground to terminal 1 and terminal 2 of connector C4A to test the motor.
  2. Alternate B+ and ground between terminal 1 and terminal 2 of connector C4A.
  3. Ensure the motor operates properly in both directions.

Does the motor operate properly in both directions?

--

Go to Step 6

Go to Step 3

6

Replace the driver seat adjuster memory module. Refer to Memory Seat Control Module Replacement in Seats.

Is the replacement complete?

--

Go to Step 7

--

7

  1. Connect all connectors and components that were disconnected.
  2. Program the driver seat adjuster memory module. Refer to Memory Seat Operation .
  3. Use the scan tool to check for any DTC's.
  4. Verify that the driver seat operates properly in all directions and that there are no DTC's present.

Does the driver seat operate properly in all directions and are there no DTC's present?

System OK

Go to Step 1