GM Service Manual Online
For 1990-2009 cars only
Makes
🢒
Cadillac
🢒
1998
🢒
Catera
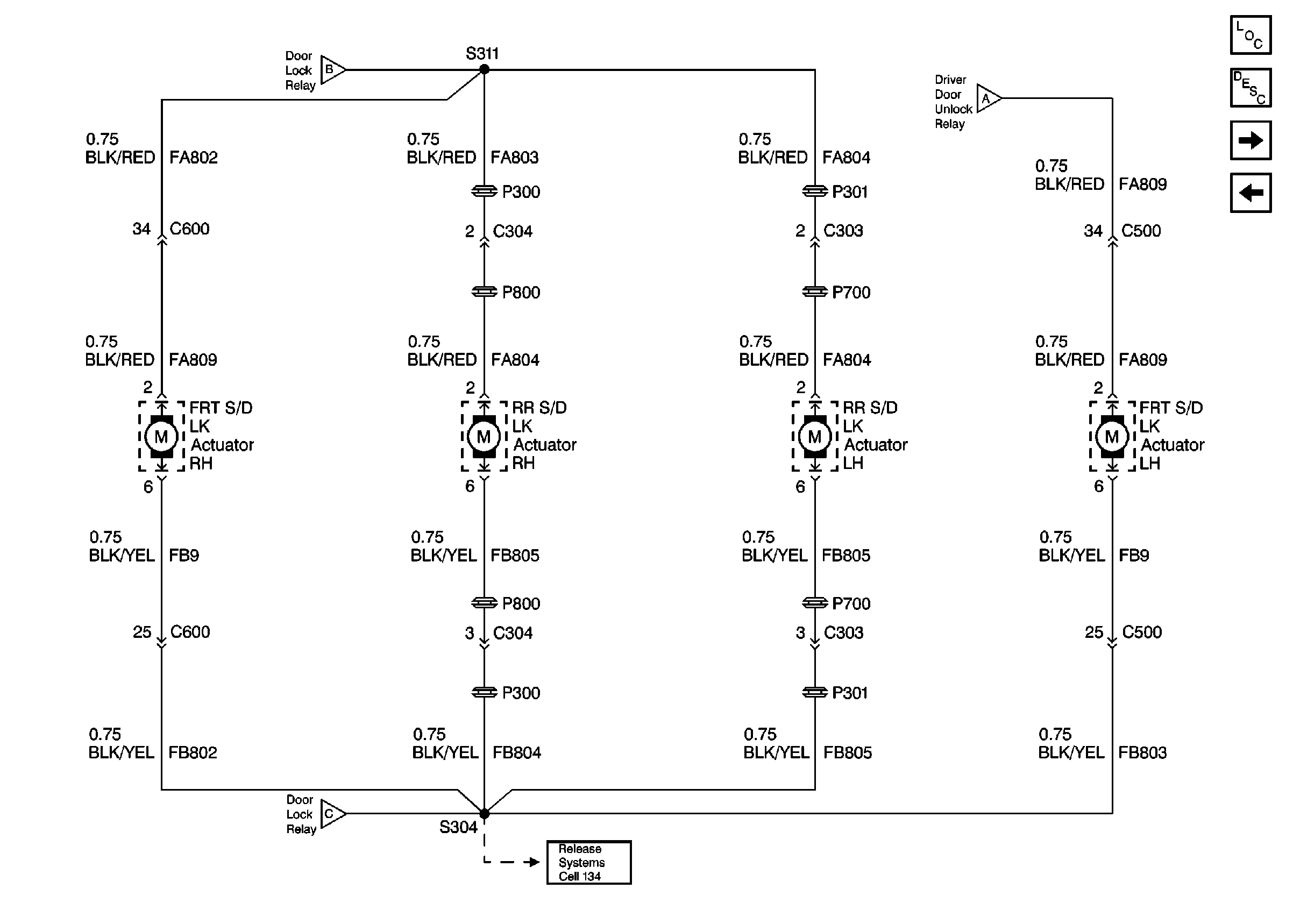
🢒 (Power Door Lock Schematics) Cell 130/131 LH and RH Front and Rear Side Door Actuators
(Power Door Lock Schematics) Cell 130/131 LH and RH Front and Rear Side Door Actuators
(Power Door Lock Schematics) Cell 130/131 LH and RH Front and Rear Side Door Actuators
Power Door Systems Components
Power Door Locks Circuit Description
(Automatic Door Lock Schematics) Cell 131 Stop Lamp Switch, BCM, and Transmission Control Selector Switch
(Power Door Lock Schematics) Cell 130/131 Fuse Block, BCM and Door Lock Relay K135
(Power Door Lock Schematics) Cell 130/131 Fuse Block, BCM and Door Lock Relay K135
(Power Door Lock Schematics) Cell 130/131 Fuse Block, BCM and Door Lock Relay K135
(Power Door Lock Schematics) Cell 130/131 Fuse Block, BCM and Door Lock Relay K135
Cell 134 Door Lock Relay, BCM, Fuel Tank Filler Door Lock Actuator, Rear Compartment Acuator