GM Service Manual Online
For 1990-2009 cars only
Makes
🢒
Cadillac
🢒
1998
🢒
Catera
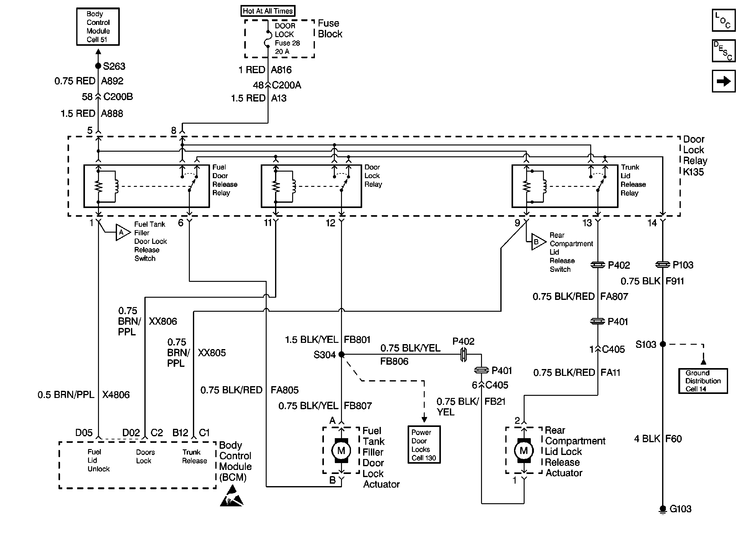
🢒 Cell 134 Door Lock Relay, BCM, Fuel Tank Filler Door Lock Actuator, Rear Compartment Acuator
Cell 134 Door Lock Relay, BCM, Fuel Tank Filler Door Lock Actuator, Rear Compartment Acuator
Cell 134 Door Lock Relay, BCM, Fuel Tank Filler Door Lock Actuator, Rear Compartment Acuator
Body Rear End Components
Rear Compartment Lid Release Circuit Description
Cell 134 Fuel Tank Filler Door Lock Release Switch, Rear CompartmenT Lid Release Switch,
Handling Electrostatic Discharge Sensitive Parts Notice
Cell 51: Multifunction Relay K134
Cell 134 Fuel Tank Filler Door Lock Release Switch, Rear CompartmenT Lid Release Switch,
Cell 134 Fuel Tank Filler Door Lock Release Switch, Rear CompartmenT Lid Release Switch,
Cell 14 Door Lock Relay K135, ALC Sensor, and EBTCM
(Power Door Lock Schematics) Cell 130/131 LH and RH Front and Rear Side Door Actuators