GM Service Manual Online
For 1990-2009 cars only

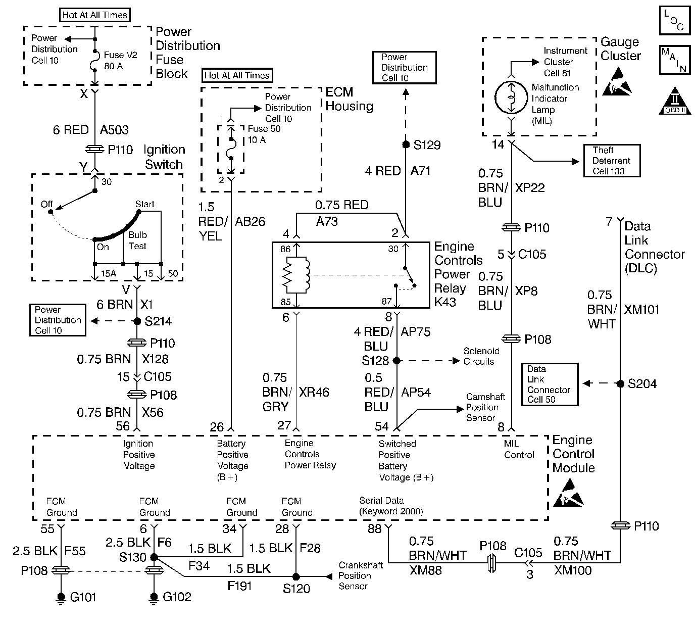
Object Number: 70471  Size: LF
Engine Controls Components
Cell 20 - Power, Ground, MIL and DLC
OBD II Symbol Description Notice
Handling ESD Sensitive Parts Notice
Handling ESD Sensitive Parts Notice

Circuit Description

The ECM continuously monitors the system voltage. Since voltages that are below 9.0 volts or above 16 volts could cause an improper system operation and/or component damage, the ECM operates in a default mode if an ECM Voltage DTC is set. If the system voltage is low, the ECM will raise the idle speed in order to increase the generator output. If the system voltage is high, the ECM disables most outputs in order to protect the hardware. The Serial Data is disrupted when the system voltage is below 9  volts or above 16 V volts. A scan tool may not display the data if the system voltage is outside of this range. Because of this, a DVM must be used in order to monitor the system voltage when checking to see if the fault is currently present.

Conditions for Running the DTC

    • Below 9.0 volts:
        The engine has been running for longer than 60 seconds
    • Above 16.0 volts:
        Tested continuously
    • Below 2.54 volts:
        Tested continuously

Conditions for Setting the DTC

    • The ECM senses a system voltage below 9.0 volts for at least 2 seconds
         OR
    • The ECM senses a system voltage above 16.0 volts for at least 1 second
        OR
    • The ECM senses a system voltage below 2.54 volts for at least 1 second.

Action Taken When the DTC Sets

    • The ECM will not illuminate the Malfunction Indicator Lamp (MIL).
    • The ECM will record operating conditions in Freeze Frame on the first drive trip that the diagnostic runs and fails (Fail Pending).

Conditions for Clearing the MIL/DTC

    • A History DTC clears after forty consecutive warm-up cycles if no failures report by this diagnostic or any other emission related diagnostic.
    • The ECM battery voltage is interrupted.
    • The scan tool clears the MIL/DTC.

Diagnostic Aids

    • An extremely low voltage (below 7.5 volts) may cause the loss of serial data and the MIL may not function. A low system voltage may cause the other DTCs to set.
    • Using the Freeze Frame data may aid in locating an intermittent condition. If the DTC cannot be duplicated, review the information in the Freeze Frame. Try to operate the vehicle within the same freeze frame conditions (the RPM, the MAF, the vehicle speed, the temperature, etc.) that were noted. This process may help in order to recreate the malfunction.

Test Description

The number(s) below refer to the step number(s) on the diagnostic table.

  1. Checks for excessive generator output. The voltage should remain below 16.0 volts.

  2. Checks the charging system under load at idle. The voltage should remain above 9.0 volts.

DTC P0560 - System Voltage

Step

Action

Value(s)

Yes

No

1

Did you perform the Powertrain On-Board Diagnostic (OBD) System check?

--

Go to Step 2

Go to Powertrain On Board Diagnostic (OBD) System Check

2

Check the DTC symptom for this DTC with the scan tool.

Does the scan tool indicate the Above Limit?

--

Go to Step 3

Go to Step 4

3

  1. Start the engine.
  2. Turn all of the accessories off.
  3. Raise the engine RPM to at least 2500 RPM.
  4. Measure the battery voltage at the battery with the DVM J 39200 .

Is the battery voltage higher than the specified value?

16.0V

Go to Service Category Starting/ Charging

Go to Step 7

4

  1. Allow the engine to idle at the normal operating temperature.
  2. Load the electrical system by turning on the headlights and the high blower.
  3. Measure the battery voltage at the battery with the DVM J 39200 .

Is the battery voltage less than the value shown?

9.0V

Go to Service Category Starting/ Charging

Go to Step 5

5

  1. Turn off the ignition.
  2. Disconnect the ECM.
  3. Turn on the ignition with the engine off.
  4. Measure the voltage at the Battery feed circuit in the ECM harness connector with the DVM J 39200 .

Is the voltage at the ECM connector less than the specified value?

9.0V

Go to Step 9

Go to Step 6

6

Check for any malfunctioning connections at the ECM.

Was a problem found and corrected?

--

Go to Step 10

Go to Step 7

7

  1. Reconnect the ECM (if previously disconnected).
  2. Clear the DTCs with the scan tool.
  3. Turn off the ignition for 15 seconds.
  4. Operate the vehicle with the conditions that are required for this vehicle to run. Refer to Conditions for Running the DTC.
  5. Check for any DTCs.

Is this DTC set?

Go to Step 8

DTC is intermittent. Refer to Diagnostic Aids

8

Important: This vehicle is equipped with a Theft Deterrent System which interfaces with the Engine Control Module (ECM). Program the new ECM with the frequency code of the theft deterrent module that is currently on the vehicle.

Replace the ECM. Refer to Engine Control Module Replacement/Programming .

Is the action complete?

--

Go to Step 10

--

9

Repair the high resistance in the Battery feed circuit to the ECM.

Is the action complete?

--

Go to Step 10

--

10

  1. Clear the DTCs with the scan tool.
  2. Turn off the ignition for 15 seconds.
  3. Operate the vehicle with the conditions that are required for this vehicle to run. Refer to Conditions for Running the DTC.
  4. Check for any DTCs.

Is this DTC set?

--

Go to Step 2

Go to Step 11

11

Were there any additional DTCs noted during the Powertrain OBD System Check that have not been diagnosed?

--

Go to the applicable DTC table

The System is OK