GM Service Manual Online
For 1990-2009 cars only
Makes
🢒
Cadillac
🢒
1999
🢒
Catera
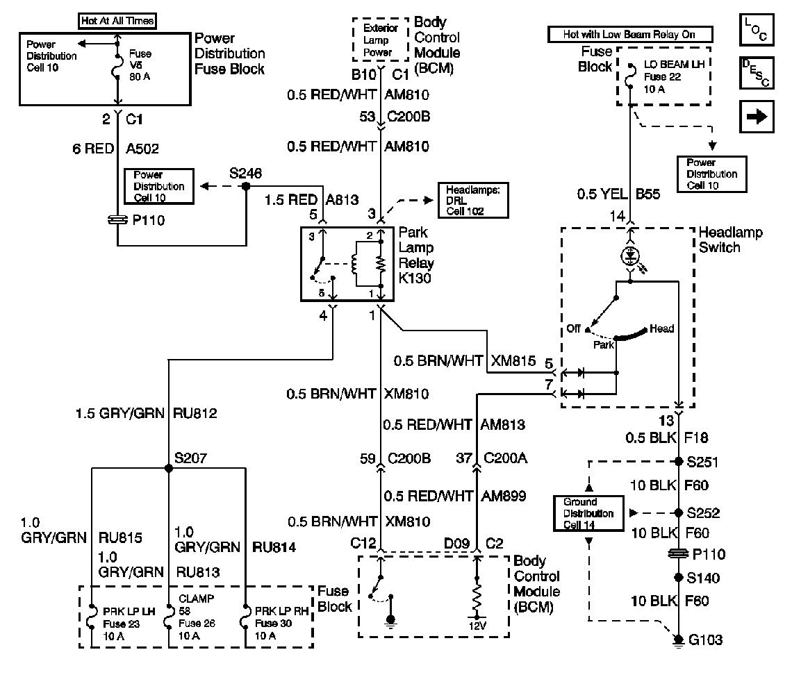
🢒 Cell 110 BCM, Headlamp Switch, Park Lamp Relay K130 and Fuse Block
Cell 110 BCM, Headlamp Switch, Park Lamp Relay K130 and Fuse Block
Cell 110 BCM, Headlamp Switch, Park Lamp Relay K130 and Fuse Block
Lighting Systems Components
Exterior Lights Circuit Description
Cell 110 Park/Turn Signal Lamps, Rear Side Marker Lamps, and Stop/Tailamps
Cell 10 Fuse Block, Low Beam Relay and Park Lamp Relay
Cell 10 Fuse Block, BCM, Lifting Magnet, Sun Roof Actuator, and Gauge CLuster
Cell 102 Fuse Block, BCM, Headlamps, and Park/Turn Signal Lamps
Handling Electrostatic Discharge Sensitive Parts Notice
Handling Electrostatic Discharge Sensitive Parts Notice
Ground Distribution Schematics