GM Service Manual Online
For 1990-2009 cars only
Makes
🢒
Cadillac
🢒
1999
🢒
Catera
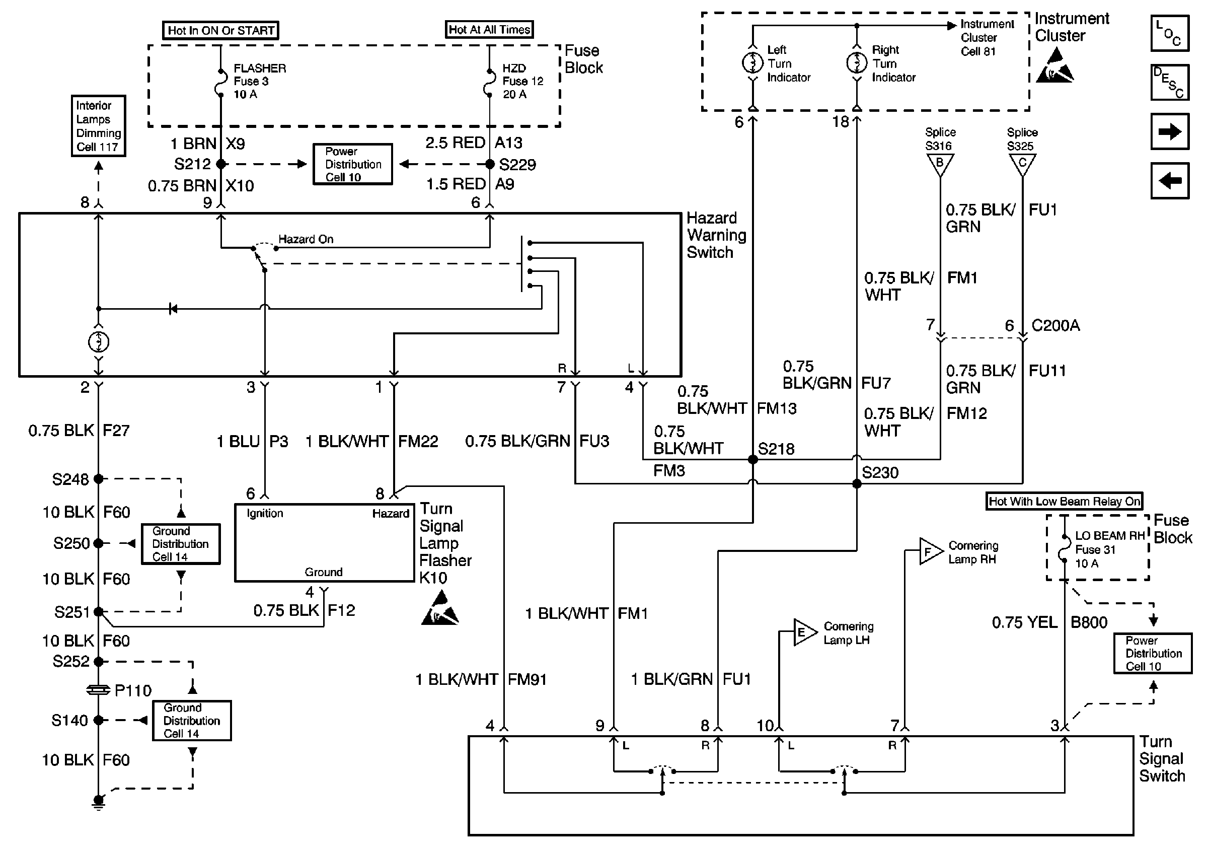
🢒 Cell 110 Hazard Warning Switch, Turn Signal Switch and Instrument Cluster
Cell 110 Hazard Warning Switch, Turn Signal Switch and Instrument Cluster
Cell 110 Hazard Warning Switch, Turn Signal Switch and Instrument Cluster
Lighting Systems Components
Exterior Lights Circuit Description
Cell 110 Front Side Marker Lamp, Tailamp, Rear License Lamp
Cell 110 Park/Turn Signal Lamps, Rear Side Marker Lamps, and Stop/Tailamps
Power Distribution Schematics
Cell 10 Fuse Block, Turn Signal Switch, Blower Control, and A/C Compressor Relay
Ground Distribution Schematics
Ground Distribution Schematics
Cell 110 Park/Turn Signal Lamps, Rear Side Marker Lamps, and Stop/Tailamps
Cell 110 Park/Turn Signal Lamps, Rear Side Marker Lamps, and Stop/Tailamps
Cell 110 Cornering Lamps, Stop/Tailamps, Auxiliary Brake Lamp
Cell 110 Cornering Lamps, Stop/Tailamps, Auxiliary Brake Lamp
Handling Electrostatic Discharge Sensitive Parts Notice
Handling Electrostatic Discharge Sensitive Parts Notice
Cell 117 Headlamp Switch, Rear Seat Heater Switches, and Radio
Cell 81: Instrument Cluster Speedometer and Tachometer