GM Service Manual Online
For 1990-2009 cars only
Makes
🢒
Cadillac
🢒
1999
🢒
Catera
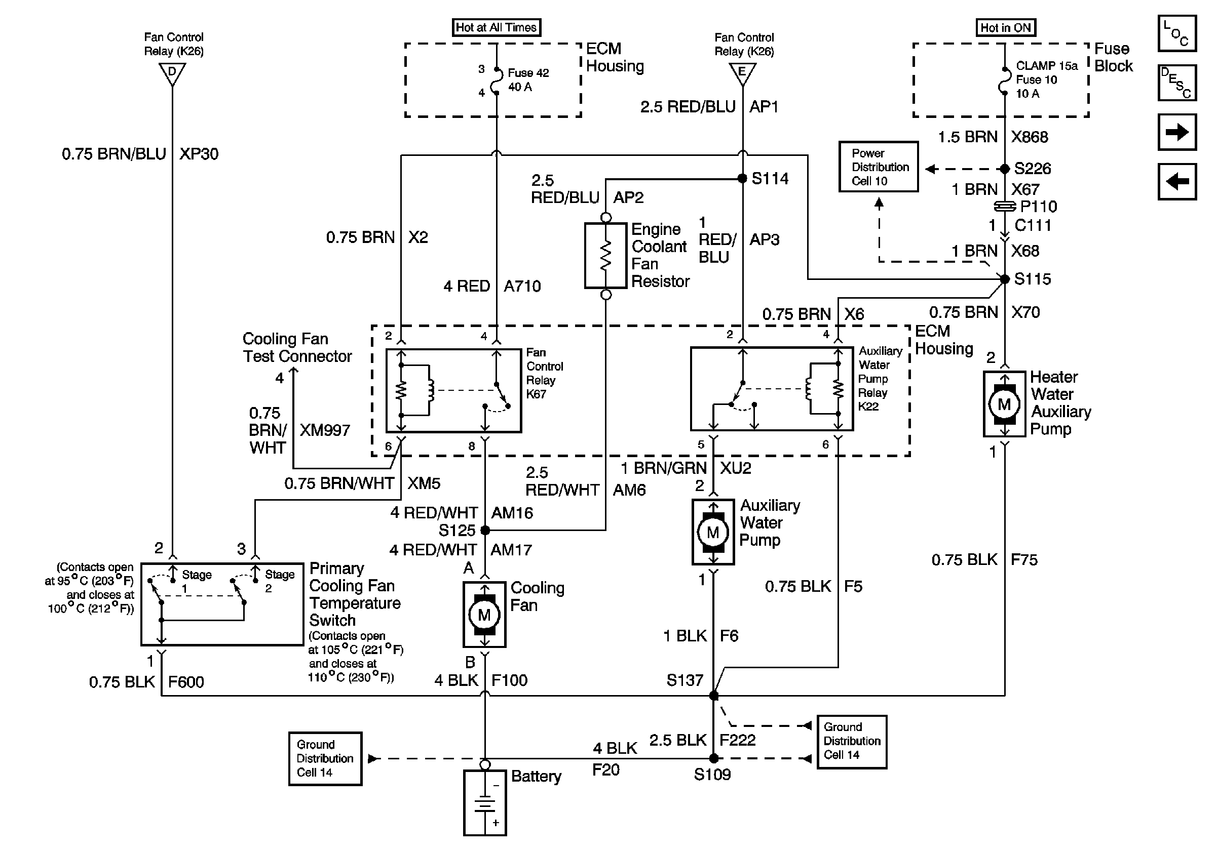
🢒 Cooling Fan, Auxiliary Water Pump, and Heater Water Auxiliary Pump
Cooling Fan, Auxiliary Water Pump, and Heater Water Auxiliary Pump
Cooling Fan, Auxiliary Water Pump, and Heater Water Auxiliary Pump
Cooling System Component Views LH Side of Engine Compartment
V Car Engine Cooling Schematics (Auxiliary Engine Cooling Fan #2
Auxiliary Engine Coolant Fan #1
Auxiliary Engine Coolant Fan #1
Auxiliary Engine Coolant Fan #1
Power Distribution Schematics
Ground Distribution Schematics
Ground Distribution Schematics