GM Service Manual Online
For 1990-2009 cars only
Makes
🢒
Cadillac
🢒
1999
🢒
Catera
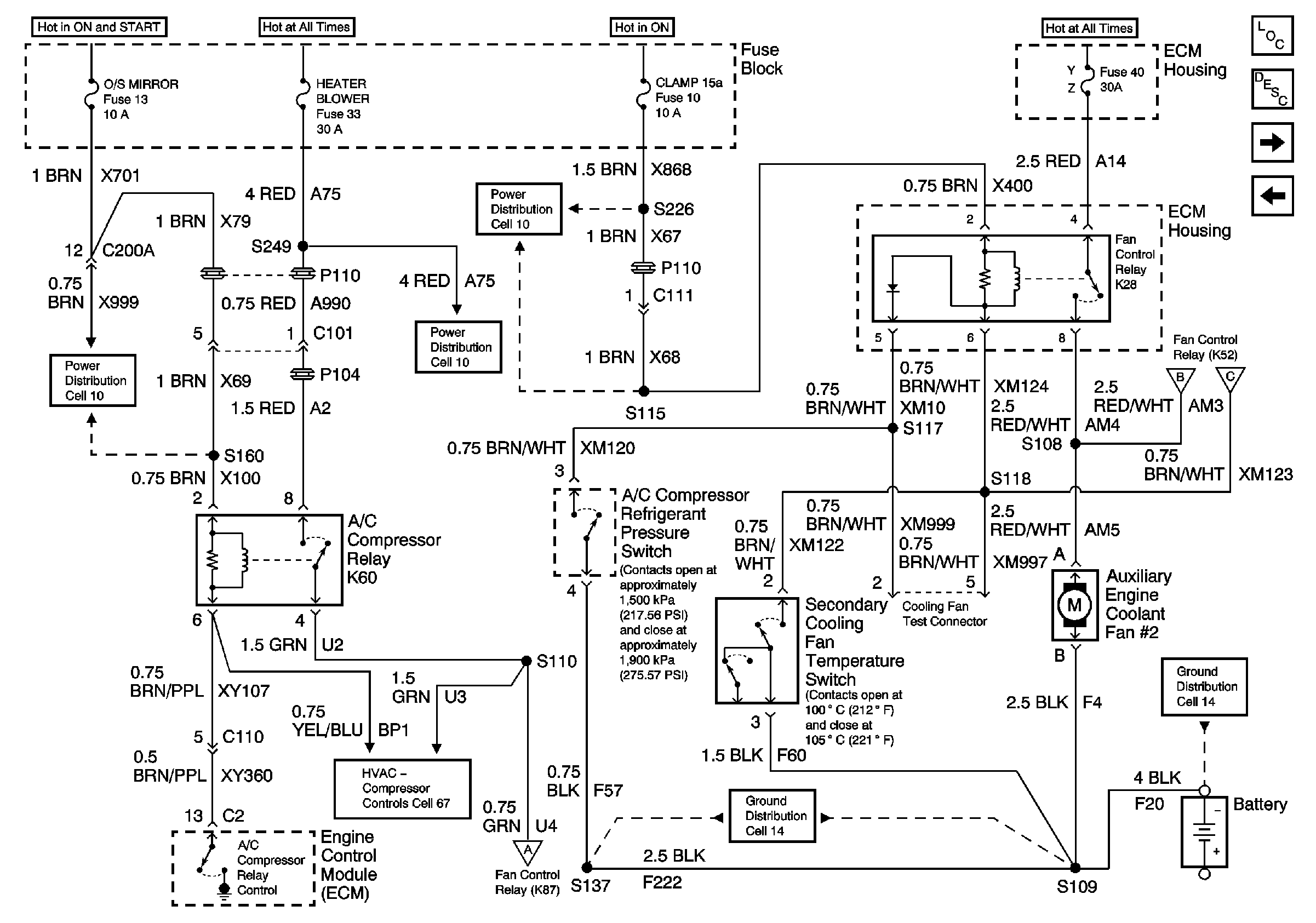
🢒 V Car Engine Cooling Schematics (Auxiliary Engine Cooling Fan #2
V Car Engine Cooling Schematics (Auxiliary Engine Cooling Fan #2
Auxiliary Engine Coolant Fan #2
Cooling System Component Views LH Side of Engine Compartment
Coolant Level Indicator
Cooling Fan, Auxiliary Water Pump, and Heater Water Auxiliary Pump
Power Distribution Schematics
Power Distribution Schematics
Power Distribution Schematics
Auxiliary Engine Coolant Fan #1
Ground Distribution Schematics
HVAC Compressor Control Schematics
Auxiliary Engine Coolant Fan #1
Ground Distribution Schematics