GM Service Manual Online
For 1990-2009 cars only

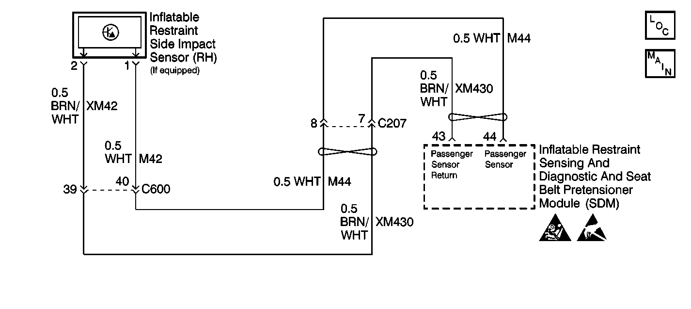
Object Number: 451002  Size: SF
SIR Components
SIR Schematics
SIR Caution
Handling ESD Sensitive Parts Notice

Circuit Description

When the ignition switch is turned to the ON position, the inflatable restraint sensing and diagnostic and seat belt pretensioner module (SDM) performs tests to diagnose critical malfunctions within itself. The SDM monitors the six deployment loops to detect leakage currents to ground in the frontal air bag deployment loops, the side air bag deployment loops and the seat belt pretensioner deployment loops. Then, the SDM proceeds with the RESISTANCE MEASUREMENT test to measure the deployment loop resistances to ensure they are within their respective normal resistance ranges. Upon passing these tests, the energy reserve is charged and the firing transistors are tested. The SDM then goes into CONTINUOUS MONITORING mode. The SDM service wait time is 1 minute. Refer to ENABLE/DISABLE procedures.

Conditions for Setting the DTC

DTC 83 will set when the following conditions are met:

    • The ignition is within normal operating voltage range.
    • The measured leakage currents to B+ or the resistance of the passenger side impact sensor (SIS) loop are above a specified value caused by:
       - A short to B+ in the passenger side impact sensor (SIS) loop.
       - An open circuit or high resistance in the passenger side impact sensor (SIS) loop.

The passenger side impact sensor (SIS) loop consists of the following:

    • Inflatable restraint side impact sensor (SIS) (RH) .
    • Harness wiring of CKT M44.
    • Harness wiring of CKT M42.
    • Harness wiring of CKT XM430.
    • Harness wiring of CKT XM42.
    • Connector terminal contact.

Action Taken When the DTC Sets

    • The SDM sets a DTC 83.
    • The SDM turns ON the AIR BAG warning lamp.

Conditions for Clearing the DTC

Current and History DTC codes must be cleared using a scan tool Clear DTC Information command. If the circuit fault has been successfully repaired and the conditions which caused the Current DTC 83 to set are no longer existing, History DTC 83 will set. History DTC 83 may be cleared using the scan tool.

Diagnostic Aids

An inflatable restraint passenger side impact sensor (SIS) circuit short to B+ can cause an intermittent condition. Inspect CKT M44, CKT M42, CKT XM430, and CKT XM42 carefully for cutting and/or chafing. A careful inspection of the circuits and components indicated on the DTC 83 table is essential to make sure that the replacement SDM will not be damaged.

Test Description

The following numbers refer to the step numbers on the diagnostic table:

  1. This step checks the inflatable restraint side impact sensor (RH) wiring harness connector for damaged terminals or corrosion.

  2. This step checks the inflatable restraint side impact sensor (RH) for damaged terminals or corrosion.

  3. This step checks terminal 43 and terminal 44 of the SDM wiring harness connector for damaged terminals or corrosion.

  4. This step checks terminal 43 and terminal 44 of the SDM for damaged terminals or corrosion.

  5. This step checks for an open or a high resistance in CKT XM430 or CKT XM42.

  6. This step checks for an open or a high resistance in CKT M44 or CKT M42.

  7. This step checks for a short to B+ in CKT XM430 or CKT XM42.

  8. This step checks for a short to B+ in CKT M44 or CKT M42.

DTC 83 Passenger Side Impact Sensor Open or Short to Voltage

Step

Action

Value(s)

Yes

No

1

Was the SIR Diagnostic System Check performed?

--

Go to Step 2

Go to SIR Diagnostic System Check

2

  1. Disconnect the inflatable restraint side impact sensor (RH). Refer to Inflatable Restraint Side Impact Sensor Replacement .
  2. Inspect the inflatable restraint side impact sensor (RH) wiring harness connector for damaged terminals or corrosion.

Is the inflatable restraint side impact sensor (RH) wiring harness connector damaged or corroded?

--

Go to Step 3

Go to Step 4

3

Use the J 42250 Catera Terminal Repair Kit to repair the inflatable restraint side impact sensor (RH) wiring harness connector.

Is the repair complete?

--

Go to Step 4

--

4

Inspect the inflatable restraint side impact sensor (RH) for damaged terminals or corrosion.

Is the inflatable restraint side impact sensor (RH) damaged or corroded?

--

Go to Step 5

Go to Step 6

5

Replace the inflatable restraint side impact sensor (RH). Refer to Inflatable Restraint Side Impact Sensor Replacement .

Is the repair complete?

--

Go to Step 20

--

6

  1. Disconnect the inflatable restraint sensing and diagnostic and seat belt pretensioner module (SDM). Refer to Inflatable Restraint Sensing and Diagnostic and Seat Belt Pretensioner Module Replacement .
  2. Inspect terminal 43 and terminal 44 of the SDM wiring harness connector for damaged terminals or corrosion.

Is terminal 43 or terminal 44 of the SDM wiring harness connector damaged or corroded?

--

Go to Step 7

Go to Step 8

7

Use the J 42250 Catera Terminal Repair Kit to repair the inflatable restraint side impact sensor (RH) wiring harness connector.

Is the repair complete?

--

Go to Step 8

--

8

Inspect terminal 43 and terminal 44 of the SDM for damaged terminals or corrosion.

Is terminal 43 or terminal 44 of the SDM damaged or corroded?

--

Go to Step 9

Go to Step 10

9

Replace the SDM. Refer to Inflatable Restraint Sensing and Diagnostic and Seat Belt Pretensioner Module Replacement .

Is the repair complete?

--

Go to Step 20

--

10

  1. Zero the J 39200 Digital Multimeter (DMM).
  2. Use the J 39200 to measure the resistance between terminal 43 of the SDM wiring harness connector and terminal 2 of the inflatable restraint side impact sensor (RH) wiring harness connector.

Is the measured resistance within the specified value?

0-2 ohms

Go to Step 12

Go to Step 11

11

  1. Locate an open or a high resistance in CKT XM430 or CKT XM42.
  2. Repair the open or the high resistance in CKT XM430 or CKT XM42.

Is the repair complete?

--

Go to Step 20

--

12

Use the J 39200 to measure the resistance between terminal 44 of the SDM wiring harness connector and terminal 1 of the inflatable restraint side impact sensor (RH) wiring harness connector.

Is the measured resistance within the specified value?

0-2 ohms

Go to Step 14

Go to Step 13

13

  1. Locate an open or a high resistance in CKT M44 or CKT M42.
  2. Repair the open or the high resistance in CKT M44 or CKT M42.

Is the repair complete?

--

Go to Step 20

--

14

  1. Turn the ignition switch to the ON position.
  2. Use the J 39200 to measure the voltage between terminal 43 of the SDM wiring harness connector and a known good ground.

Is the measured voltage more than the specified value?

1 V

Go to Step 15

Go to Step 16

15

  1. Locate a short to B+ in CKT XM430 or CKT XM42.
  2. Repair the short to B+ in CKT XM430 or CKT XM42.

Is the repair complete?

--

Go to Step 20

--

16

Use the J 39200 to measure the voltage between terminal 44 of the SDM wiring harness connector and a known good ground.

Is the measured voltage more than the specified value?

1 V

Go to Step 17

Go to Step 18

17

  1. Locate a short to B+ in CKT M44 or CKT M42.
  2. Repair the short to B+ in CKT M44 or CKT M42.

Is the repair complete?

--

Go to Step 20

--

18

  1. Turn the ignition switch to the OFF position.
  2. Replace the inflatable restraint side impact sensor (RH). Refer to Inflatable Restraint Side Impact Sensor Replacement .

Is the repair complete?

--

Go to Step 19

--

19

  1. Connect all SIR components and connectors.
  2. Turn the ignition switch to the ON position.
  3. Install the scan tool.
  4. Use the scan tool to request the SIR DTC display.

Is DTC 83 present?

--

Go to Sensing and Diagnostic Module Integrity Check

Go to Step 21

20

Reconnect all the SIR components, making sure all the components are properly mounted.

Have all the SIR components been reconnected and properly mounted?

--

Go to Step 21

--

21

Use the scan tool to clear all current and history SIR DTCs.

Have all current and history SIR DTCs been cleared?

--

Go to SIR Diagnostic System Check

--