GM Service Manual Online
For 1990-2009 cars only
Makes
🢒
Cadillac
🢒
2000
🢒
Catera
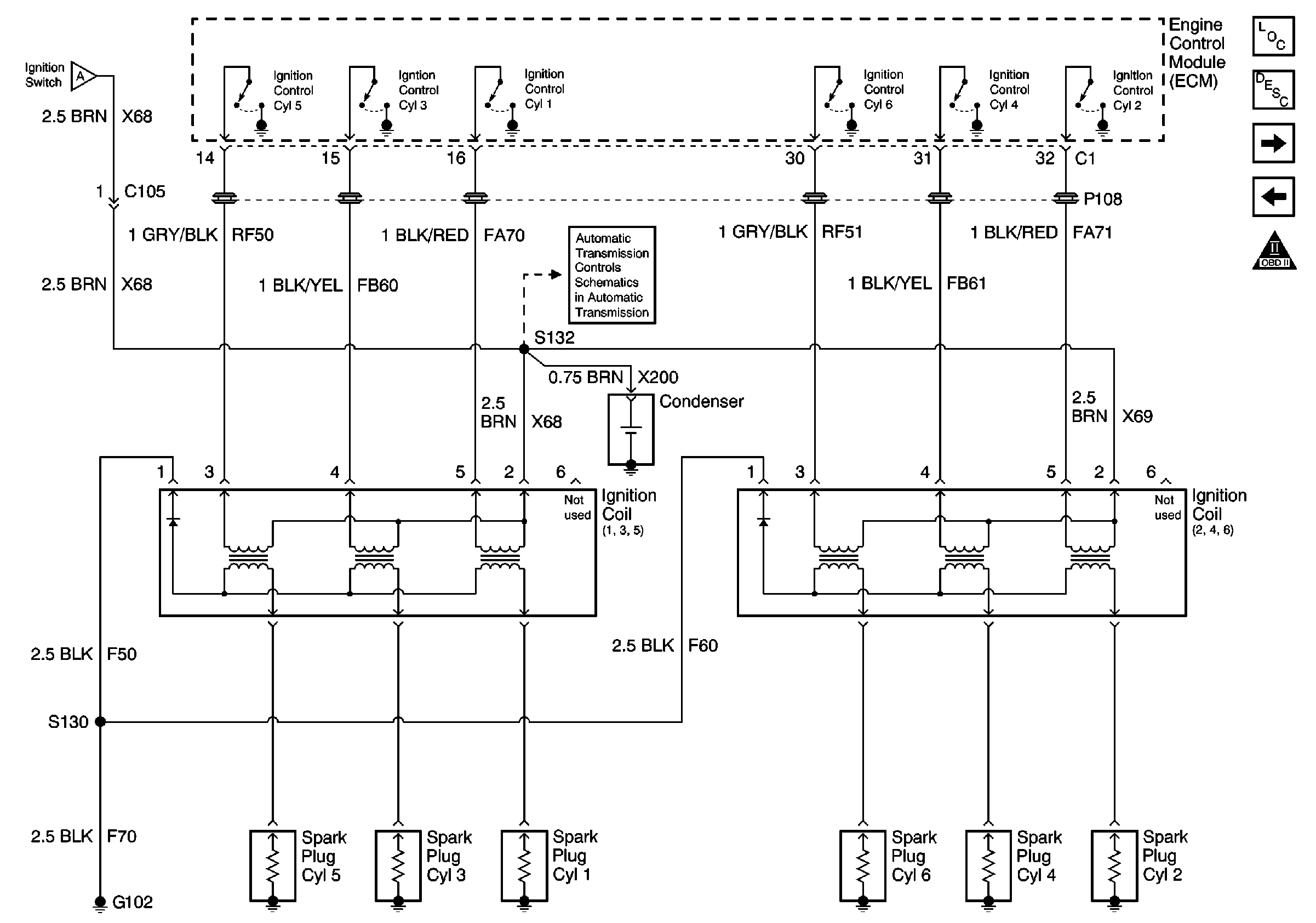
🢒 Ignition System
Ignition System
Ignition System
Master Electrical Component List
Fuel Controls
Serial Data CAN Interface
Automatic Transmission Controls Schematics