GM Service Manual Online
For 1990-2009 cars only
Makes
🢒
Cadillac
🢒
2000
🢒
Catera
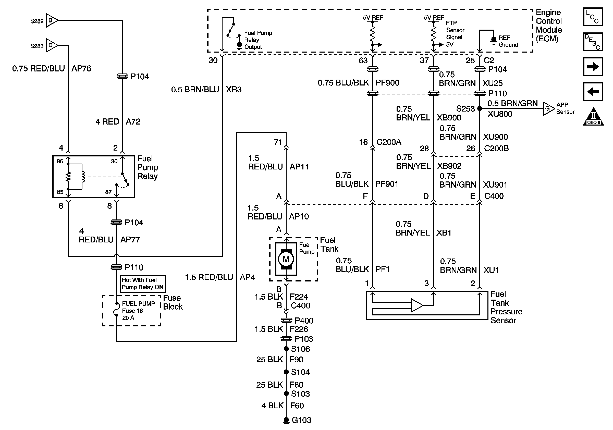
🢒 Fuel Controls
Fuel Controls
Fuel Controls
Master Electrical Component List
Engine Data Sensors
Ignition System
Ground Distribution Schematics