GM Service Manual Online
For 1990-2009 cars only
Makes
🢒
Cadillac
🢒
2000
🢒
Catera
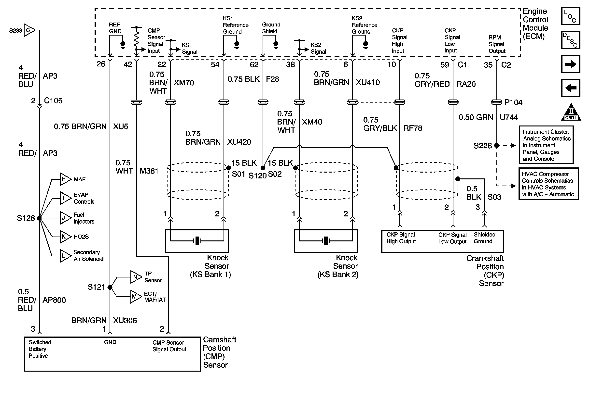
🢒 Engine Data Sensors
Engine Data Sensors
Engine Data Sensors
Master Electrical Component List
Information Sensors
Fuel Injectors
Fuel Controls
Instrument Cluster Schematics
HVAC Schematics