GM Service Manual Online
For 1990-2009 cars only
Figure 1:

Without Memory


Object Number: 595317  Size: FS
Master Electrical Component List
Outside Mirror Description and Operation
Door Switch Driver and Memory Seat Module - Driver
Underhood Fuse Block Fuses V1 and V4, and Ignition Switch
Fuse Block Fuses 3, 13, and 19
G200 (2 of 2)
G200 (1 of 2) and G203
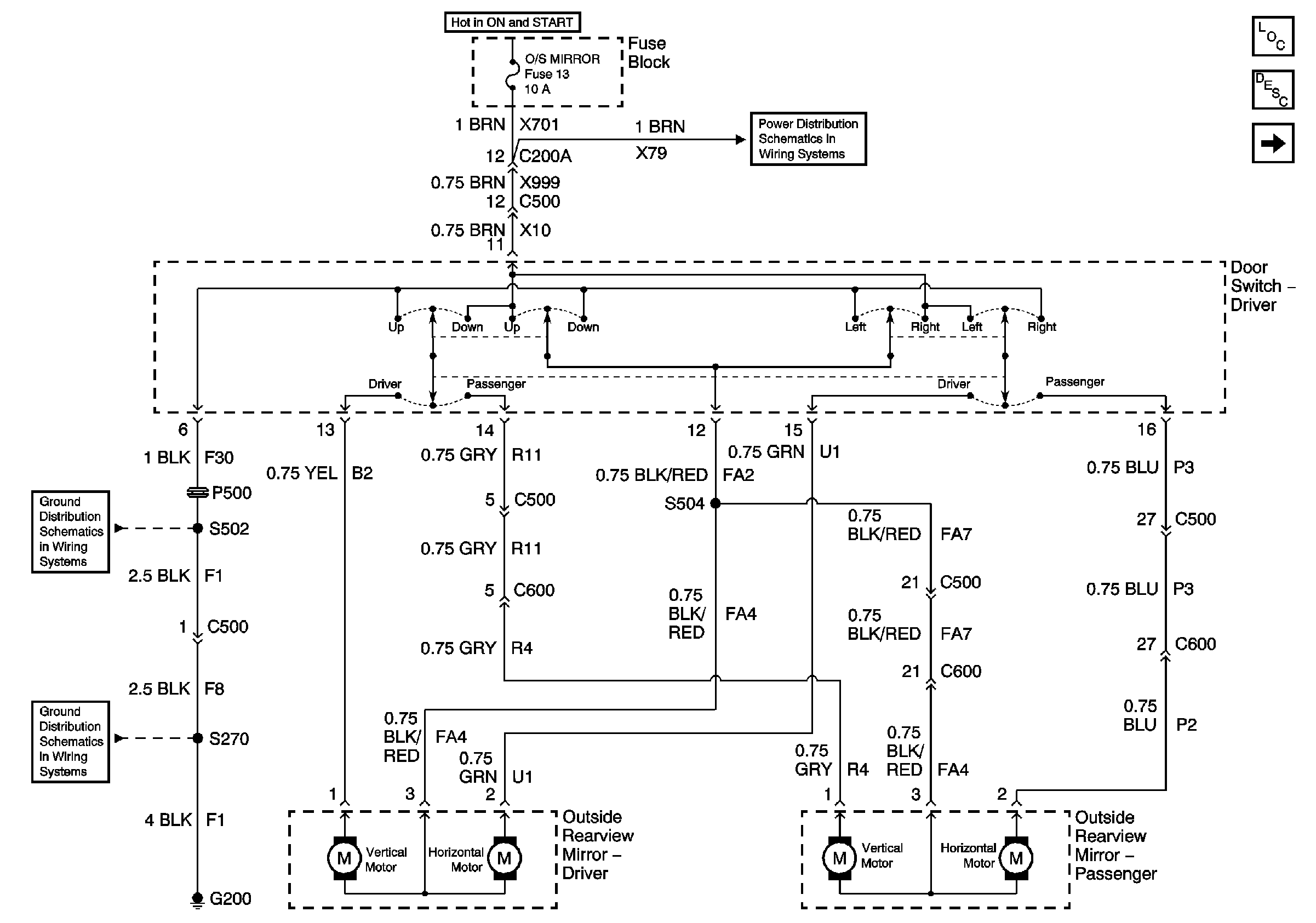
Figure 2:

Door Switch and Memory Seat Module - Driver


Object Number: 595318  Size: FS
Master Electrical Component List
Outside Mirror Description and Operation
Memory Seat Module - Driver and Outside Rearview Mirror - Driver
W/O Memory
Underhood Fuse Block Fuses V1 and V4, and Ignition Switch
Fuse Block Fuses 3, 13, and 19
G200 (2 of 2)
Memory Seat Module - Driver and Outside Rearview Mirror - Driver
Memory Seat Module - Driver and Outside Rearview Mirror - Driver
Memory Seat Module - Driver and Outside Rearview Mirror - Driver
G200 (1 of 2) and G203
Memory Seat Module - Driver and Outside Rearview Mirror - Passenger
Memory Seat Module - Driver and Outside Rearview Mirror - Passenger
Mirror Position Memory Controls
Memory Seat Module - Driver and Outside Rearview Mirror - Passenger
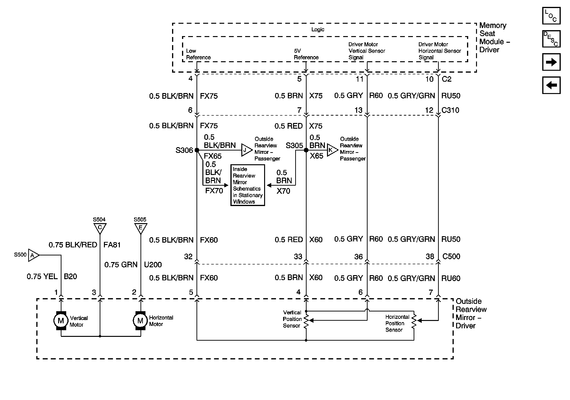
Figure 3:

Memory Seat Module and Outside Rearview Mirror - Driver


Object Number: 595319  Size: FS
Master Electrical Component List
Outside Mirror Description and Operation
Memory Seat Module - Driver and Outside Rearview Mirror - Passenger
Door Switch Driver and Memory Seat Module - Driver
Memory Seat Module - Driver and Outside Rearview Mirror - Passenger
Memory Seat Module - Driver and Outside Rearview Mirror - Passenger
Mirror Position Memory Controls
Door Switch Driver and Memory Seat Module - Driver
Door Switch Driver and Memory Seat Module - Driver
Door Switch Driver and Memory Seat Module - Driver
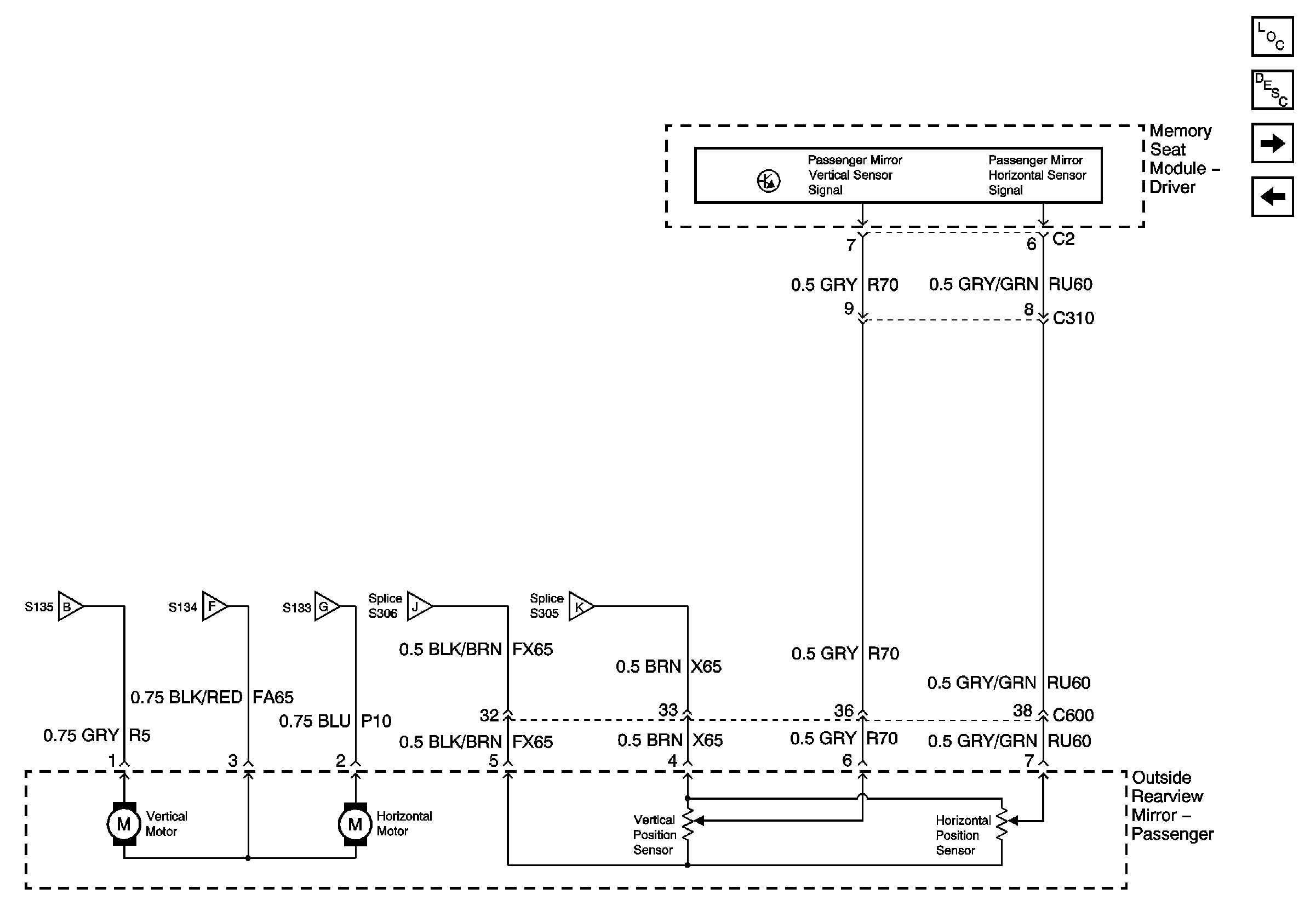
Figure 4:

Memory Seat Module - Driver, and Outside Rearview Mirror - Passenger


Object Number: 595320  Size: FS
Master Electrical Component List
Outside Mirror Description and Operation
Heated Mirrors
Memory Seat Module - Driver and Outside Rearview Mirror - Driver
Door Switch Driver and Memory Seat Module - Driver
Door Switch Driver and Memory Seat Module - Driver
Door Switch Driver and Memory Seat Module - Driver
Memory Seat Module - Driver and Outside Rearview Mirror - Driver
Memory Seat Module - Driver and Outside Rearview Mirror - Driver
Figure 5:

Heated Mirrors


Object Number: 595322  Size: FS
Master Electrical Component List
Outside Mirror Description and Operation
Memory Seat Module - Driver and Outside Rearview Mirror - Passenger
Underhood Fuse Block Fuse V6 and Fuse Block Fuses 17, 28, 29, 33, and34
Fuse Block Fuses 5, 11, 16, and 35
G200 (2 of 2)
G200 (1 of 2) and G203