GM Service Manual Online
For 1990-2009 cars only
Makes
🢒
Cadillac
🢒
2001
🢒
Catera
🢒 Fuel, Coolant and Oil Gauges and Indicators
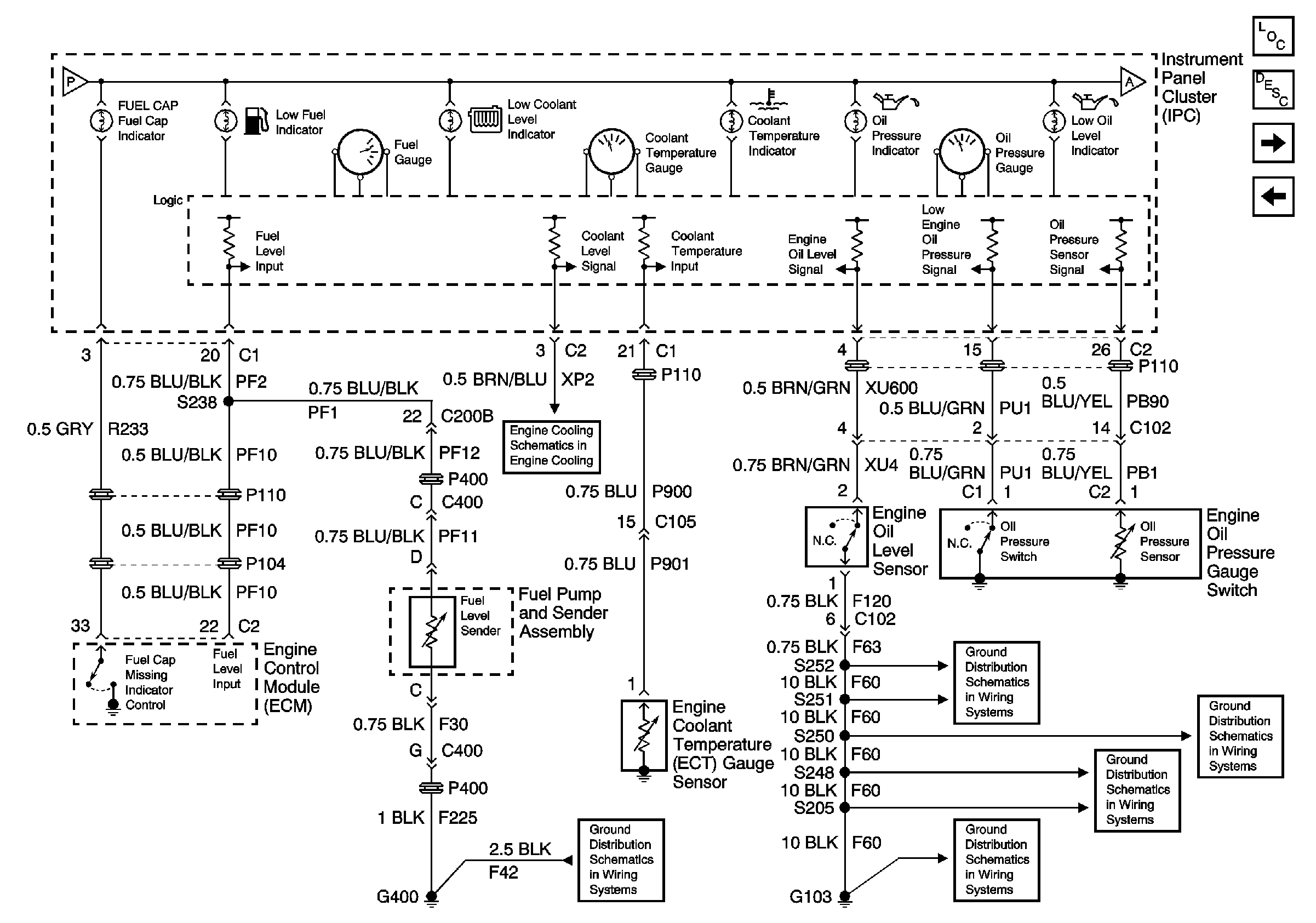
Fuel, Coolant and Oil Gauges and Indicators
Fuel and Coolant Indicators and Gages
Master Electrical Component List
Indicator/Warning Message Description and Operation
Tachometer, Speedometer and Overspeed Indicator
Power, Headlamps On Required, ABS, Traction Control, Sport Mode, Check Engine, Brake To Shift, Air Bag, Charging System Brake Pad Wear, Low Washer Fluid, Seat Belt Leveling, Brake and Cruise Indicator
Power, Headlamps On Required, ABS, Traction Control, Sport Mode, Check Engine, Brake To Shift, Air Bag, Charging System Brake Pad Wear, Low Washer Fluid, Seat Belt Leveling, Brake and Cruise Indicator
Tachometer, Speedometer and Overspeed Indicator
Coolant Level Indicator
G400
G103 (8 of 8)
G103 (7 of 8)
G103 (6 of 8)
G103 (1 of 8)